GM Service Manual Online
For 1990-2009 cars only

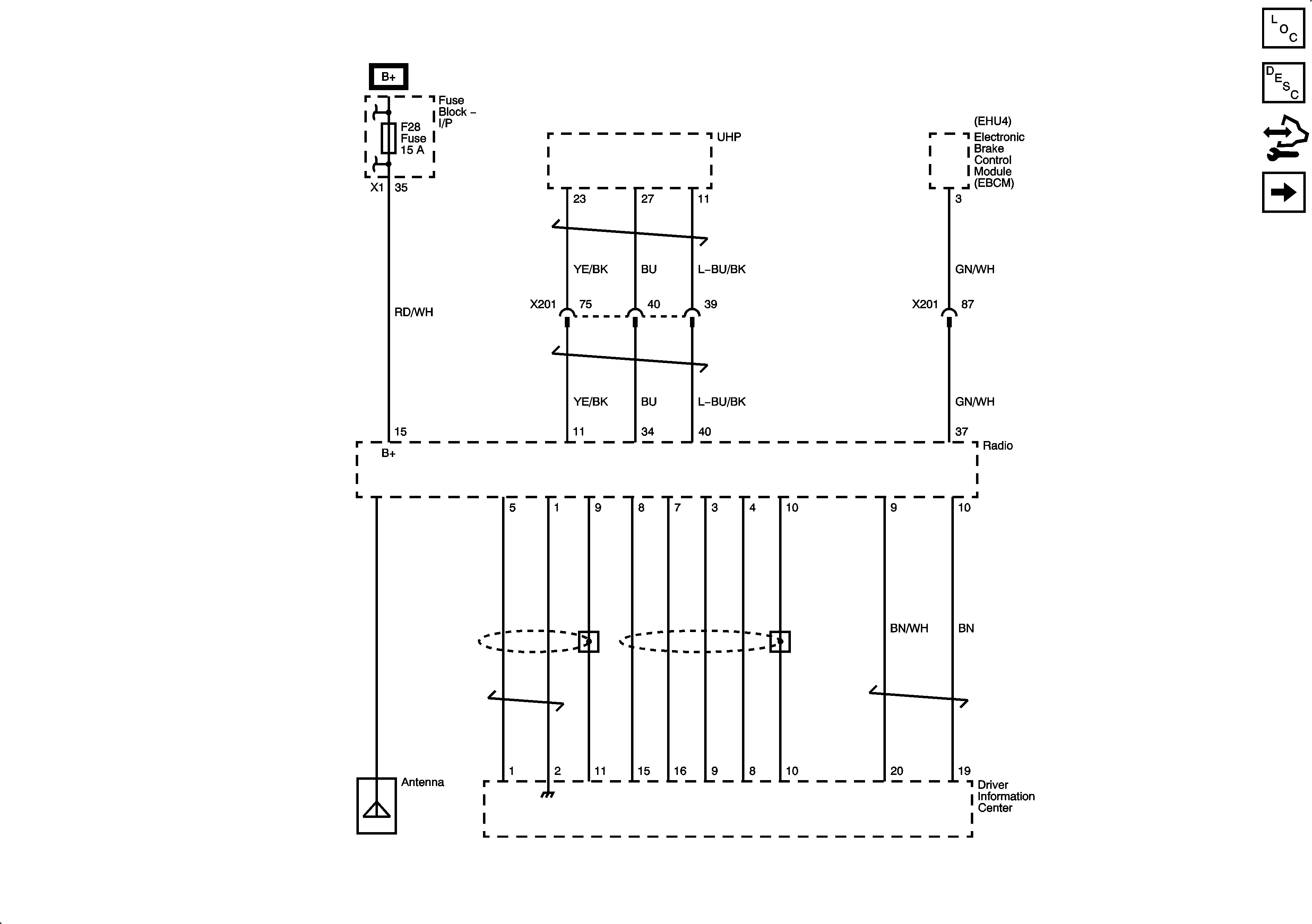
Radio/Navigation System Schematics C100/Long Body

Figure 1:

Power, Ground, Antenna, Steering Wheel Controls


Object Number: 1956745  Size: FS
Master Electrical Component List
Radio/Audio System Operation-RDS Functions
Control Module References
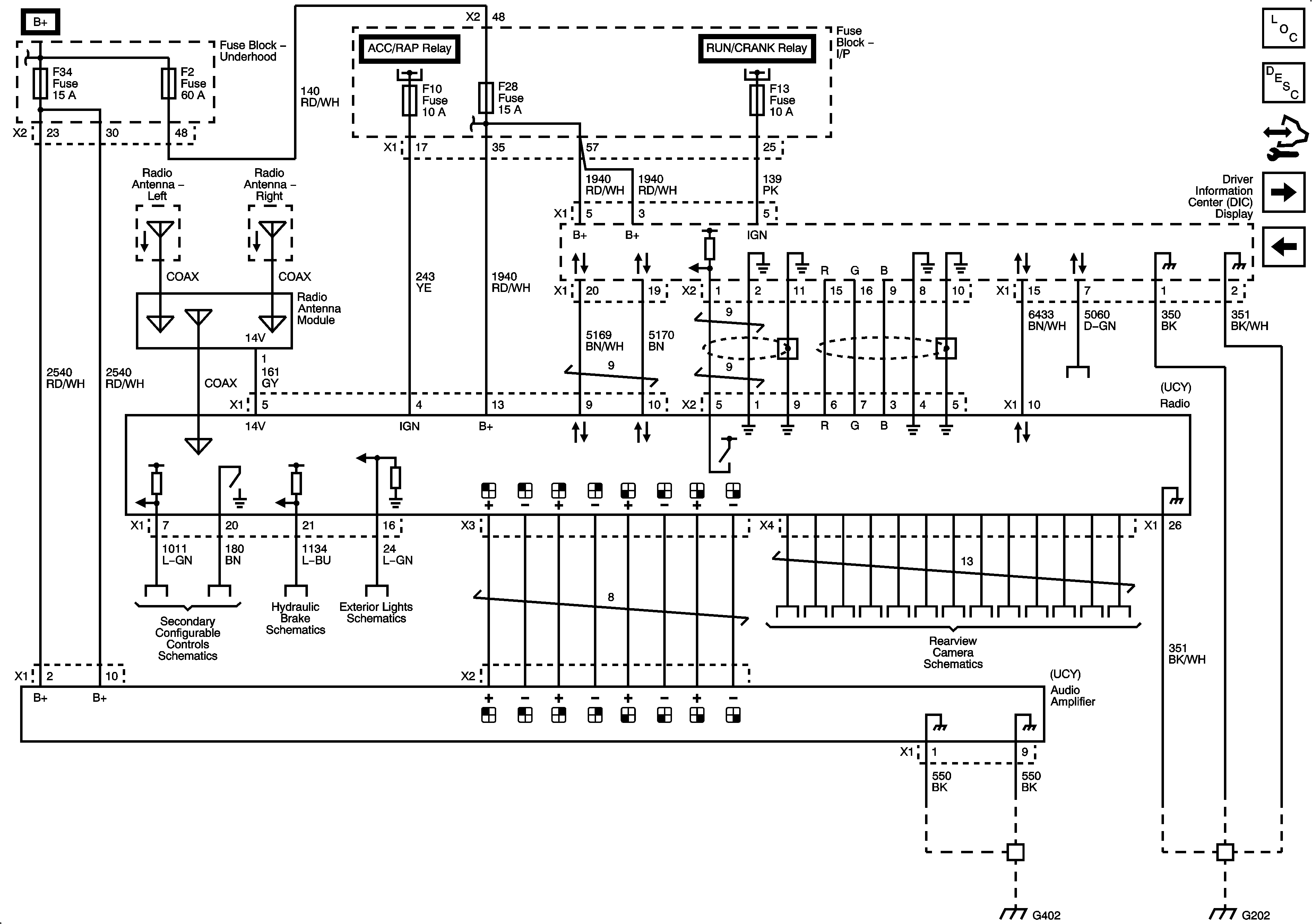
C100/Long Body - Speakers, Subwoofer
F3, 5, 28, 32, 34 Fuses
EF3, F1, 2, 10, 15, 18, 33, 37, 39 Fuses, Run, ACC/RAP Relays
Figure 2:

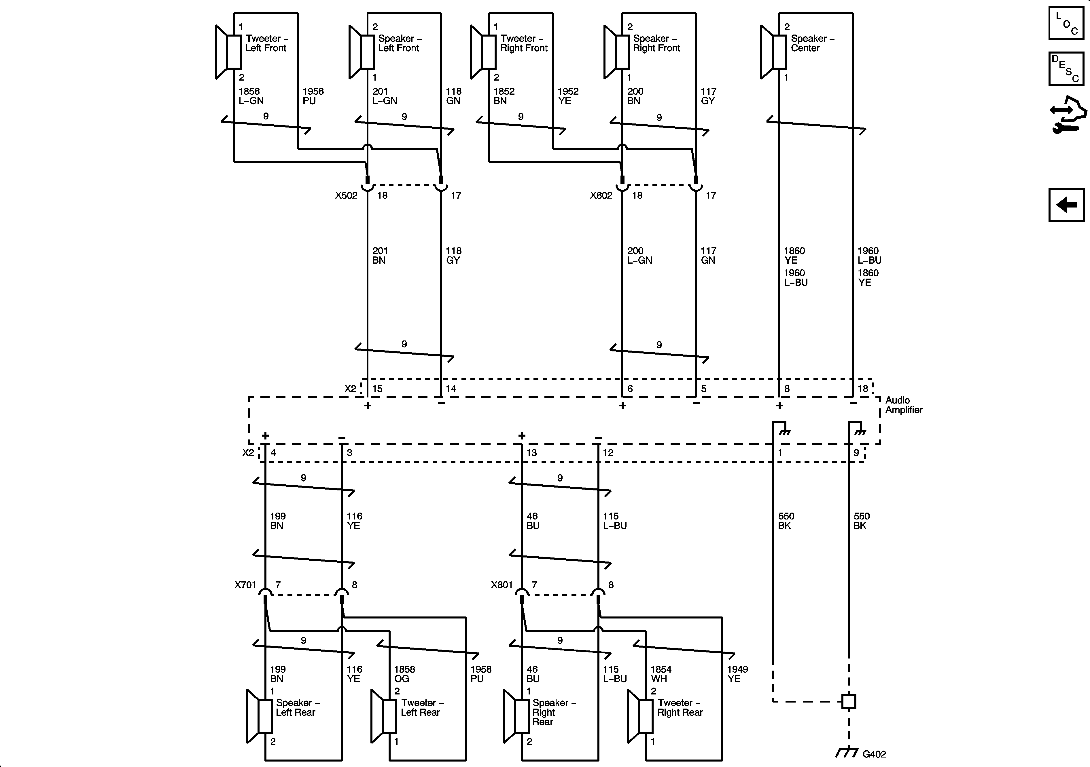
Speakers, Subwoofer


Object Number: 1956748  Size: FS
Master Electrical Component List
Radio/Audio System Operation-RDS Functions
Control Module References
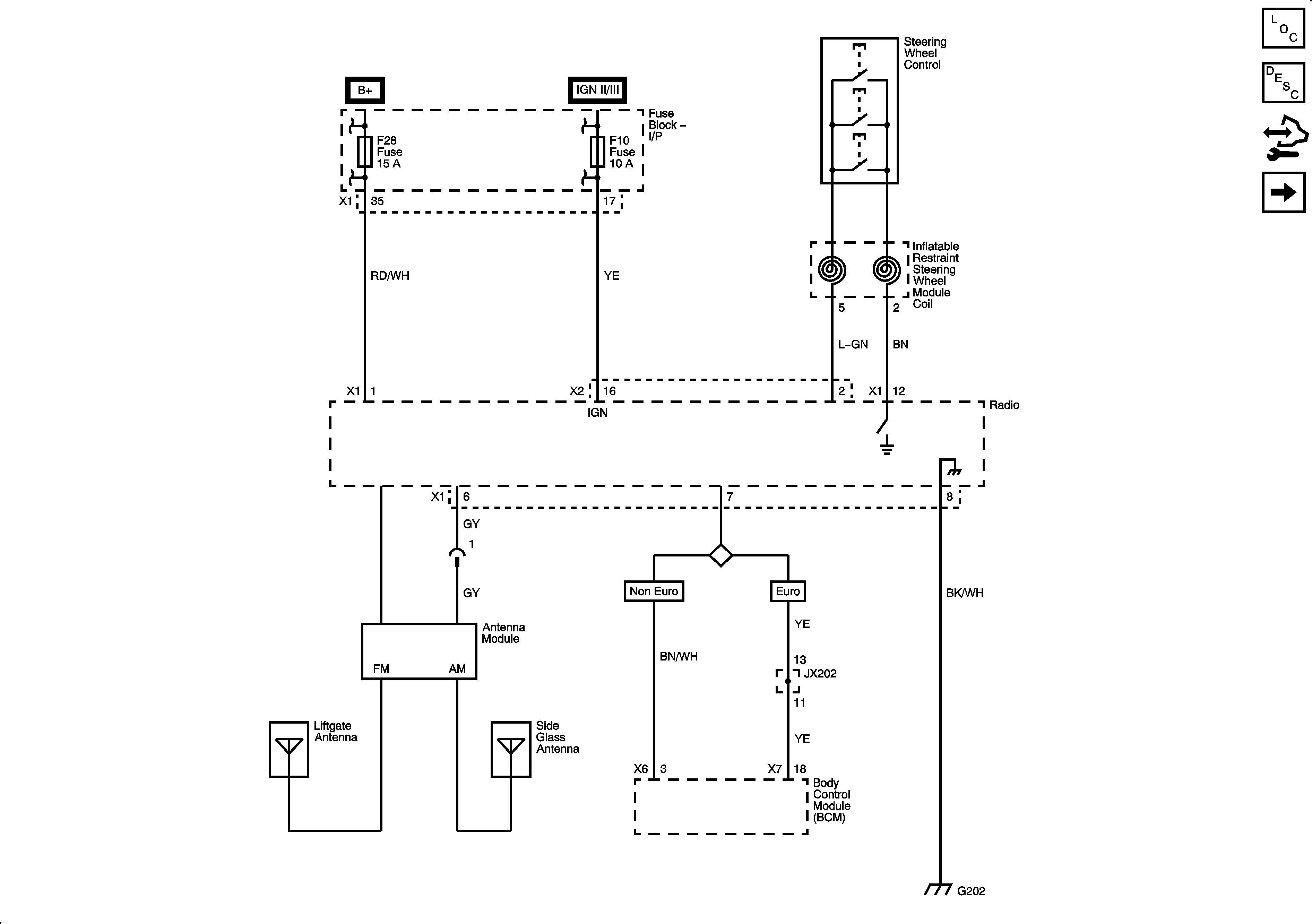
Power, Ground, Antenna, Steering Wheel Controls
EF1, 4, 16, 18, 19, 20, 23 Fuses
G301 (1 of 3)
Figure 3:
Object Number: 2176632  Size: FS
Figure 4:
Object Number: 2176639  Size: FS

Radio/Navigation System Schematics C105/Short Body

Figure 1:

Entertainment Schematics - Short Body (1 of 2)


Object Number: 1956751  Size: FS
Master Electrical Component List
Radio/Audio System Operation-RDS Functions
Control Module References
Entertainment - C105/Short Body (2 of 2)
F3, 5, 28, 32, 34 Fuses
Figure 2:

Entertainment Schematics - Short Body (2 of 2)


Object Number: 1956754  Size: FS
Master Electrical Component List
Radio/Audio System Operation-RDS Functions
Control Module References
Entertainment - C105/Short Body (1 of 2)