GM Service Manual Online
For 1990-2009 cars only
Makes
🢒
Holden
🢒
2009
🢒
Captiva
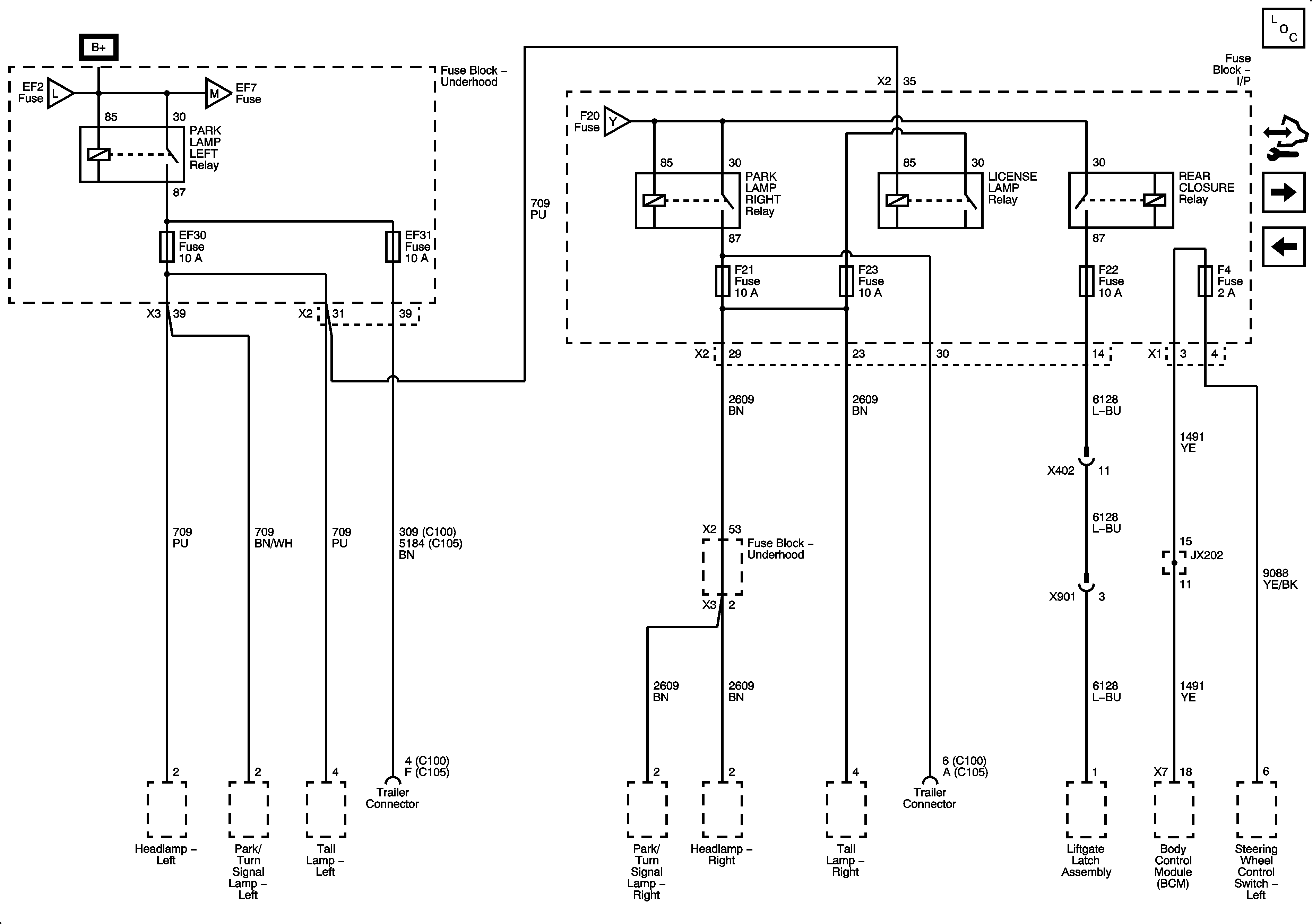
🢒 EF30, EF31, F4, F21, F22, F23 Fuses
EF30, EF31, F4, F21, F22, F23 Fuses
EF 30, EF31, F 4, F21, F22, F23 Fuses
Master Electrical Component List
Control Module References
F3, 5, 28, 32, 34 Fuses
EF2, F11, 12, 14, 16, 19, 24, 26, 31 35 Fuses