GM Service Manual Online
For 1990-2009 cars only

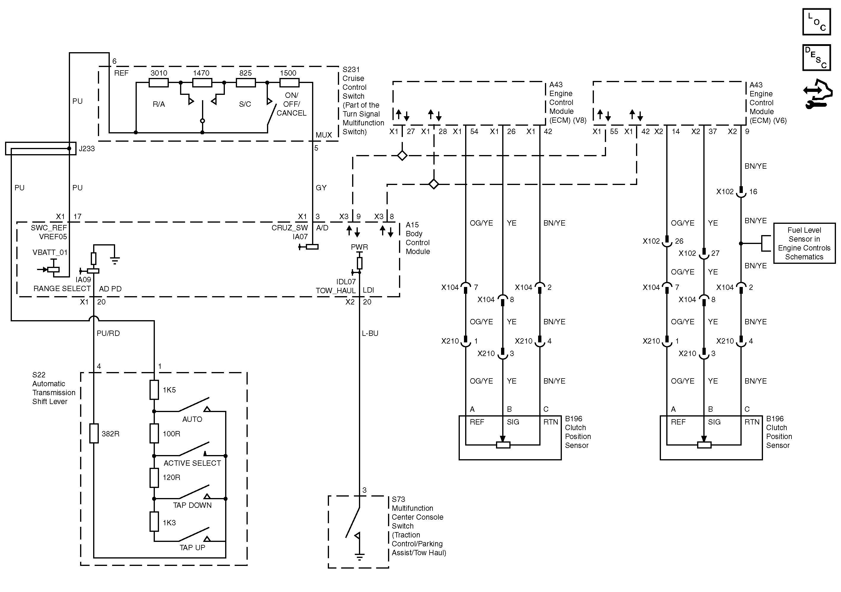
Cruise Control Switch, Automatic Transmission Shift Lever, Multifunction Centre Console Switch and Clutch Position Sensors

Cruise Control Switch, Automatic Transmission Shift Lever, Multifunction Center Console Switch and Clutch Position Sensors


Object Number: 2011686  Size: FS
Master Electrical Component List
Cruise Control Description and Operation
Control Module References
Fuel Pump and Fuel Level Sensor