GM Service Manual Online
For 1990-2009 cars only
Makes
🢒
Holden
🢒
2007
🢒
VE Sedan
🢒
Engine
🢒
Cruise Control
🢒 Cruise Control Schematics
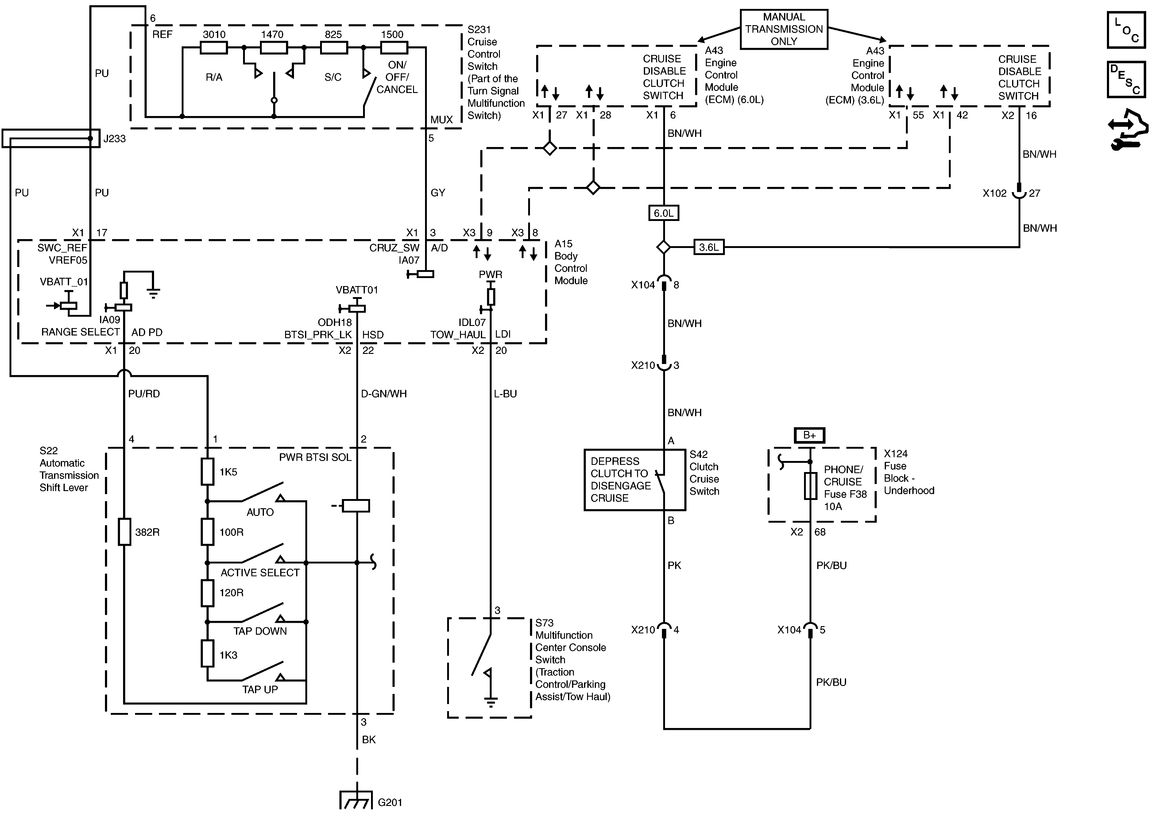
Cruise Control Switch, Automatic Transmission Shift Lever, Multifunction Center Console Switch and Clutch Cruise Switch
Master Electrical Component List
Cruise Control Description and Operation
Control Module References
G201 - 1 of 2