GM Service Manual Online
For 1990-2009 cars only
Makes
🢒
Holden
🢒
2007
🢒
VE Sedan
🢒
Diagnostic Navigation
🢒
Vehicle Diagnostic Information
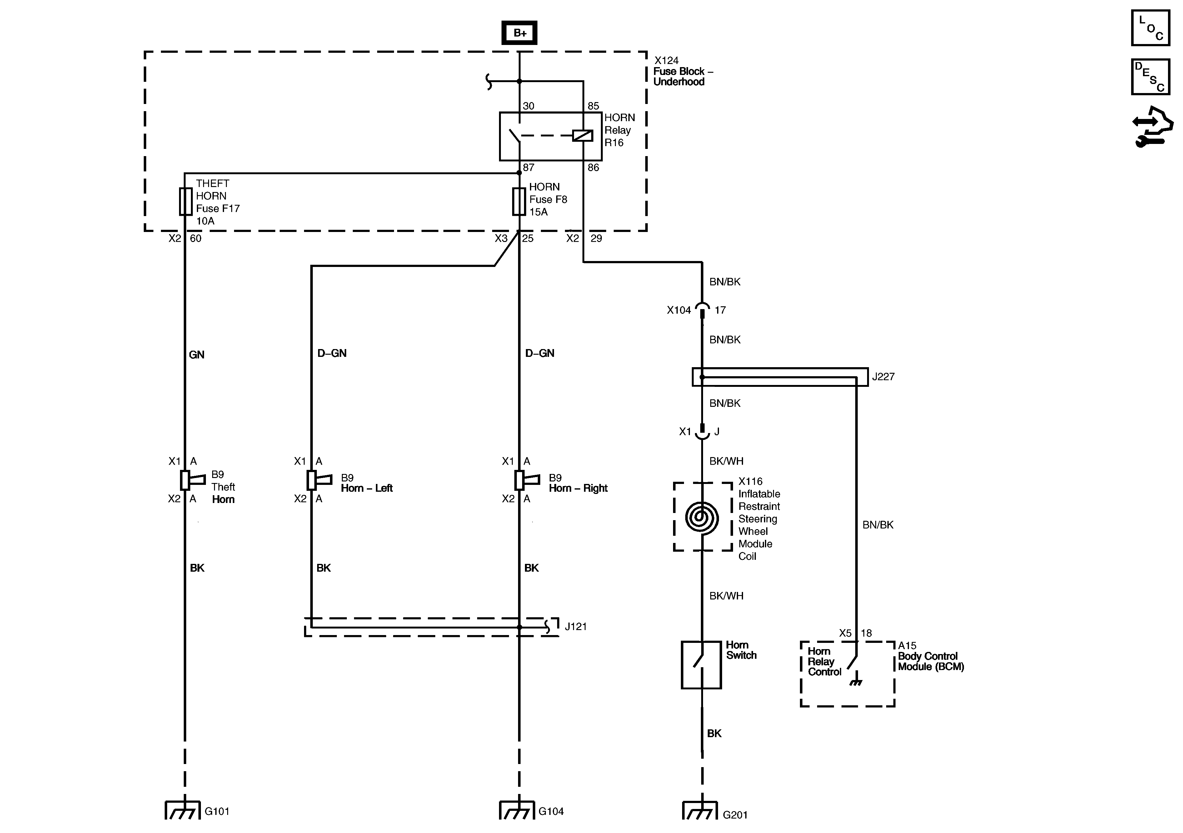
🢒 Horn Schematics
Horns, Theft Horn, and Horn Switch
Master Electrical Component List
Horns System Description and Operation
Control Module References
G101 and G102
G104
G201 - 1 of 2