GM Service Manual Online
For 1990-2009 cars only
Makes
🢒
Holden
🢒
2007
🢒
VE Sedan
🢒
Driver Information and Entertainment
🢒
Displays and Gages
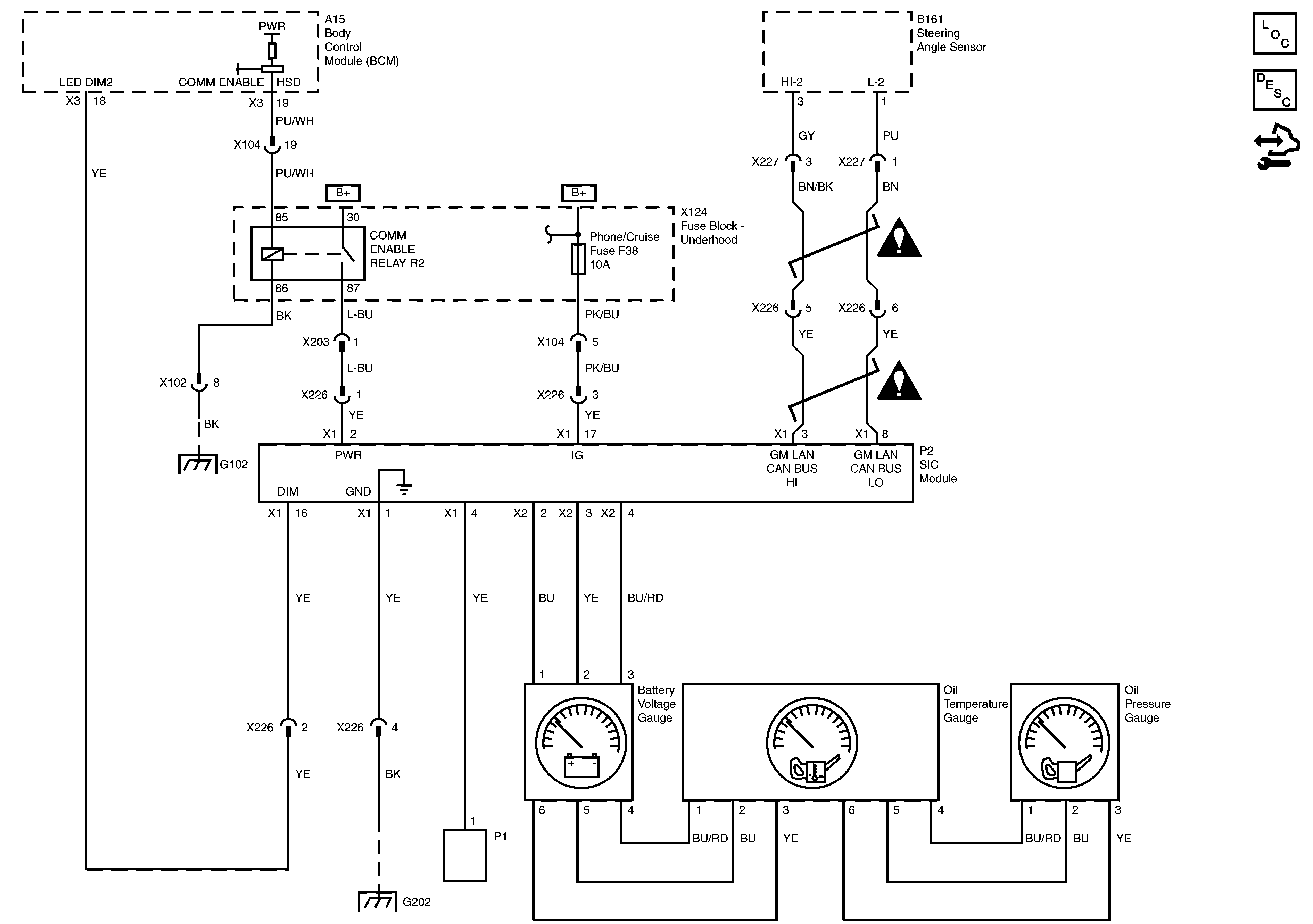
🢒 Secondary Driver Information Display Schematics
Secondary Driver Information Display Schematics CSV SWBHSV VXR8
Master Electrical Component List
Control Module References
G101 and G102
G202