GM Service Manual Online
For 1990-2009 cars only
Makes
🢒
Holden
🢒
2007
🢒
VE Sedan
🢒
Power and Signal Distribution
🢒
Power Outlets
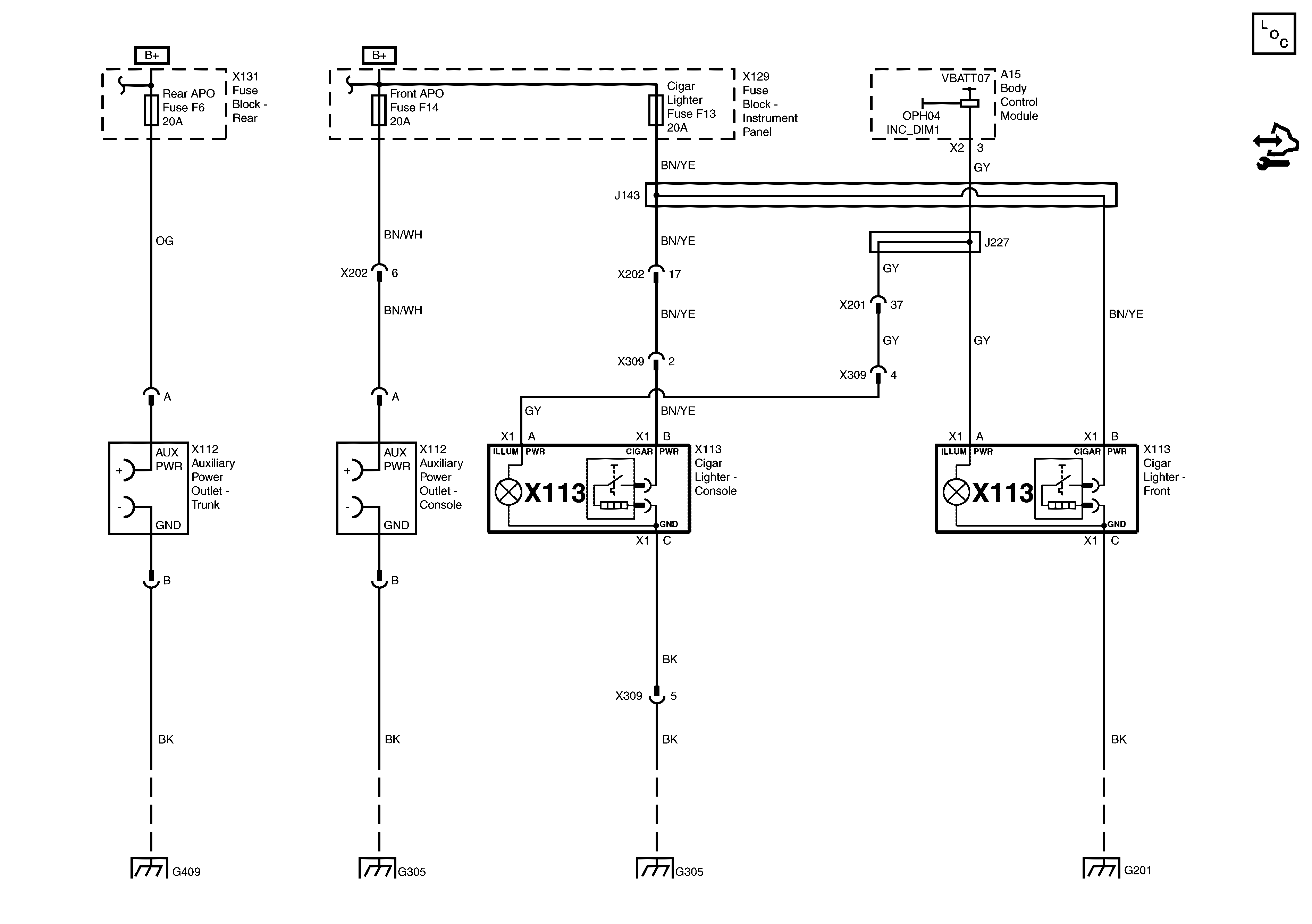
🢒 Cigar Lighter/Power Outlet Schematics
Trunk/Console Auxiliary Power Outlets and Front/Console Cigar Lighters
Master Electrical Component List
Control Module References
G401 and G409
G305 - 2 of 2, G308 and G407
G305 - 2 of 2, G308 and G407
G201 - 1 of 2