GM Service Manual Online
For 1990-2009 cars only
Makes
🢒
Holden
🢒
2007
🢒
VE Sedan
🢒
Power and Signal Distribution
🢒
Wiring Systems and Power Management
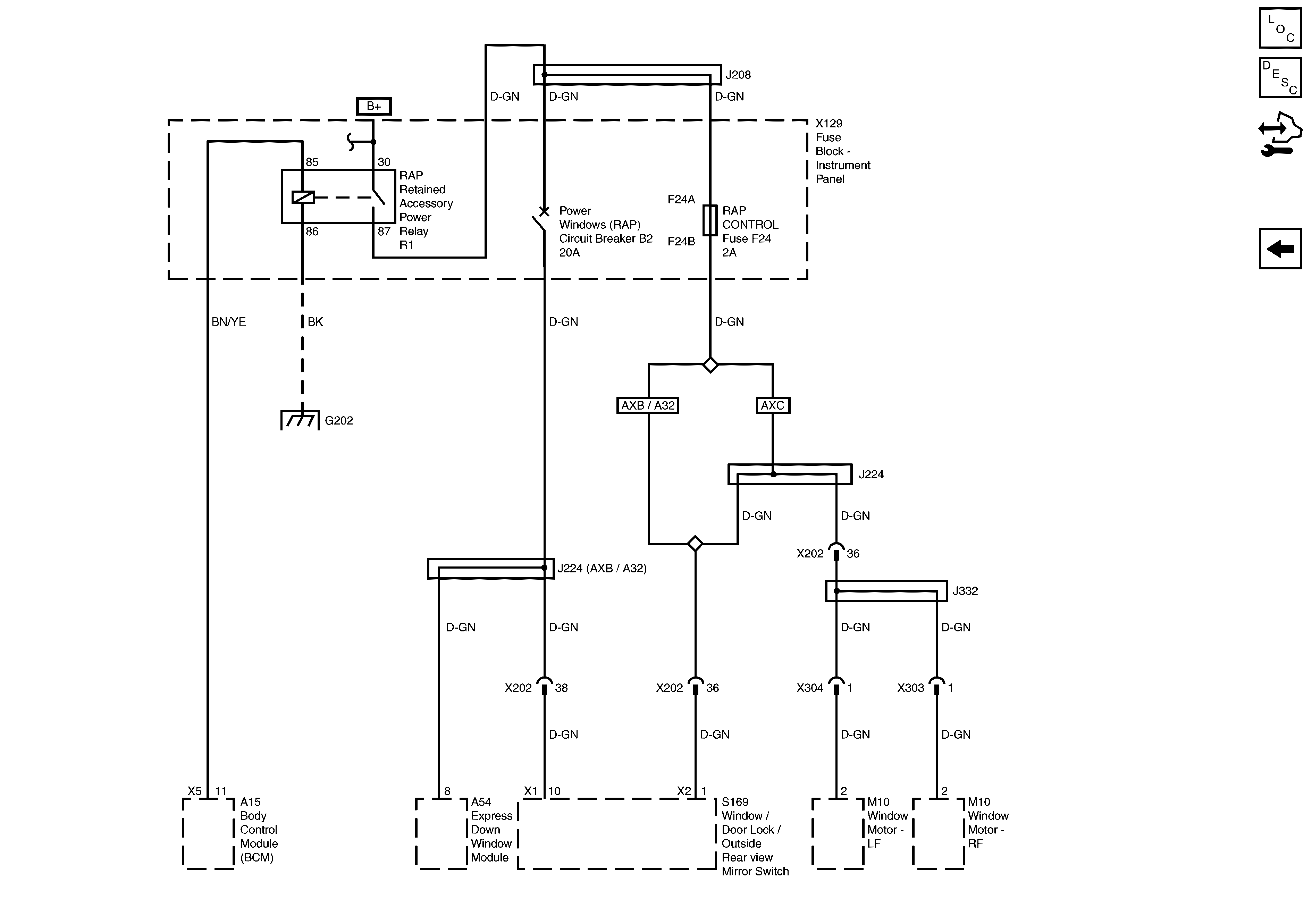
🢒 Retained Accessory Power (RAP) Schematics
RAP Relay Inputs and Outputs
Master Electrical Component List
Retained Accessory Power (RAP) Description and Operation
Control Module References
GM LAN Layout
G202