GM Service Manual Online
For 1990-2009 cars only
Makes
🢒
Holden
🢒
2007
🢒
VE Sedan
🢒
Roof
🢒
Sunroof
🢒 Sunroof Schematics
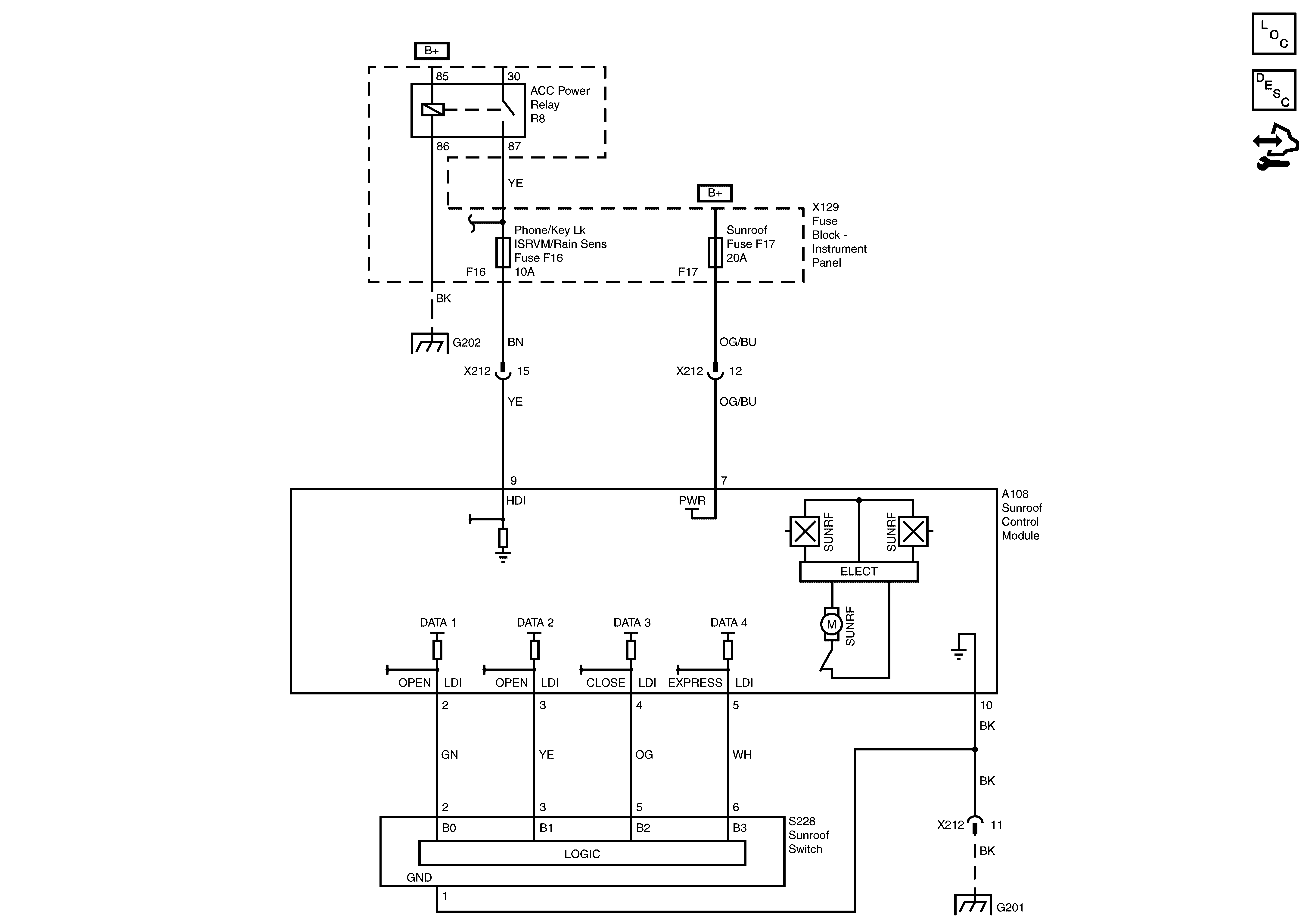
Sunroof Control Module and Switch Power and Ground