GM Service Manual Online
For 1990-2009 cars only
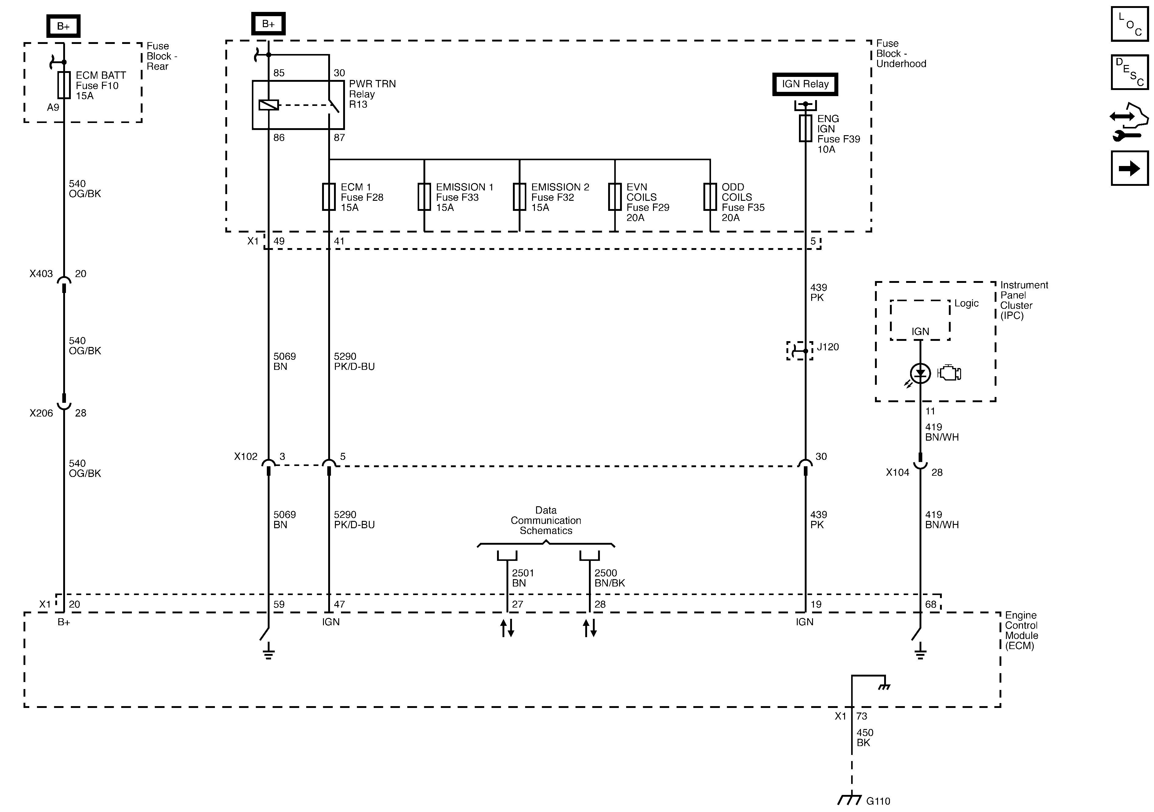
Figure 1:

Module Power, Ground, Serial Data, and MIL


Object Number: 2153353  Size: FS
Figure 2:

Engine Data Sensors - 5-Volt and Low Reference


Object Number: 2146241  Size: FS
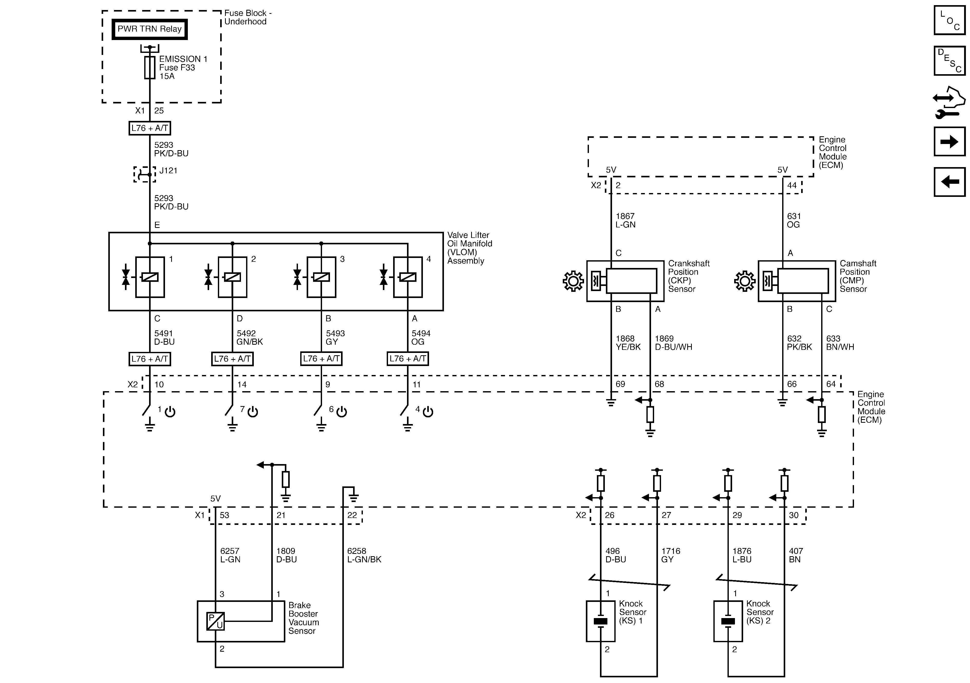
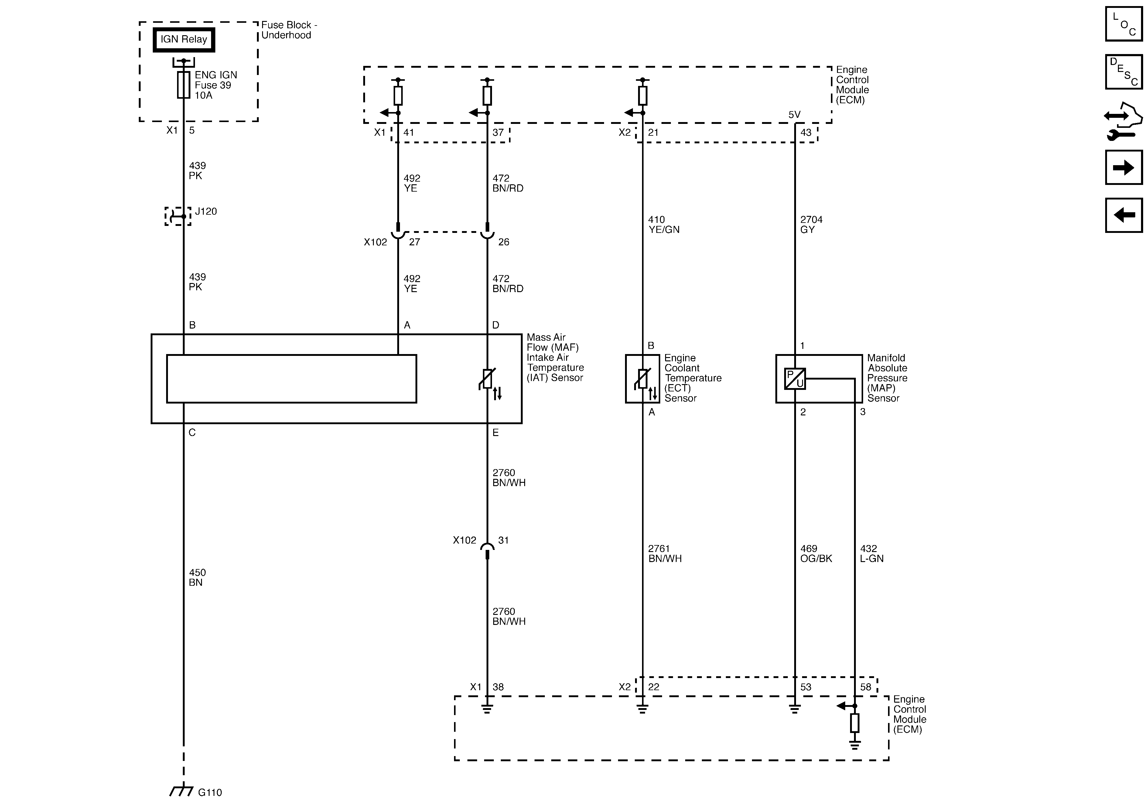
Figure 3:

Engine Data Sensors - Pressure and Temperature


Object Number: 2153354  Size: FS
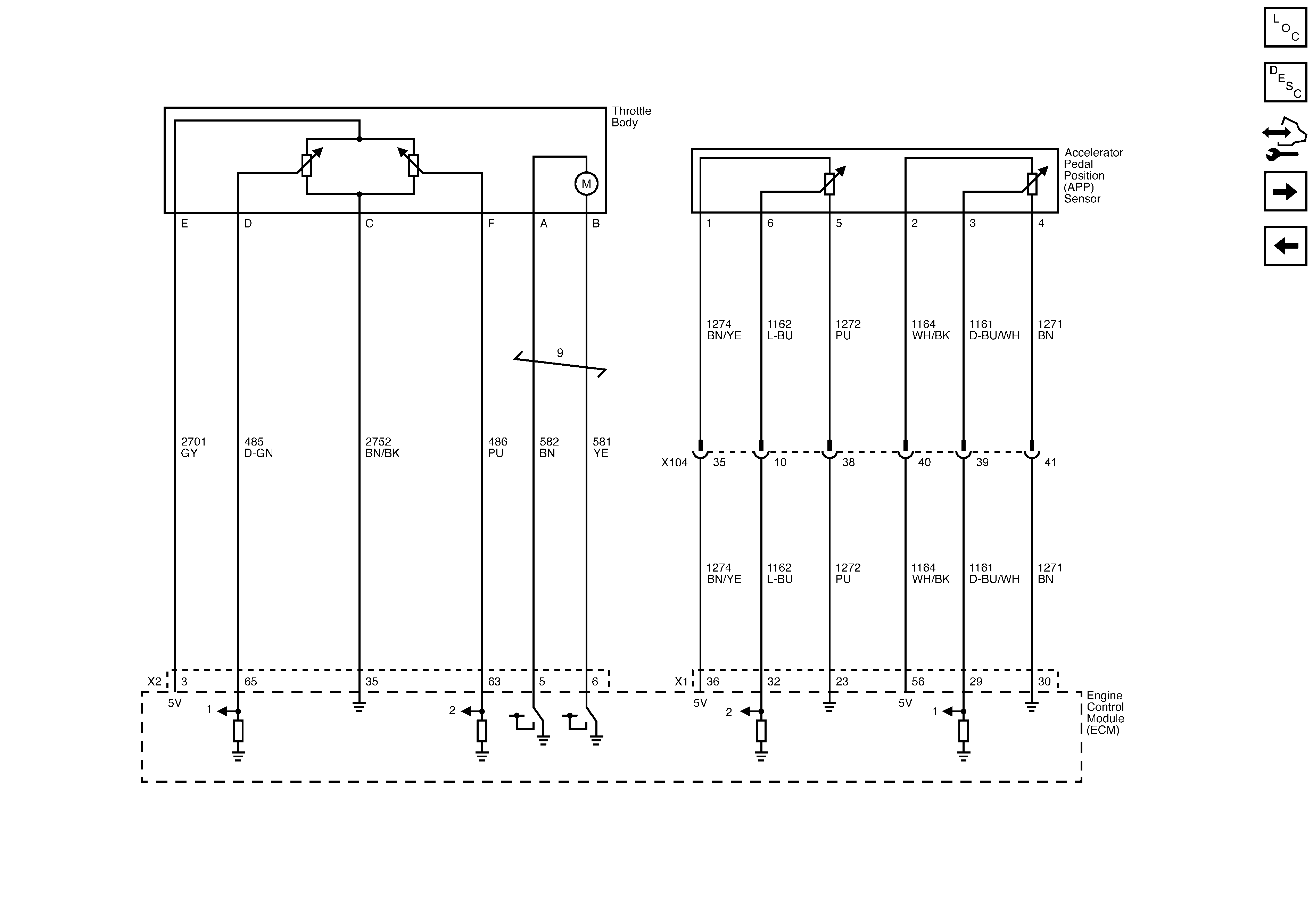
Figure 4:

Engine Data Sensors - Electronic Throttle Controls


Object Number: 2153355  Size: FS
Figure 5:

Engine Data Sensors - HO2S


Object Number: 2153356  Size: FS
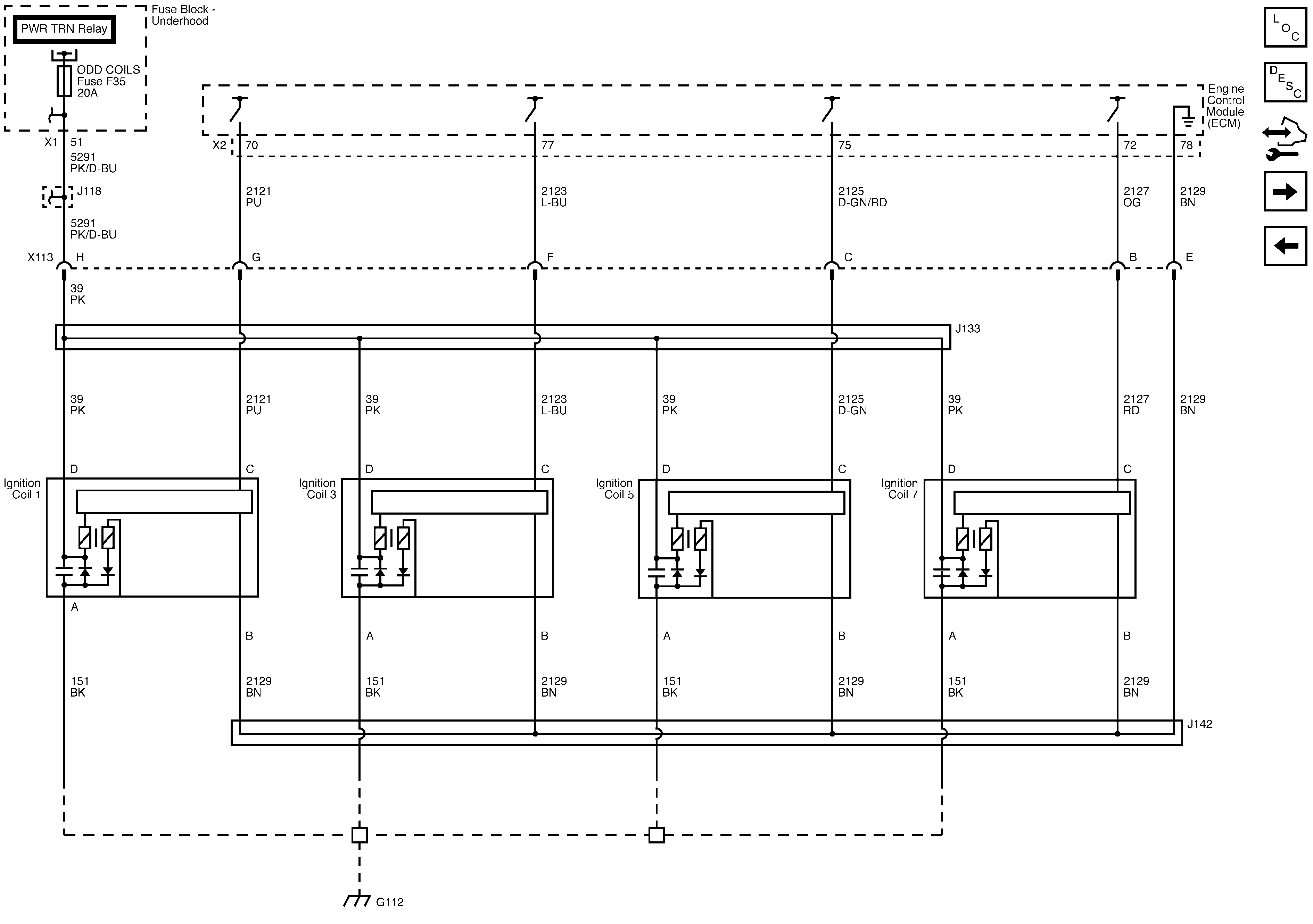
Figure 6:

Ignition Controls - Ignition System Coils 1, 3, 5, and 7


Object Number: 2153357  Size: FS
Figure 7:

Ignition Controls - Ignition System Coils 2, 4, 6, and 8


Object Number: 2153358  Size: FS
Figure 8:

Ignition Controls - Sensors and Active Fuel Management


Object Number: 2153359  Size: FS
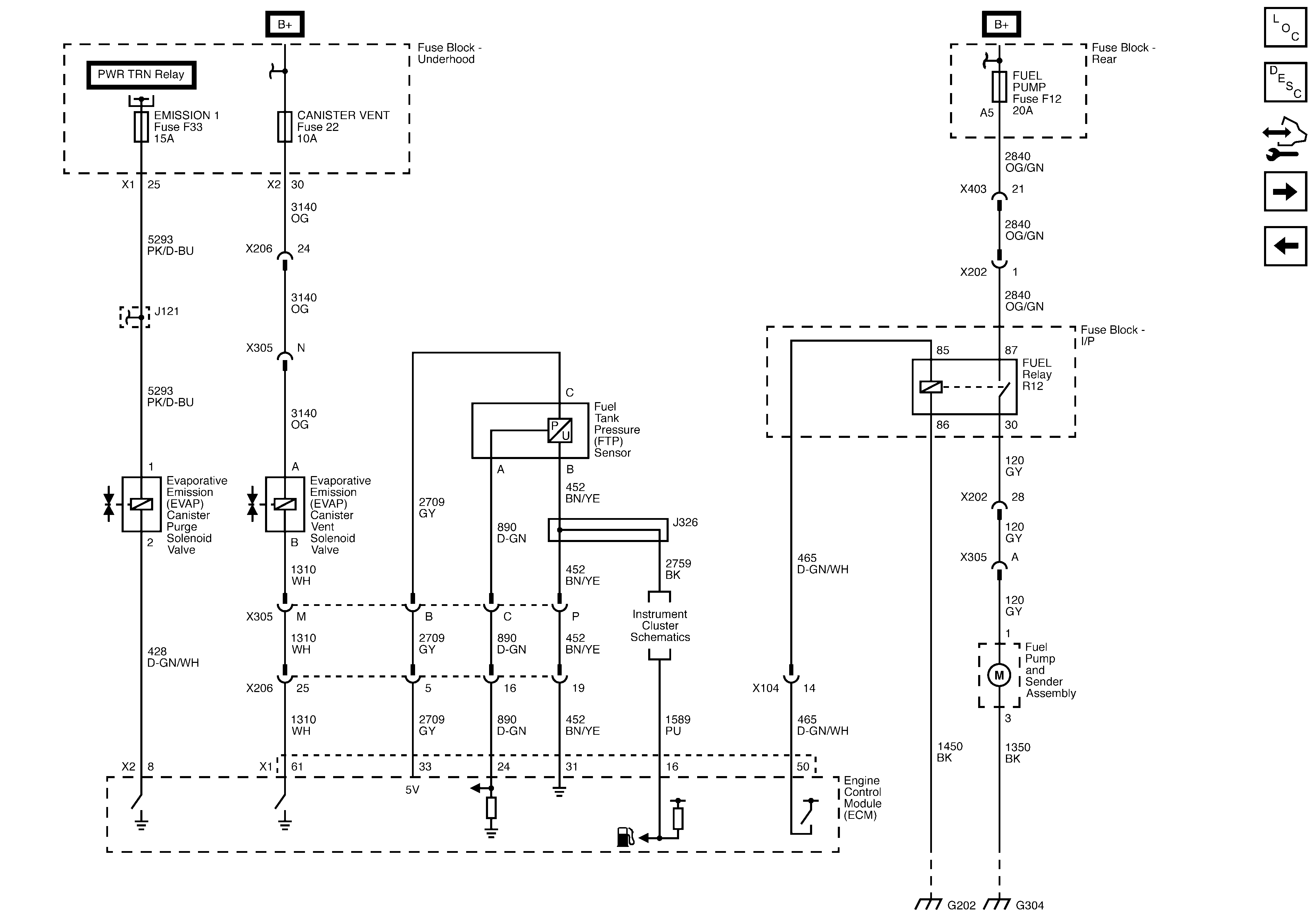
Figure 9:

Fuel Controls - EVAP and Fuel Pump Controls


Object Number: 2153360  Size: FS
Figure 10:

Fuel Controls - Fuel Injectors


Object Number: 2153361  Size: FS
Figure 11:

Controlled/Monitored Subsystem References


Object Number: 2153362  Size: FS