GM Service Manual Online
For 1990-2009 cars only
Figure 1:

Power, Ground, and Serial Data


Object Number: 2034119  Size: FS
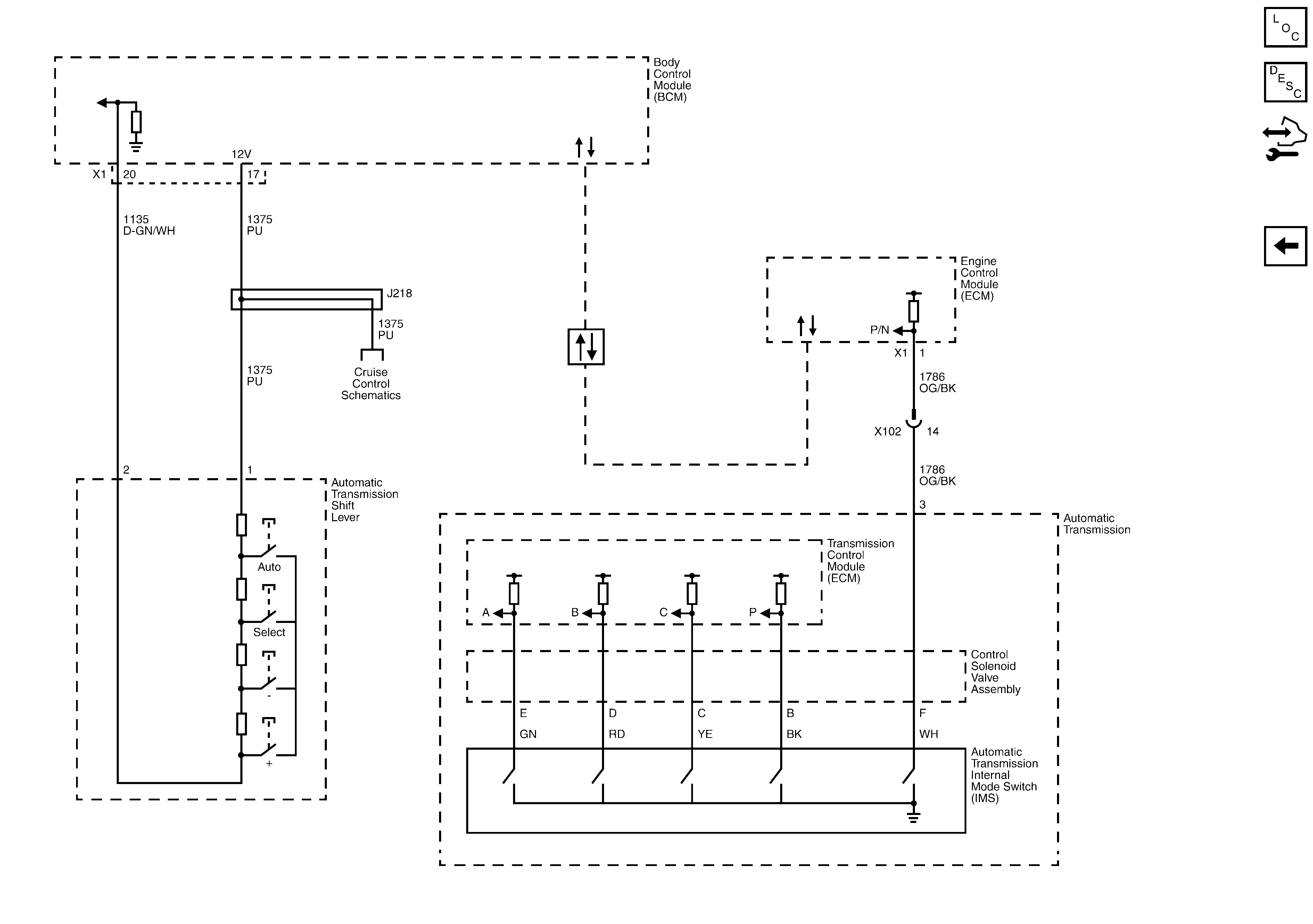
Figure 2:

Shift Controls


Object Number: 2034120  Size: FS
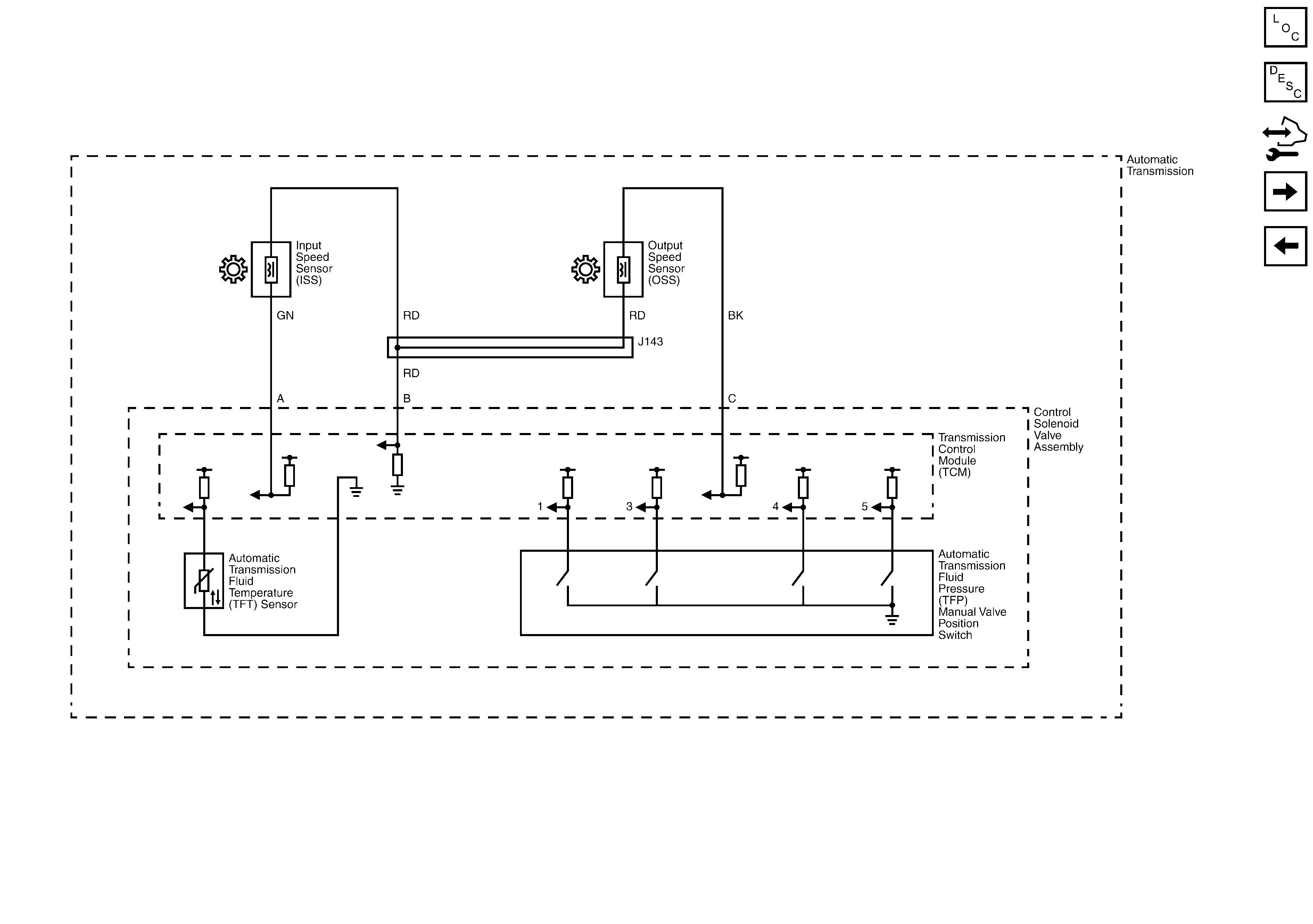
Figure 3:

Fluid Controls and Speed Sensors


Object Number: 2074289  Size: FS
Figure 4:

Range and Driver Shift Request Controls


Object Number: 2074290  Size: FS