GM Service Manual Online
For 1990-2009 cars only
Makes
🢒
Holden
🢒
2008
🢒
VE Sedan
🢒
Diagnostic Navigation
🢒
Vehicle Diagnostic Information
🢒 Object Detection Schematics
Figure
1:
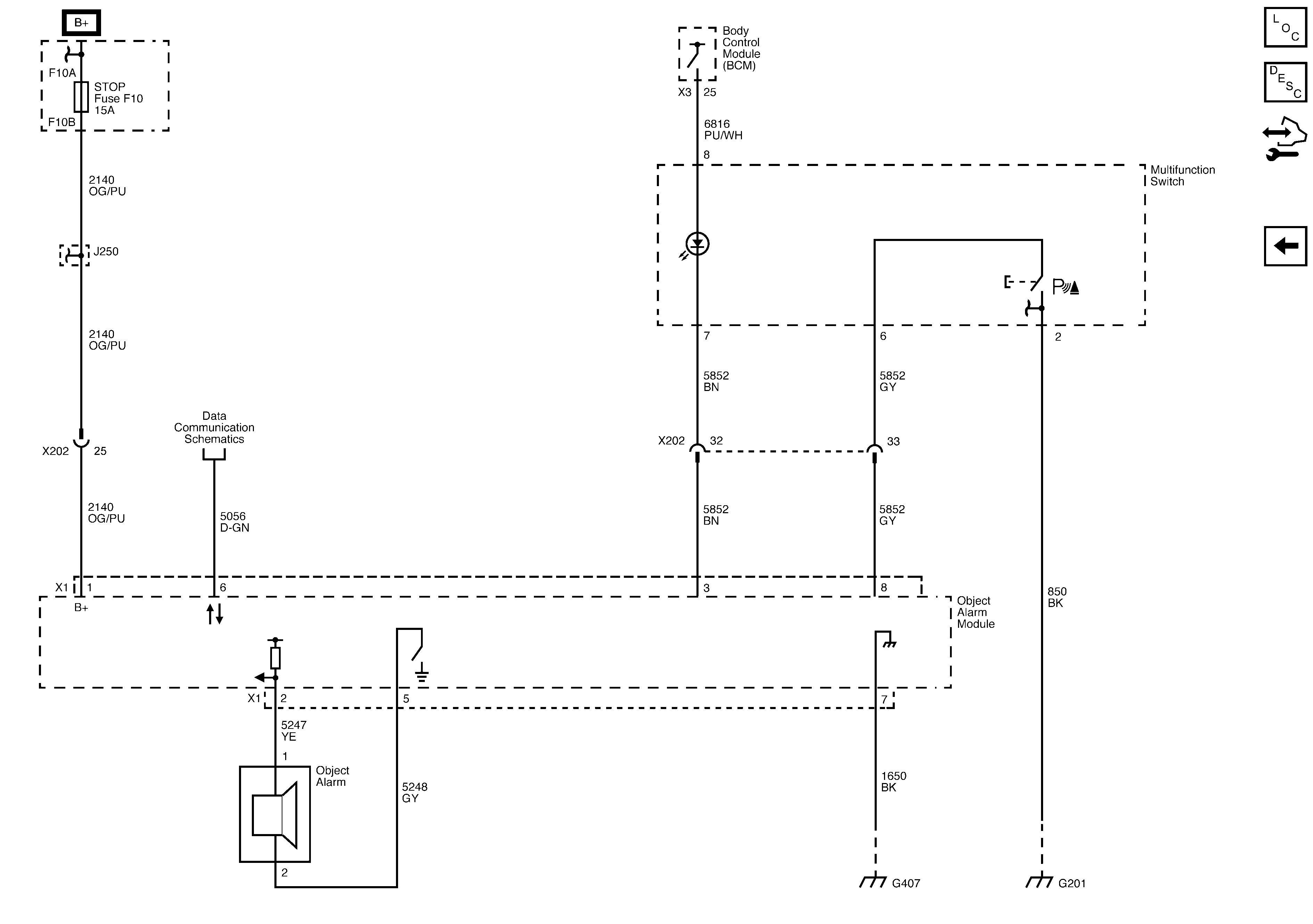
Power, Ground, Serial Data, Alarm, and Controls
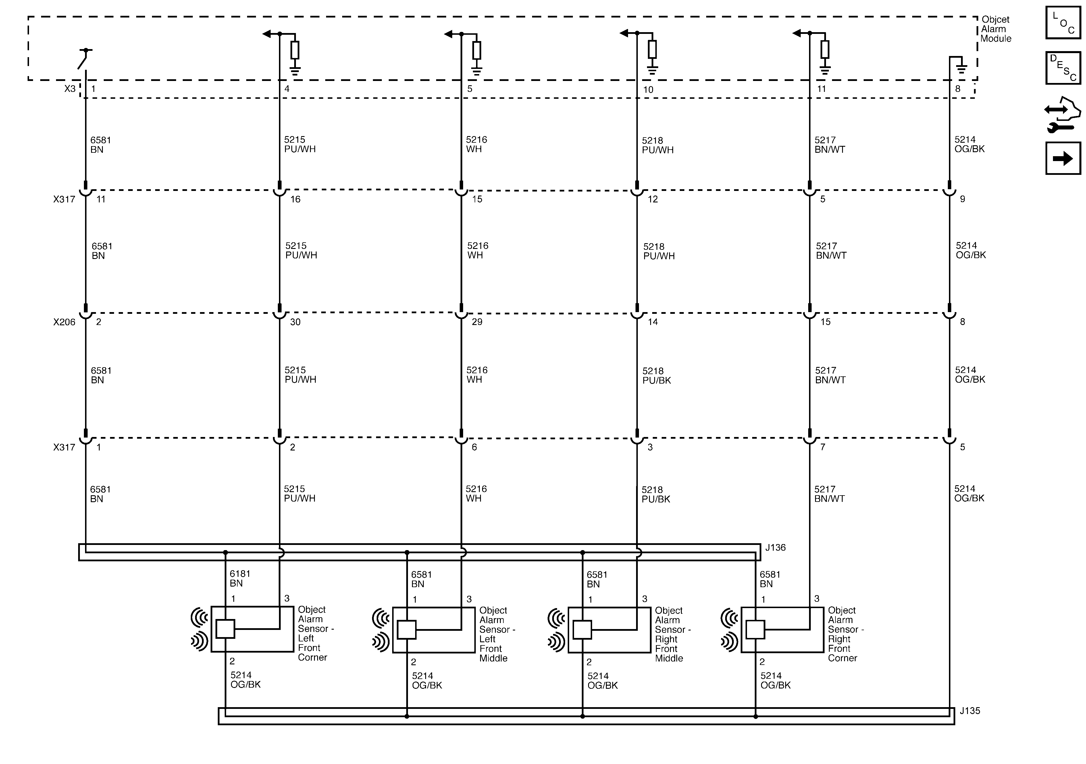
Figure
2:
Sensors (UFR with UD7)
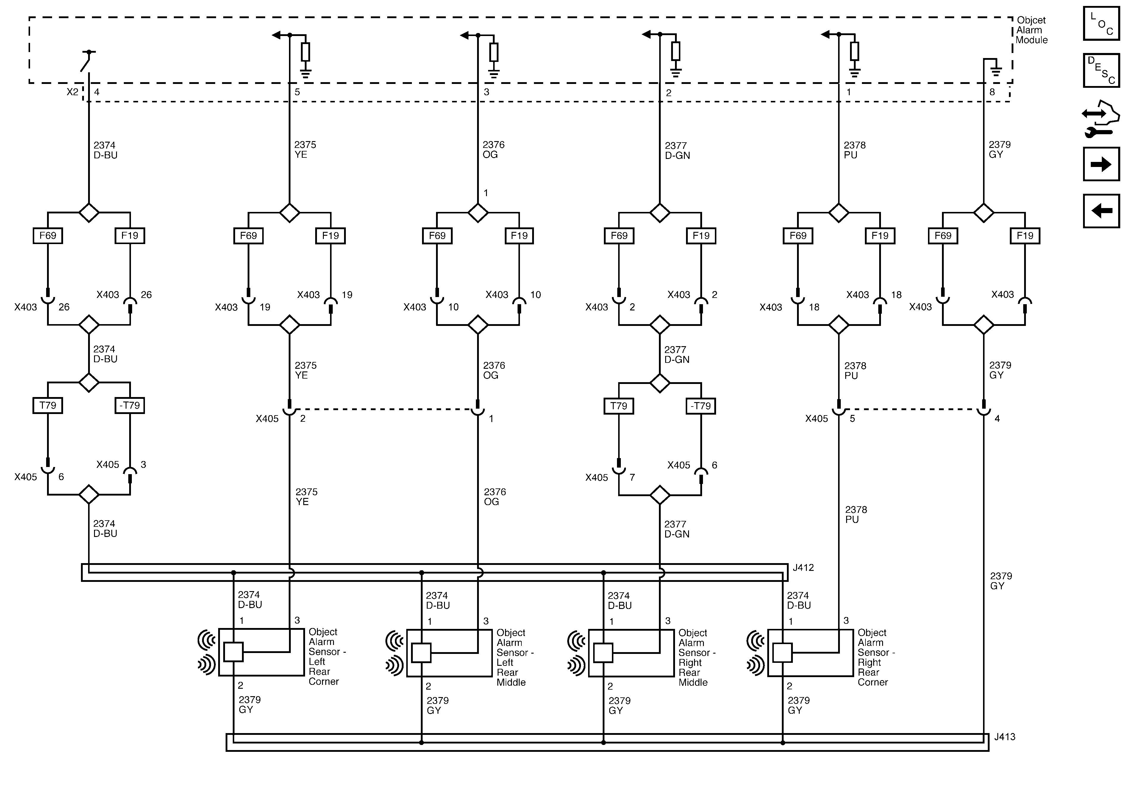
Figure
3:
Sensors (UFR Except UD7)