GM Service Manual Online
For 1990-2009 cars only
Makes
🢒
Holden
🢒
2008
🢒
VE Sedan
🢒
Diagnostic Navigation
🢒
Vehicle Diagnostic Information
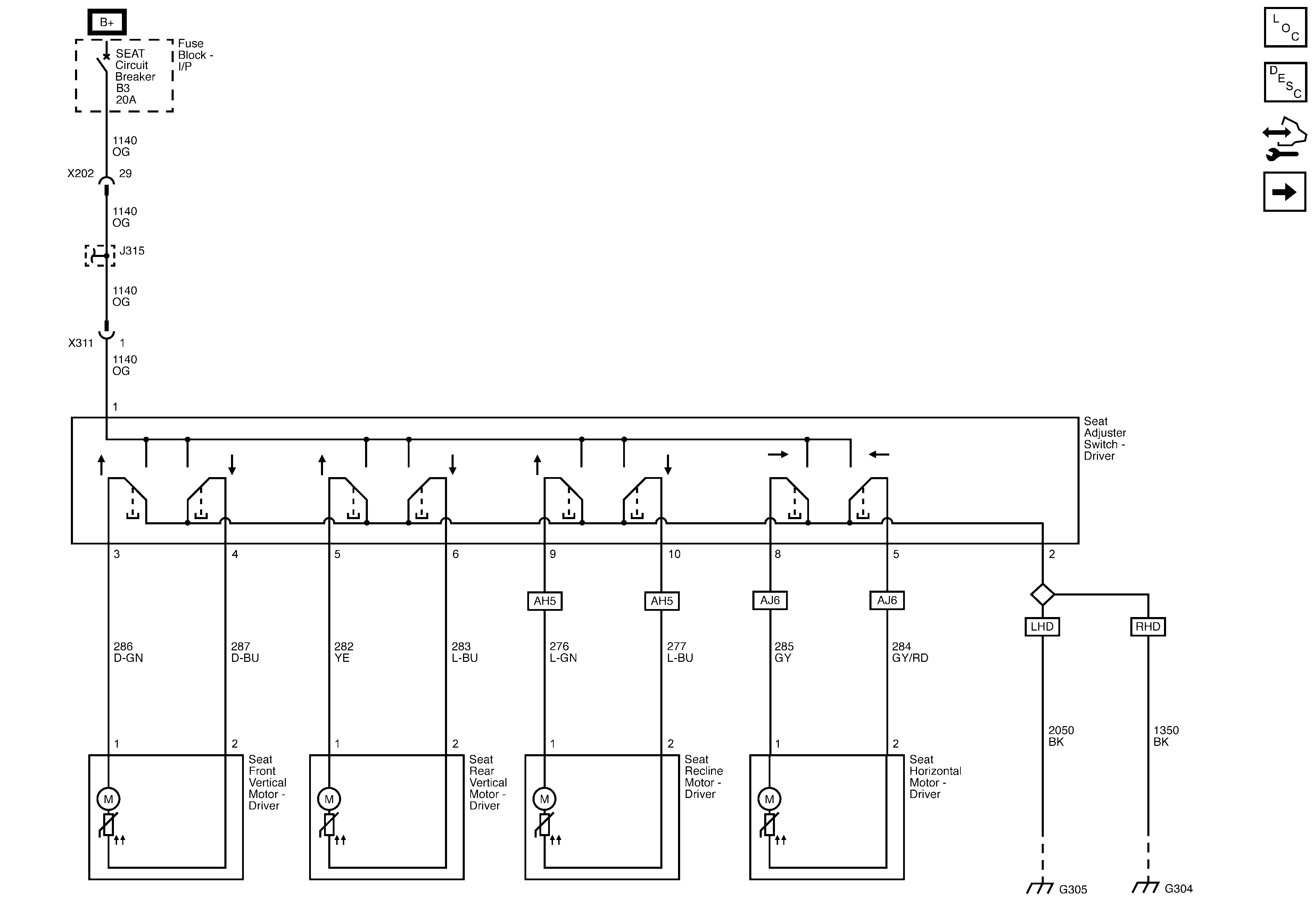
🢒 Driver Seat Schematics
Figure
1:
AH5/AH6/AJ6
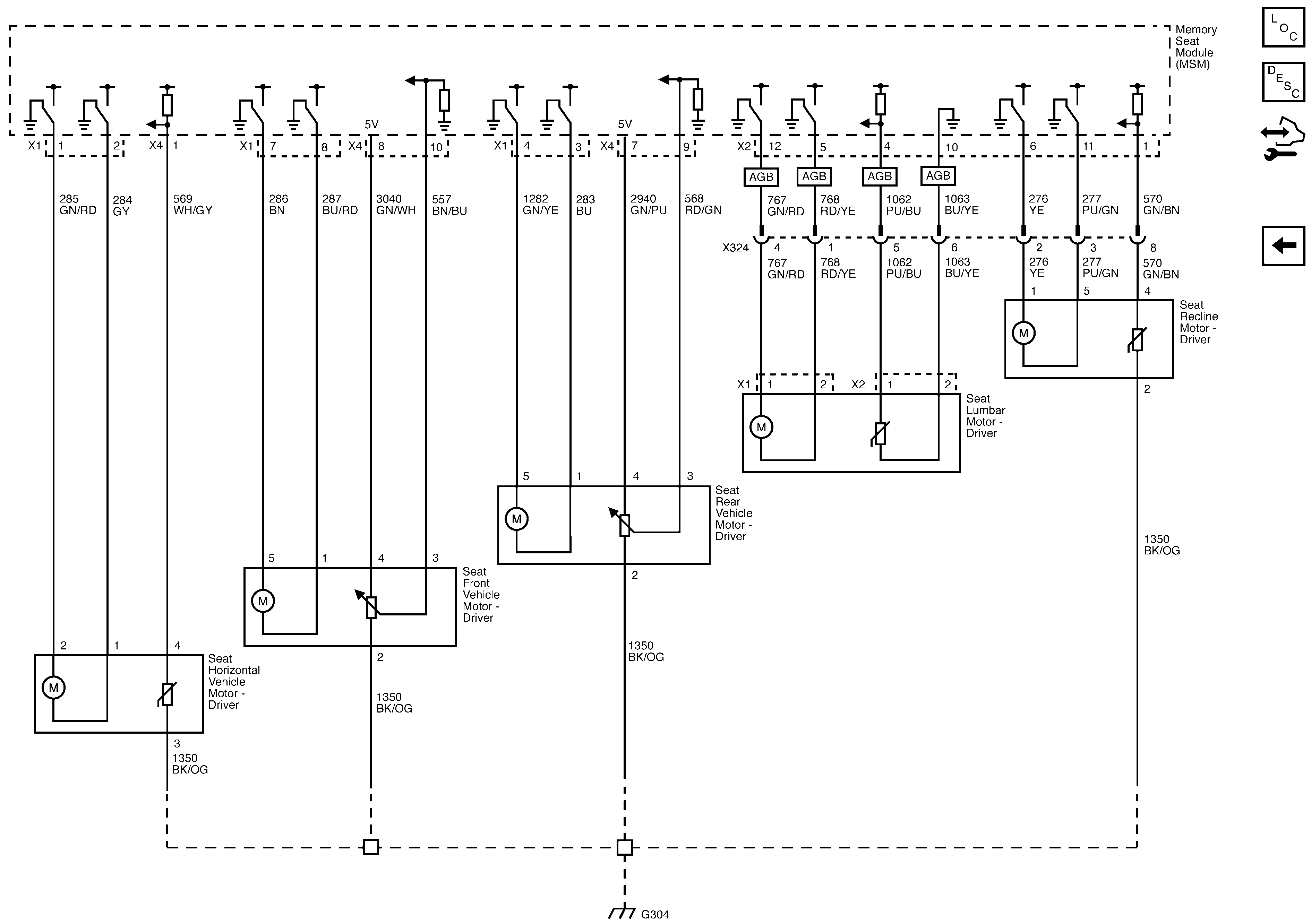
Figure
2:
Memory Seat Controls (AG3/AGB)
Figure
3:
Seat Motors and Position Sensors (AG3/AGB)