GM Service Manual Online
For 1990-2009 cars only
Makes
🢒
Holden
🢒
2008
🢒
VE Sedan
🢒
Diagnostic Navigation
🢒
Vehicle Diagnostic Information
🢒 Theft Deterrent System Schematics
Figure
1:
Theft Deterrent Module, Power, Ground, Serial Data -- BRL
Master Electrical Component List
Theft Systems Description and Operation
Control Module References
G201 - 1 of 2
Batt Main 4, BCM Logic, Console Lighting, IGNSW/Theft and Stop Lamps/Park Assist Fuses and Ignition Switch
Figure
2:
Theft Deterrent Module, Power, Ground, Serial Data - Except BRL
Master Electrical Component List
Theft Systems Description and Operation
Control Module References
G201 - 1 of 2
Batt Main 4, BCM Logic, Console Lighting, IGNSW/Theft and Stop Lamps/Park Assist Fuses and Ignition Switch
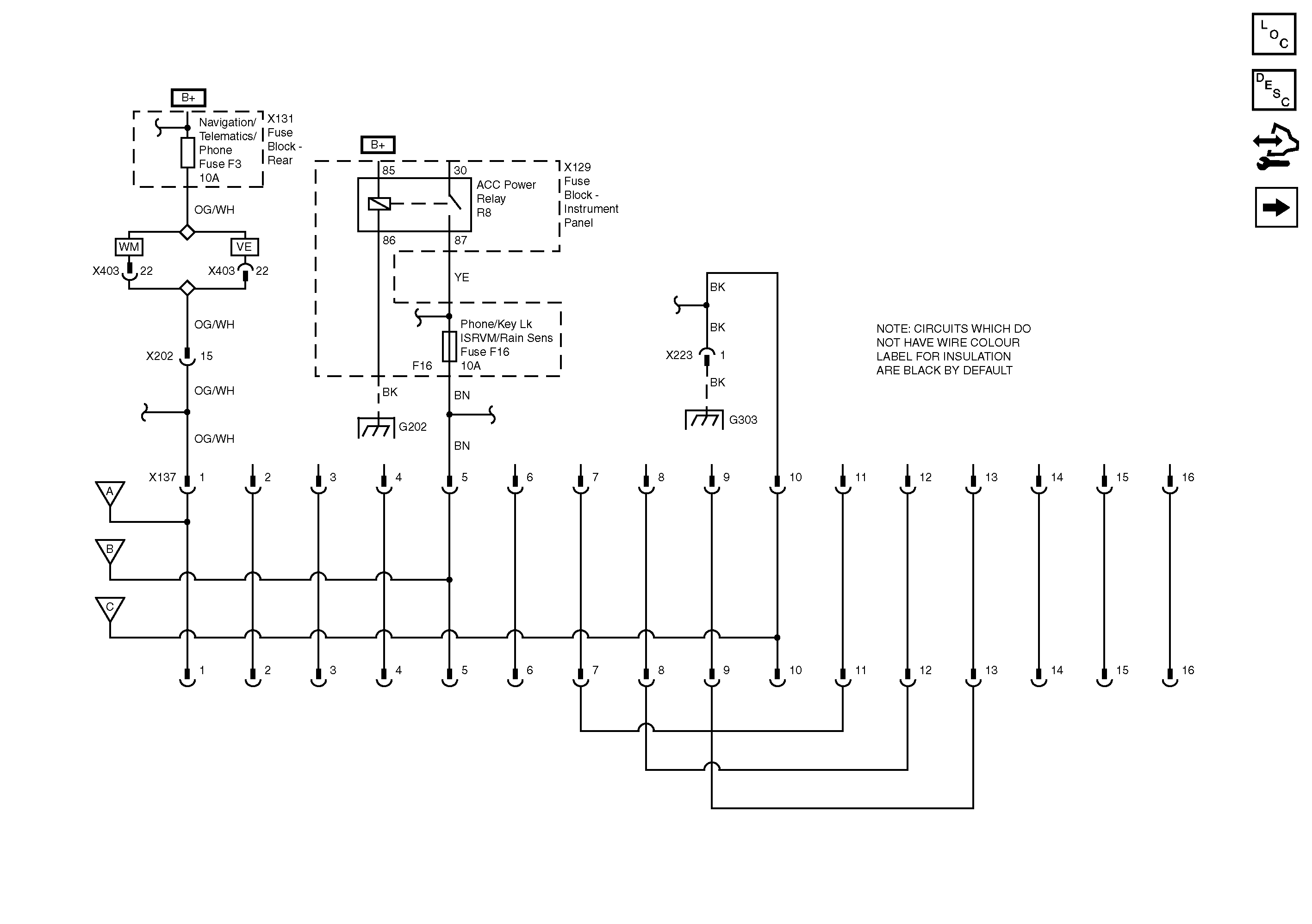
Figure
3:
Genuine Accessory Security System - Power/Ground Supply, Dealer Option Connector
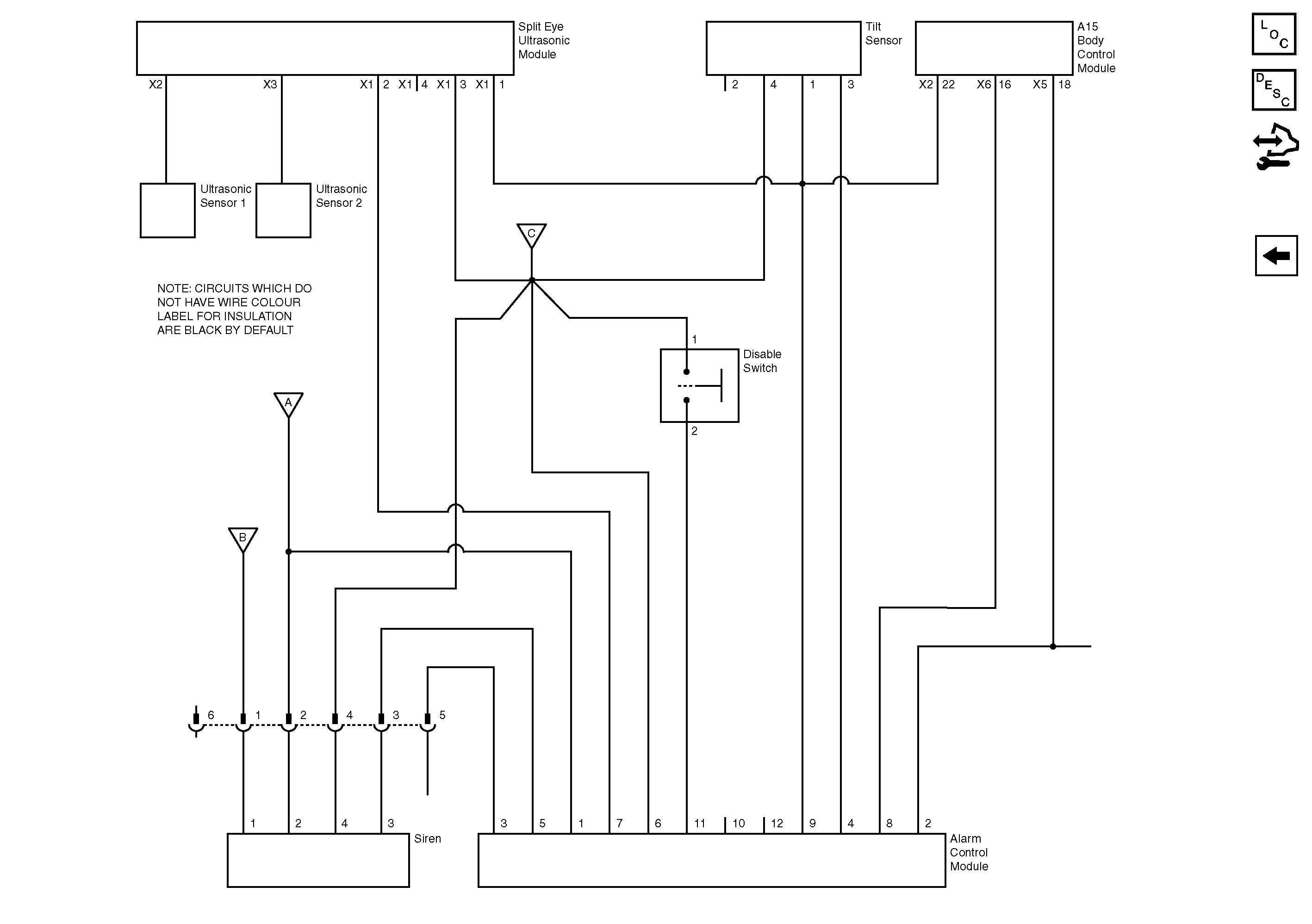
Figure
4:
Genuine Accessory Security System - Power/Ground Supply, Alarm Control Module, Disable Switch, Siren, Split Eye Ultrasonic Module, Tilt Sensor