GM Service Manual Online
For 1990-2009 cars only
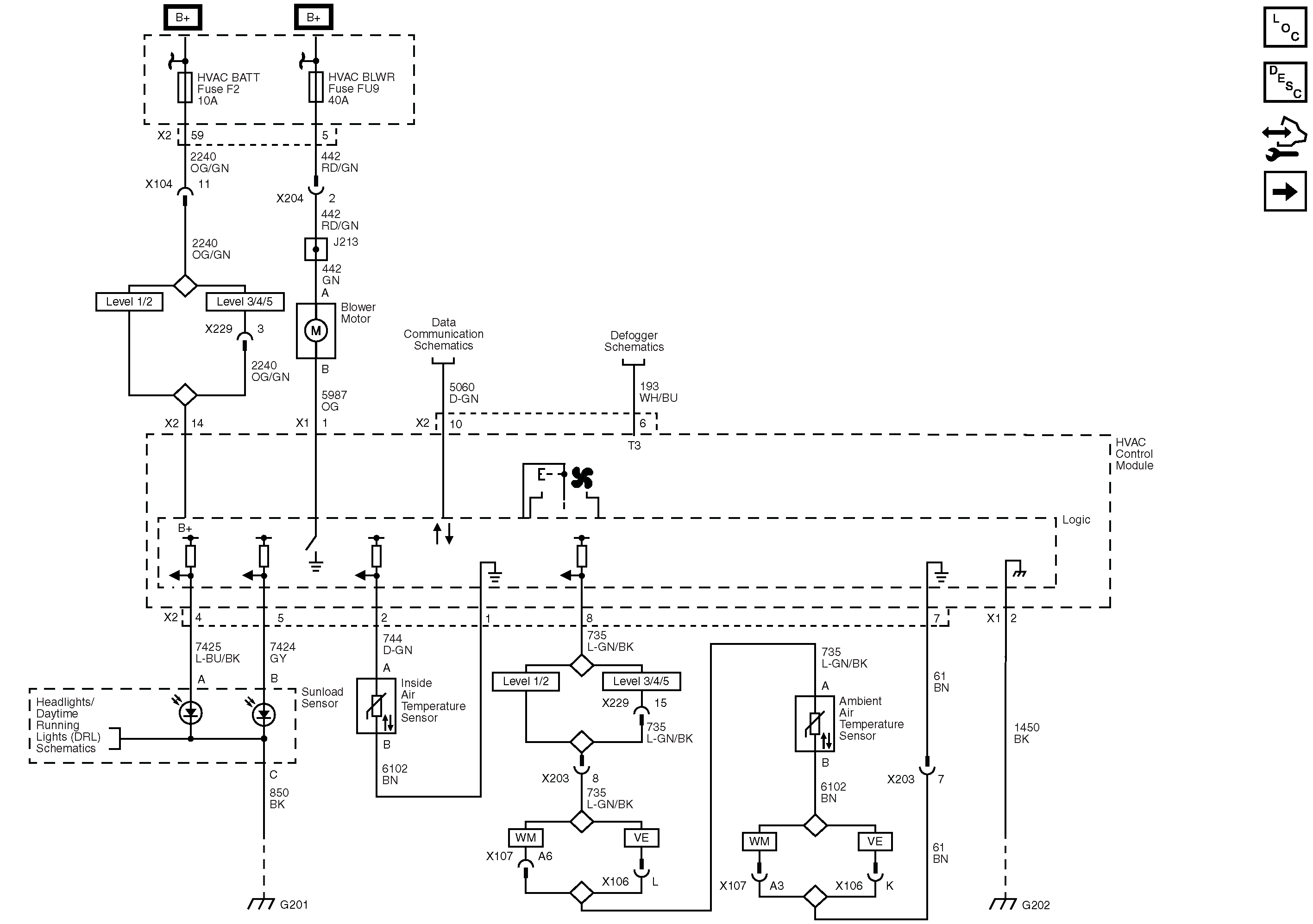
Figure 1:

HVAC Module, Power, Ground, Serial Data, Temperature Sensors. and Blower Control (Except BRL)


Object Number: 2031958  Size: FS
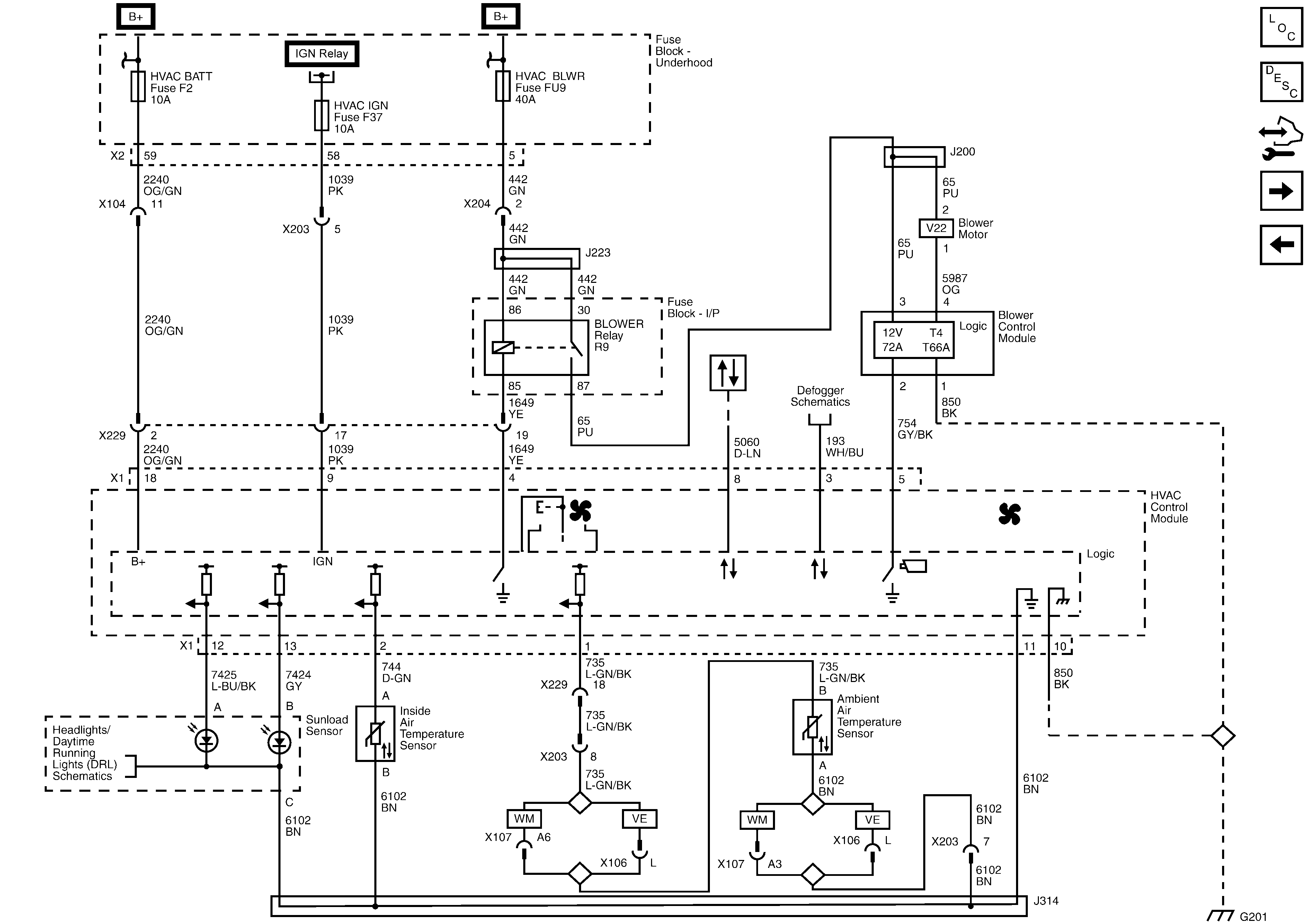
Figure 2:

HVAC Module, Power, Ground, Serial Data, Temperature Sensors, and Blower Control (BRL)


Object Number: 2170639  Size: FS
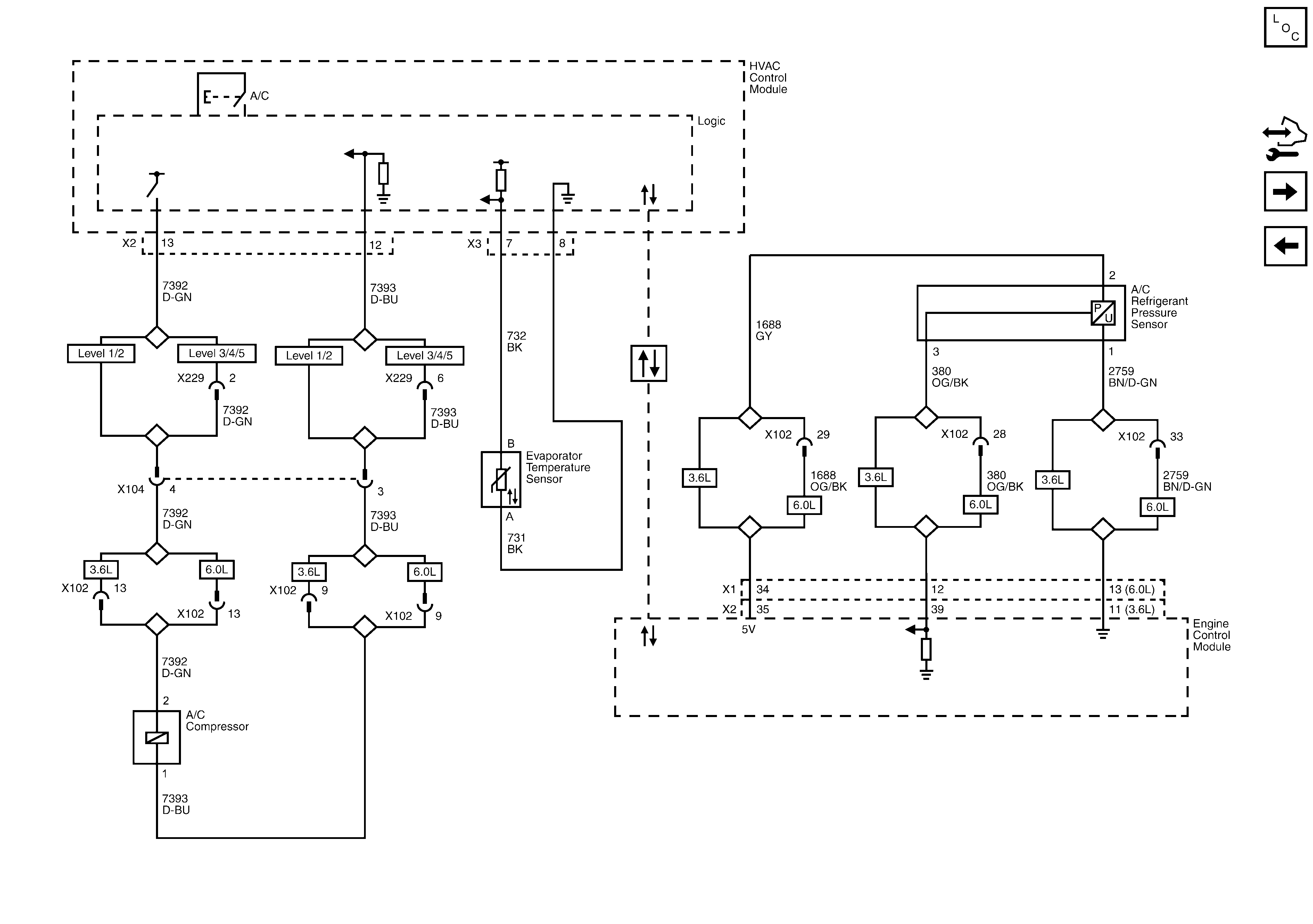
Figure 3:

Compressor Controls


Object Number: 2154291  Size: FS
Figure 4:

Air Delivery Controls - 1 of 2


Object Number: 2154298  Size: FS
Figure 5:

Air Delivery Controls - 2 of 2


Object Number: 2154303  Size: FS
Figure 6:

Rear Seat Controls


Object Number: 2170681  Size: FS