GM Service Manual Online
For 1990-2009 cars only
Makes
🢒
Holden
🢒
2008
🢒
VE Sedan
🢒
Diagnostic Navigation
🢒
Vehicle Diagnostic Information
🢒 Interior Lights Schematics
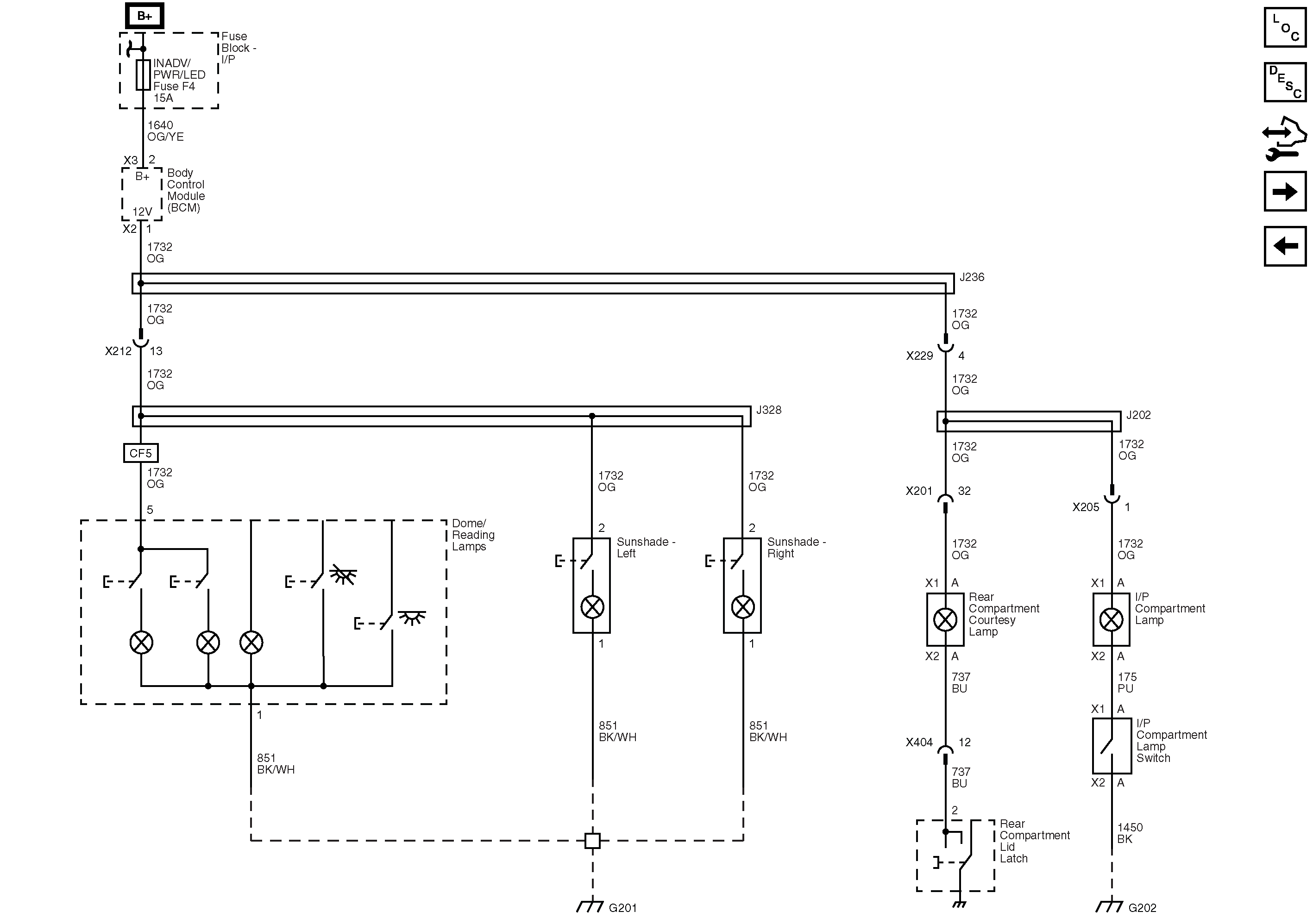
Figure
1:
Courtesy Lamps
Figure
2:
Inadvertent Lamps - 1 of 2
Figure
3:
Inadvertent Lamps - 2 of 2