GM Service Manual Online
For 1990-2009 cars only
Makes
🢒
Holden
🢒
2008
🢒
VE Sedan
🢒
Diagnostic Navigation
🢒
Vehicle Diagnostic Information
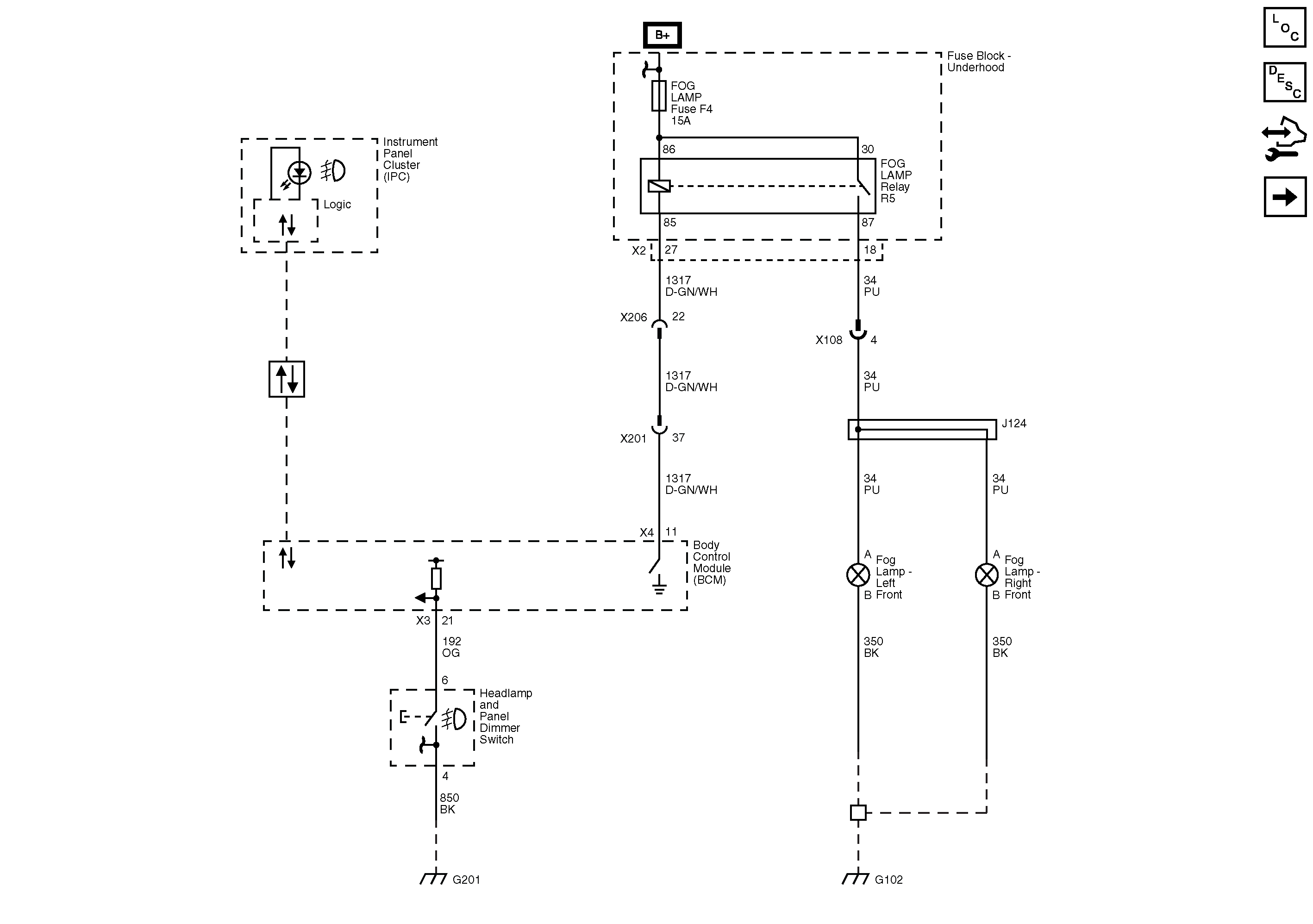
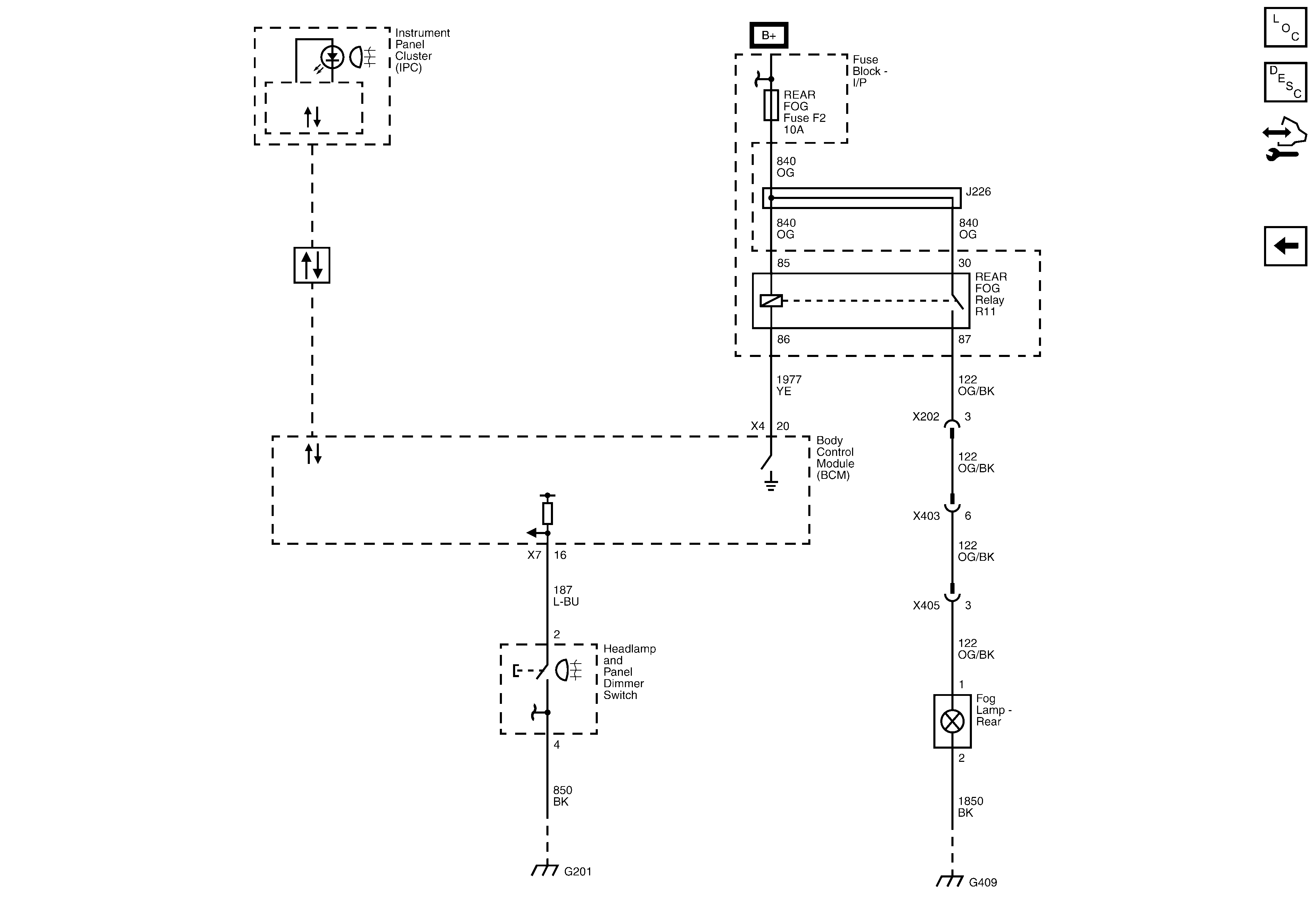
🢒 Fog Lights Schematics
Figure
1:
Front (T96)
Figure
2:
Rear (T79)