GM Service Manual Online
For 1990-2009 cars only
Makes
🢒
Holden
🢒
2008
🢒
VE Sedan
🢒
Diagnostic Navigation
🢒
Vehicle Diagnostic Information
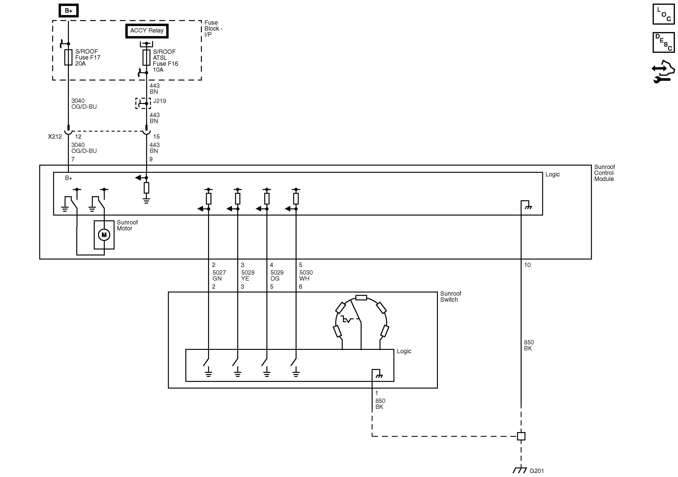
🢒 Sunroof Schematics