GM Service Manual Online
For 1990-2009 cars only
Makes
🢒
Holden
🢒
2008
🢒
VE Sedan
🢒
Diagnostic Navigation
🢒
Vehicle Diagnostic Information
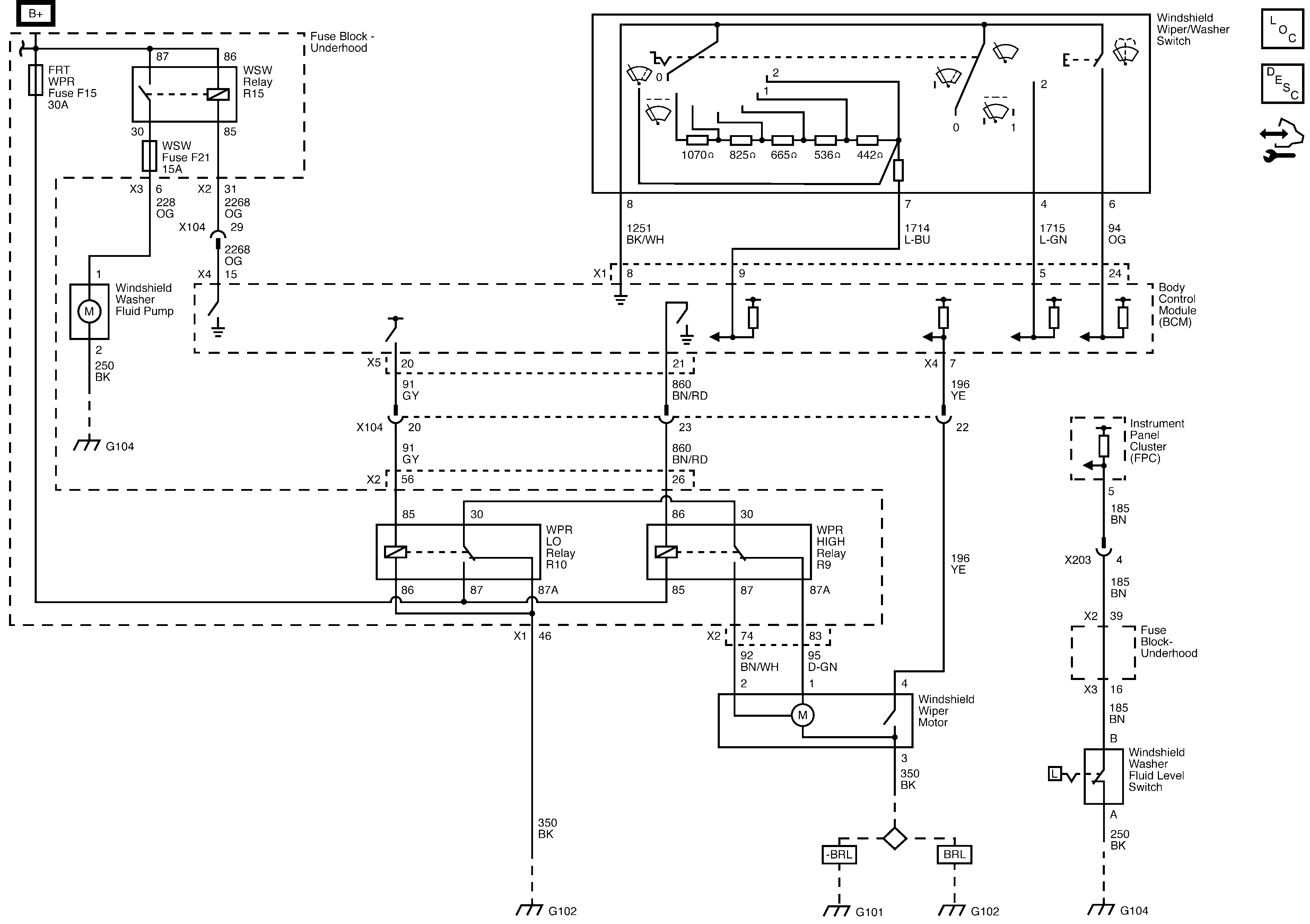
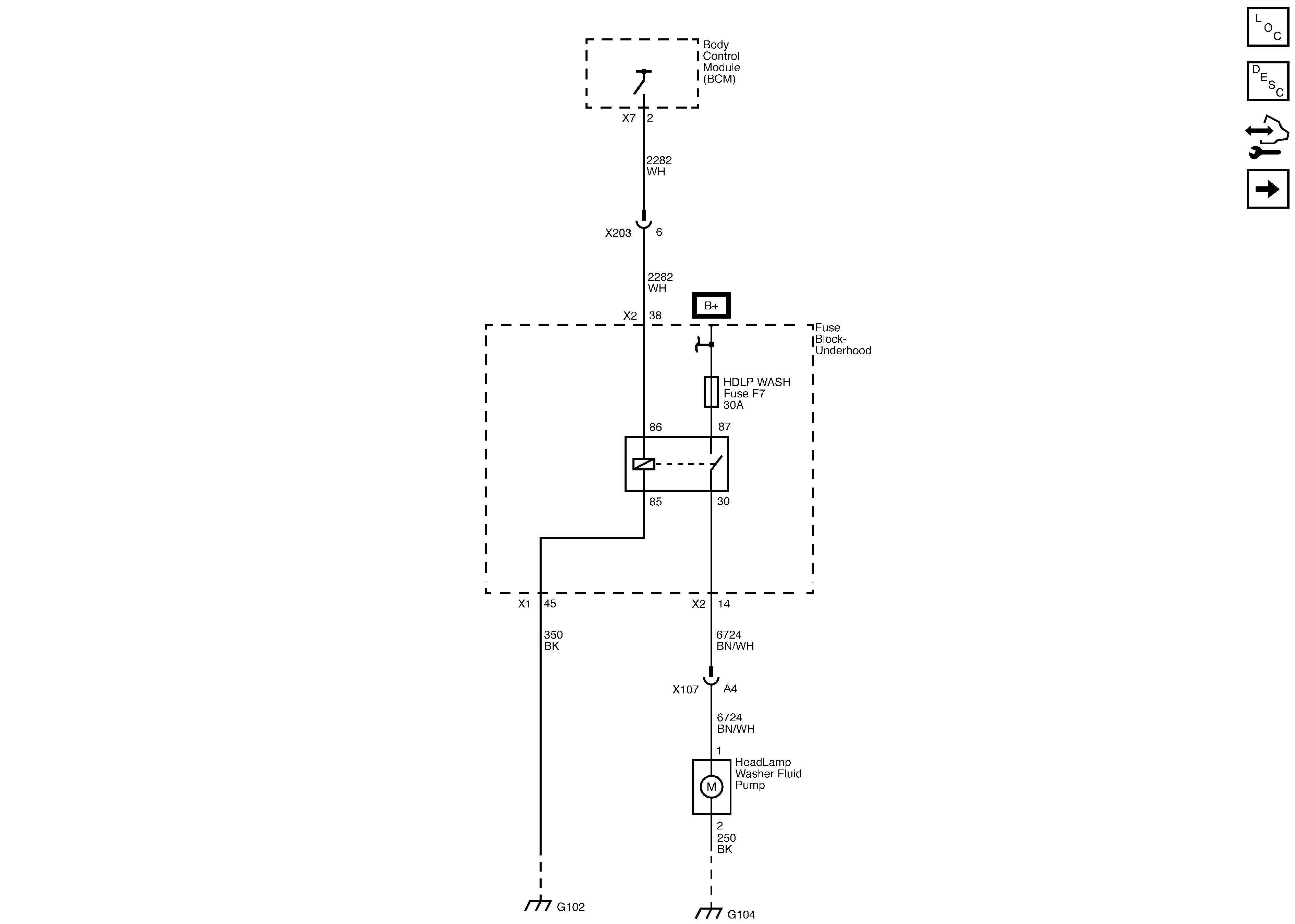
🢒 Wiper/Washer Schematics
Figure
1:
Wiper/Washer Control
Figure
2:
Outside Moisture Sensing
Figure
3:
Headlamp Washers