GM Service Manual Online
For 1990-2009 cars only
Makes
🢒
Holden
🢒
2008
🢒
VE Sedan
🢒
Diagnostic Navigation
🢒
Vehicle Diagnostic Information
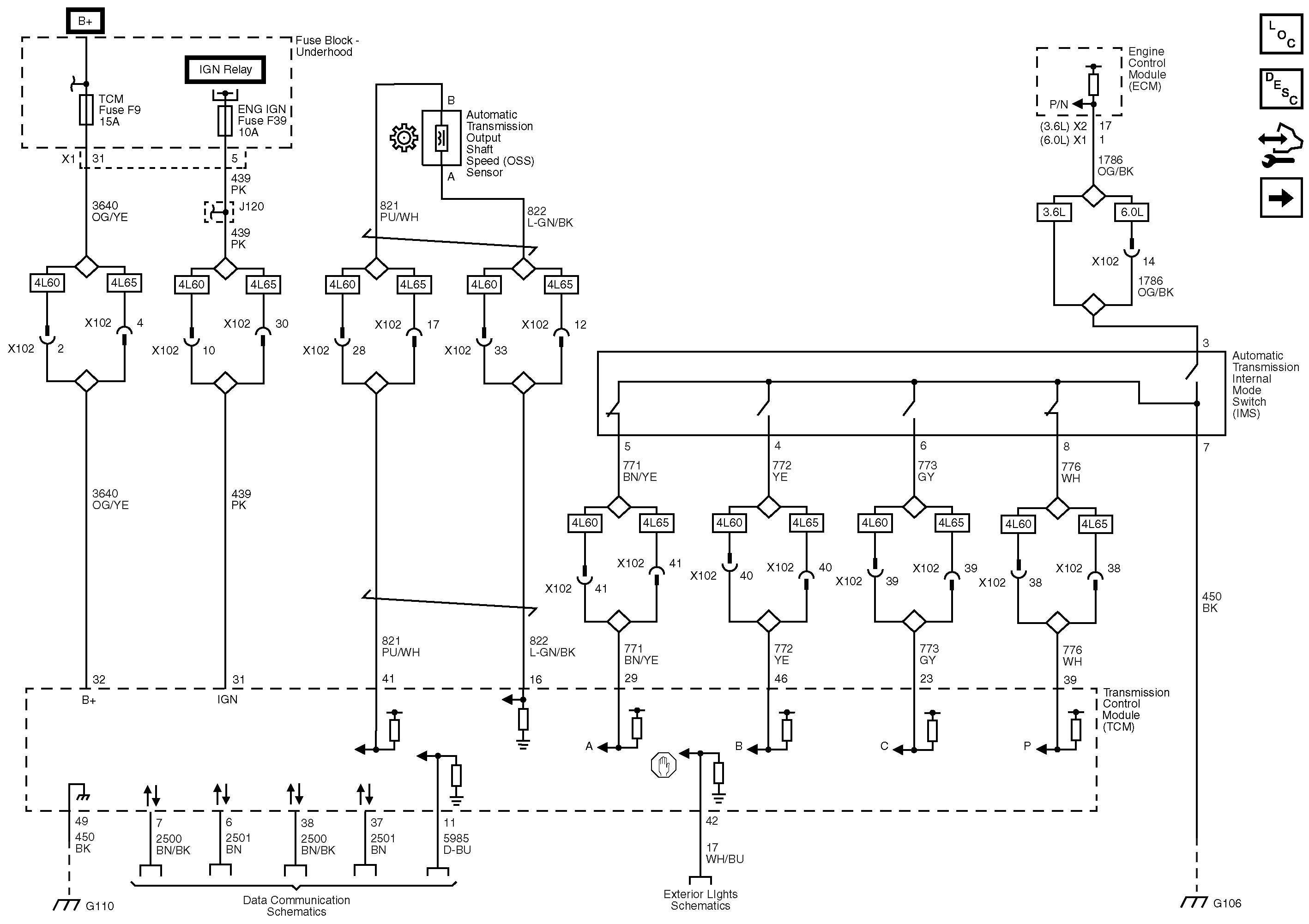
🢒 Automatic Transmission Controls Schematics
Figure
1:
TCM and Transmission, Power, Ground, Serial Data, Inputs and Outputs
Figure
2:
NSBU Switch and TOSS Sensor
Figure
3:
TCM and Transmission, Power, Ground, Serial Data, Inputs and Outputs