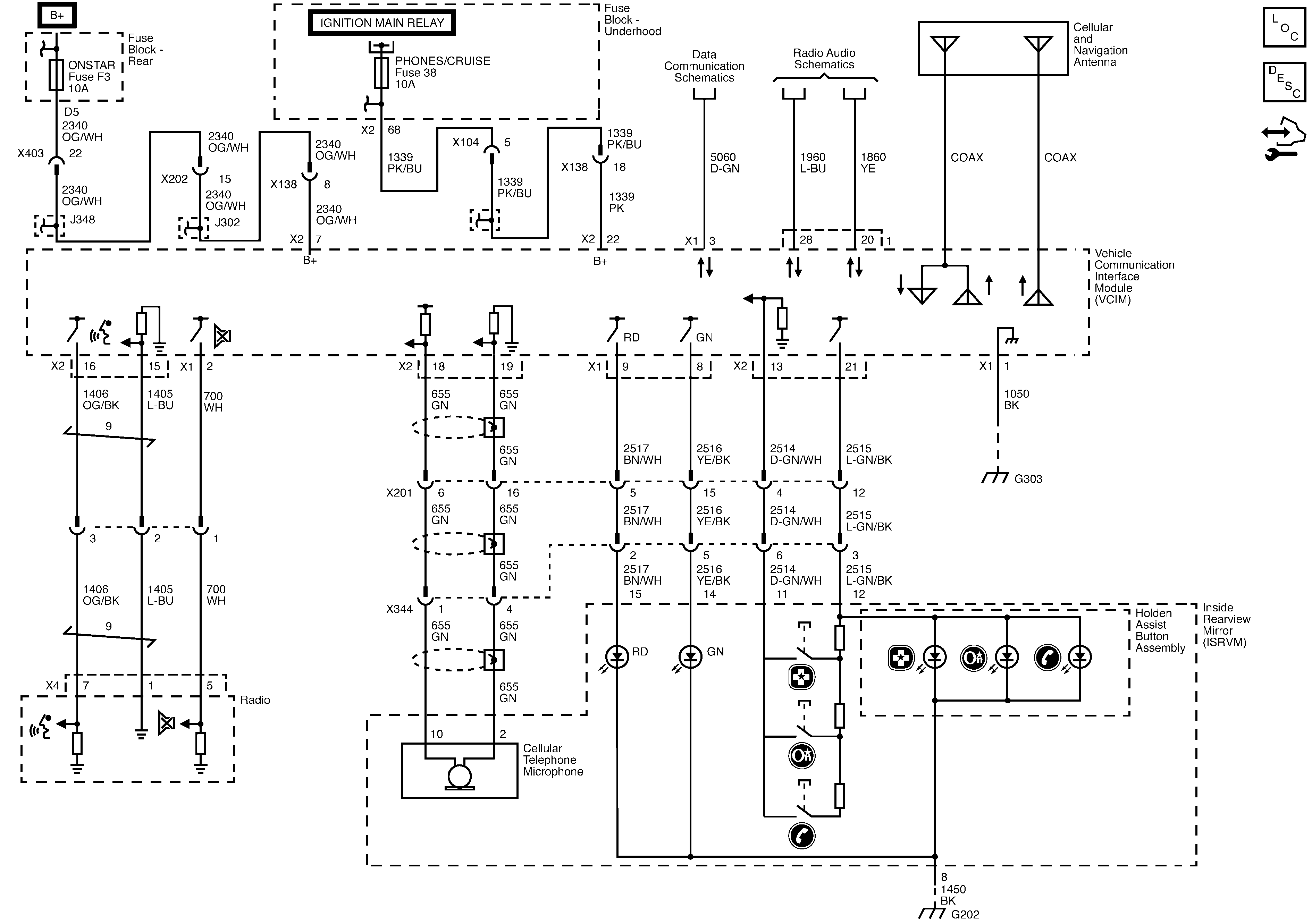
GM Service Manual Online
For 1990-2009 cars only
Makes
🢒
Holden
🢒
2008
🢒
VE Sedan
🢒
Driver Information and Entertainment
🢒
Cellular, Entertainment, and Navigation
🢒 Telematics Schematics
Holden Assist (U5J)