GM Service Manual Online
For 1990-2009 cars only
Figure 1:

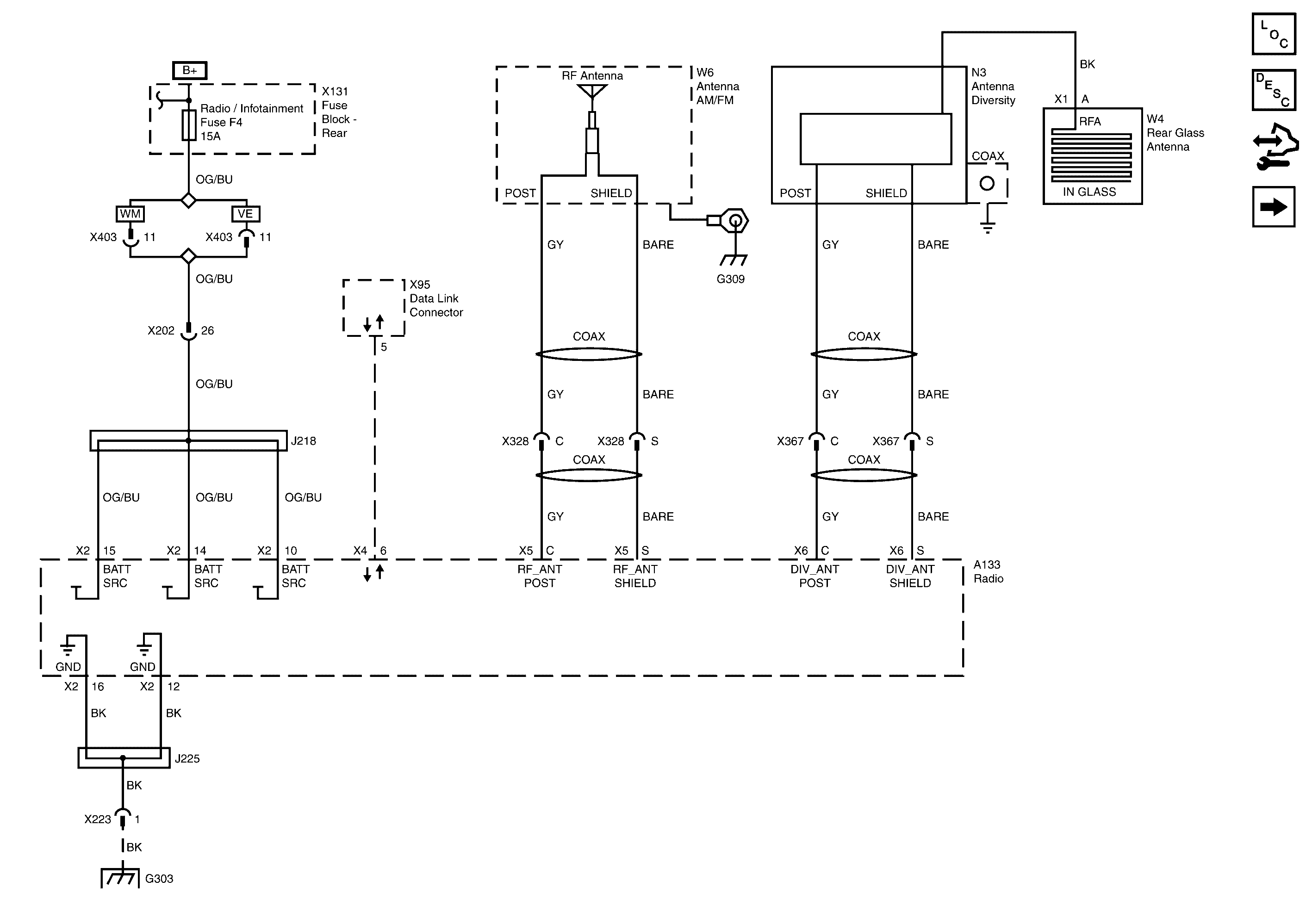
Radio, AM/FM Antenna and Diversity Antenna -- BRL


Object Number: 2031955  Size: FS
Master Electrical Component List
Radio/Audio System Description and Operation SWBRHD
Control Module References
Speaker Inputs and Outputs
G303 and G304 - 1 of 2
Figure 2:

Radio, AM/FM Antenna and Diversity Antenna - Except BRL


Object Number: 1957872  Size: FS
Master Electrical Component List
Radio/Audio System Description and Operation SWBRHD
Control Module References
Speaker Inputs and Outputs
G303 and G304 - 1 of 2
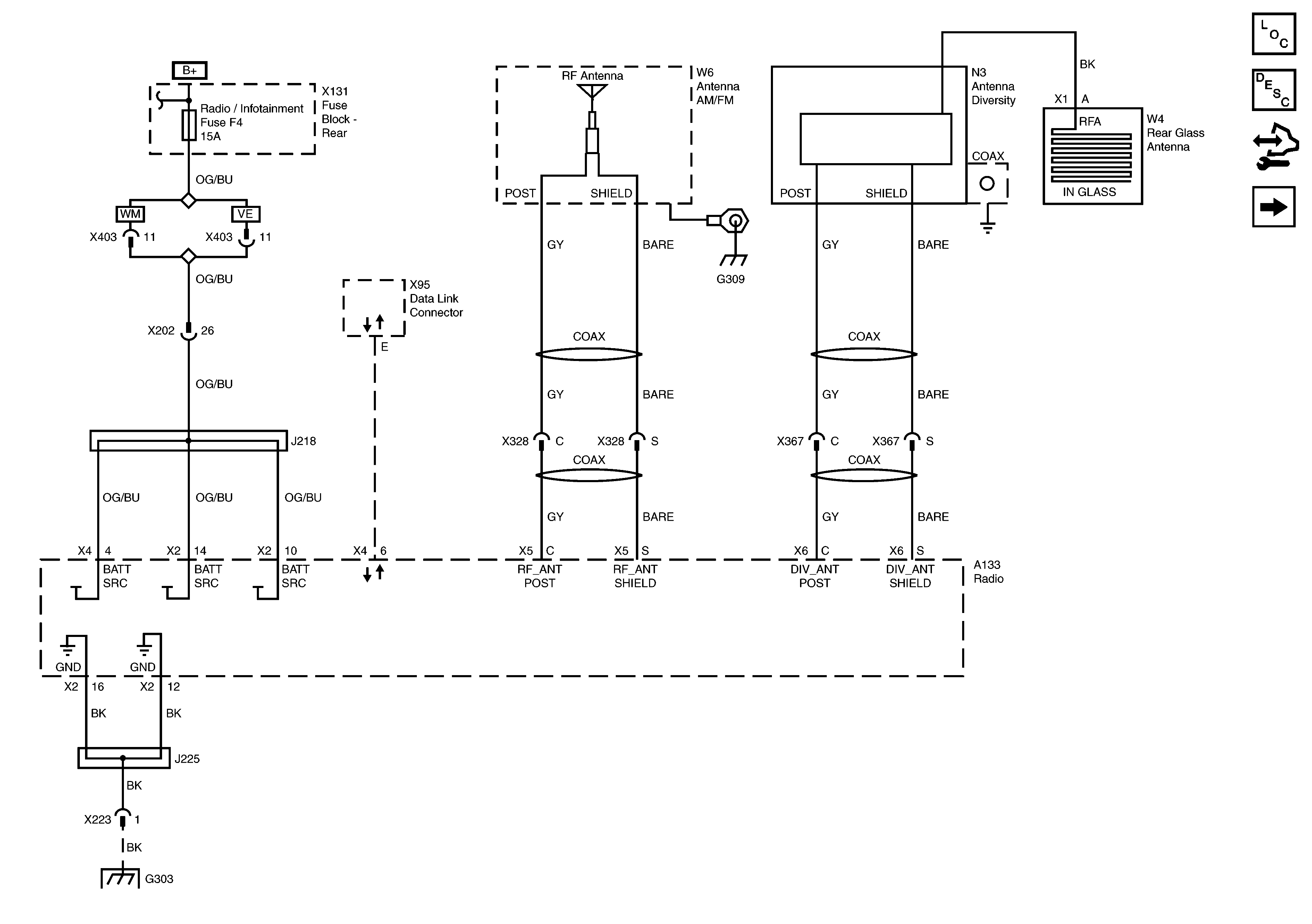
Figure 3:

Speaker Inputs and Outputs


Object Number: 1957890  Size: FS
Master Electrical Component List
Radio/Audio System Description and Operation SWBRHD
Control Module References
Radio, AM/FM Antenna and Diversity Antenna
Speaker Inputs and Outputs
Bluetooth System
Bluetooth System
Entertainment/Communication Schematic Icons
Entertainment/Communication Schematic Icons
Entertainment/Communication Schematic Icons
Entertainment/Communication Schematic Icons
Entertainment/Communication Schematic Icons
Entertainment/Communication Schematic Icons
Entertainment/Communication Schematic Icons
Entertainment/Communication Schematic Icons
Entertainment/Communication Schematic Icons
Entertainment/Communication Schematic Icons
Entertainment/Communication Schematic Icons
Entertainment/Communication Schematic Icons
Entertainment/Communication Schematic Icons
Entertainment/Communication Schematic Icons
Entertainment/Communication Schematic Icons
Entertainment/Communication Schematic Icons
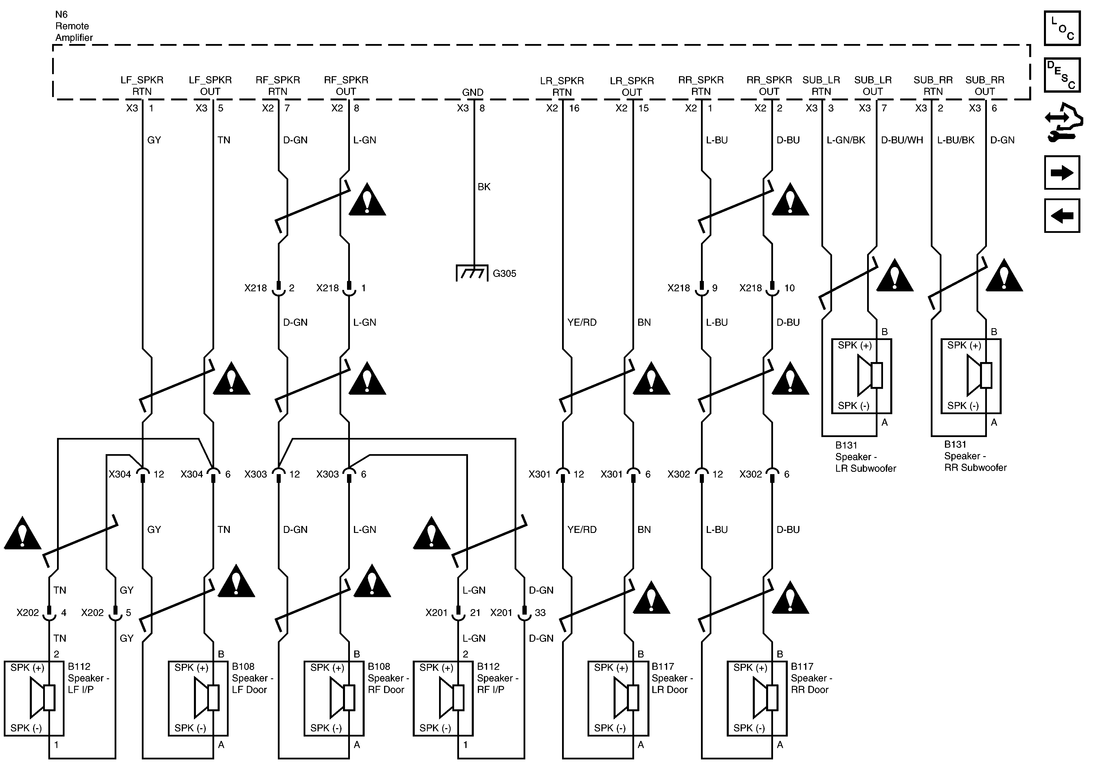
Speaker Inputs and Outputs
Speaker Inputs and Outputs
Speaker Inputs and Outputs
Speaker Inputs and Outputs
Figure 4:

Speaker Inputs and Outputs


Object Number: 1957892  Size: FS
Master Electrical Component List
Radio/Audio System Description and Operation SWBRHD
Control Module References
Amplifier and Rear Subwoofers
Speaker Inputs and Outputs
Entertainment/Communication Schematic Icons
Entertainment/Communication Schematic Icons
Entertainment/Communication Schematic Icons
Entertainment/Communication Schematic Icons
Entertainment/Communication Schematic Icons
Entertainment/Communication Schematic Icons
Entertainment/Communication Schematic Icons
Entertainment/Communication Schematic Icons
Entertainment/Communication Schematic Icons
Entertainment/Communication Schematic Icons
Entertainment/Communication Schematic Icons
Entertainment/Communication Schematic Icons
Entertainment/Communication Schematic Icons
Entertainment/Communication Schematic Icons
Entertainment/Communication Schematic Icons
Entertainment/Communication Schematic Icons
Entertainment/Communication Schematic Icons
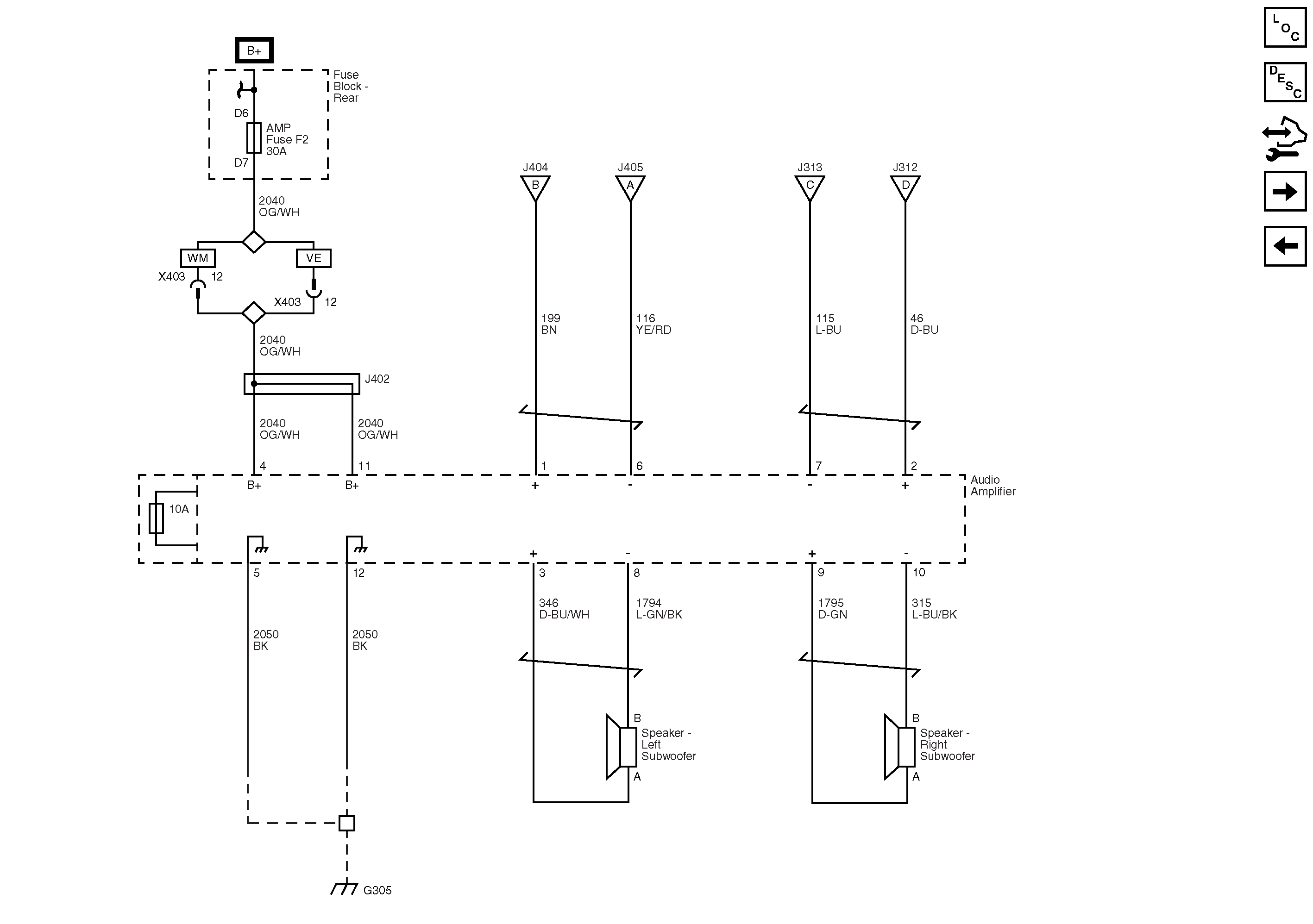
Amplifier and Rear Subwoofers
Amplifier and Rear Subwoofers
Amplifier and Rear Subwoofers
Bluetooth System
Bluetooth System
Bluetooth System
Bluetooth System
Figure 5:

Amplifier and Rear Subwoofers


Object Number: 1957864  Size: FS
Master Electrical Component List
Radio/Audio System Description and Operation SWBRHD
Control Module References
Radio to Amplifier
Speaker Inputs and Outputs
Entertainment/Communication Schematic Icons
Entertainment/Communication Schematic Icons
Speaker Inputs and Outputs
Speaker Inputs and Outputs
Speaker Inputs and Outputs
Speaker Inputs and Outputs
G303 and G304 - 2 of 2 and G305 - 1 of 2
Figure 6:

Radio to Amplifier


Object Number: 1957869  Size: FS
Master Electrical Component List
Radio/Audio System Description and Operation SWBRHD
Control Module References
Speaker Inputs and Outputs
Amplifier and Rear Subwoofers
Entertainment/Communication Schematic Icons
Entertainment/Communication Schematic Icons
Entertainment/Communication Schematic Icons
Entertainment/Communication Schematic Icons
Entertainment/Communication Schematic Icons
Entertainment/Communication Schematic Icons
Entertainment/Communication Schematic Icons
Entertainment/Communication Schematic Icons
Entertainment/Communication Schematic Icons
Entertainment/Communication Schematic Icons
Entertainment/Communication Schematic Icons
Entertainment/Communication Schematic Icons
B+ Bus - 1 of 2
Figure 7:

Speaker Inputs and Outputs


Object Number: 1957866  Size: FS
Master Electrical Component List
Radio/Audio System Description and Operation SWBRHD
Control Module References
Speaker Inputs and Outputs
Radio to Amplifier
Entertainment/Communication Schematic Icons
Entertainment/Communication Schematic Icons
Entertainment/Communication Schematic Icons
Entertainment/Communication Schematic Icons
Entertainment/Communication Schematic Icons
Entertainment/Communication Schematic Icons
Entertainment/Communication Schematic Icons
Entertainment/Communication Schematic Icons
Entertainment/Communication Schematic Icons
Entertainment/Communication Schematic Icons
Entertainment/Communication Schematic Icons
Entertainment/Communication Schematic Icons
Entertainment/Communication Schematic Icons
Entertainment/Communication Schematic Icons
G303 and G304 - 2 of 2 and G305 - 1 of 2
Figure 8:

Steering Wheel Controls Switch and Inflatable Restraint Steering Wheel Module Coil Inputs and Outputs


Object Number: 1957894  Size: FS
Master Electrical Component List
Radio/Audio System Description and Operation SWBRHD
Control Module References
Rear Seat Entertainment Interface Module to Video Display - Premium (2 of 2)
G201 - 1 of 2
Instrument Cluster Power, Ground, Serial Data, Inputs and Outputs
Instrument Cluster Power, Ground, Serial Data, Inputs and Outputs
Ignition Key Cylinder Lamp, Courtesy Lamps, Compartment Lamps and Sunshade Lamps, Power and Ground
Instrument Cluster Power, Ground, Serial Data, Inputs and Outputs