GM Service Manual Online
For 1990-2009 cars only
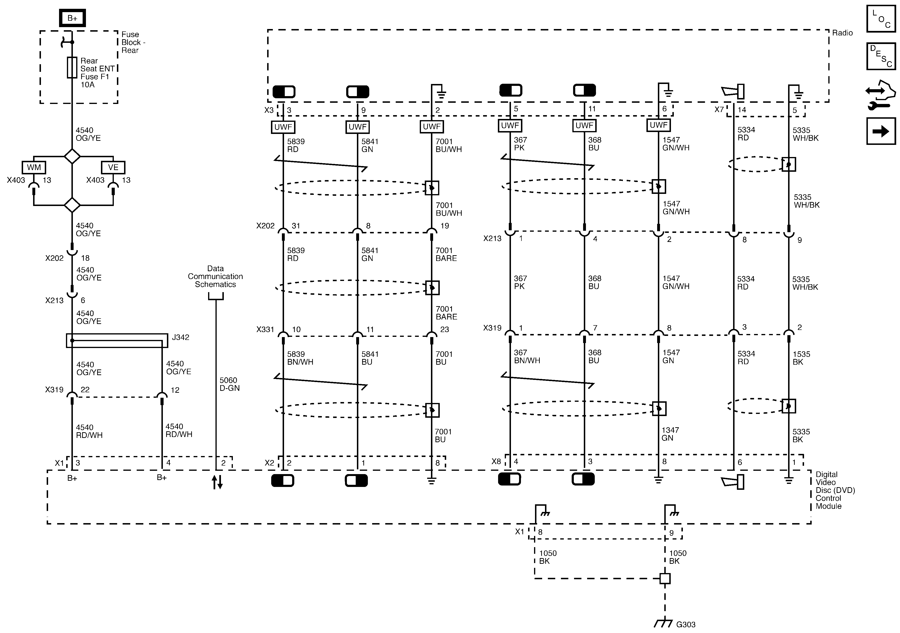
Figure 1:

Module Power, Ground, Serial Data, and Radio Inputs


Object Number: 2137403  Size: FS
Figure 2:

DVD Controls


Object Number: 2137405  Size: FS
Figure 3:

DVD Player Signals


Object Number: 2137409  Size: FS
Figure 4:

Video Display (U56)


Object Number: 2137411  Size: FS
Figure 5:

Left Display (UWF)


Object Number: 2137413  Size: FS
Figure 6:

Right Display (UWF)


Object Number: 2137414  Size: FS