GM Service Manual Online
For 1990-2009 cars only
Makes
🢒
Holden
🢒
2008
🢒
VE Sedan
🢒
Transmission/Transaxle
🢒
Manual Transmission - Tremec 6-Speed
🢒 Manual Transmission Schematics
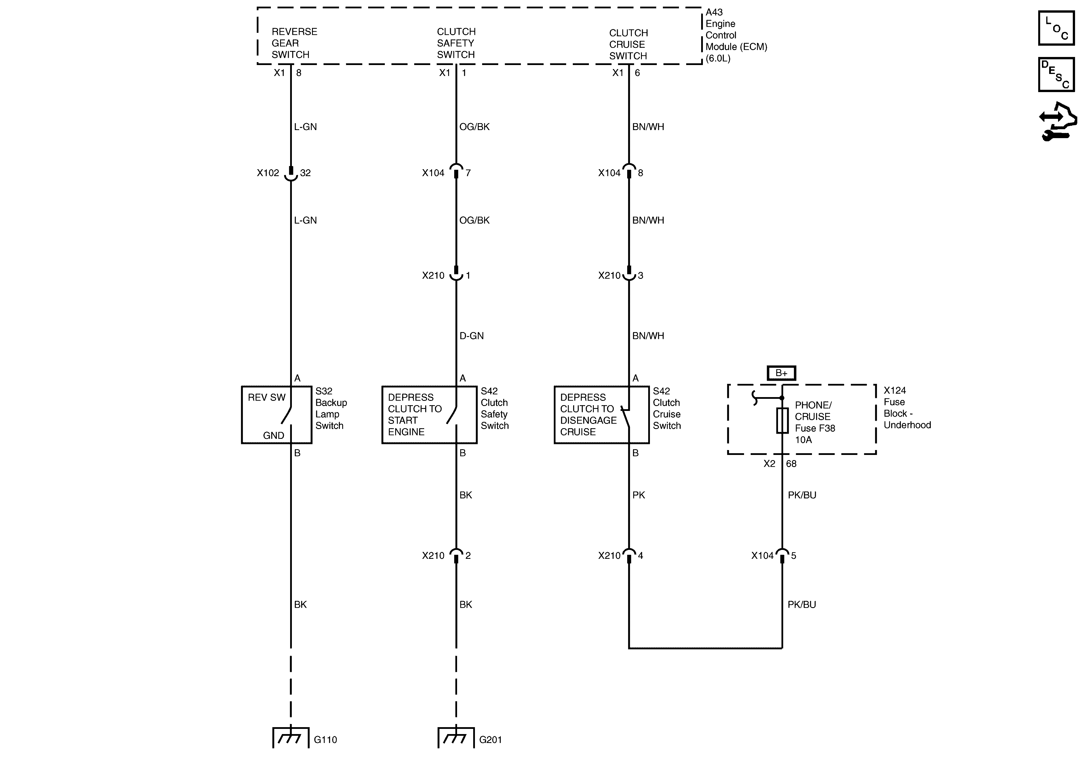
Back up Lamp and Clutch Switches
Master Electrical Component List
Manual Transmission Description and Operation
Control Module References
G103, G110, G111 and G112 (6.0L)
G201 - 1 of 2