GM Service Manual Online
For 1990-2009 cars only
Makes
🢒
Holden
🢒
2008
🢒
VE Sedan
🢒
Power and Signal Distribution
🢒
Data Communications
🢒 Data Communication Schematics
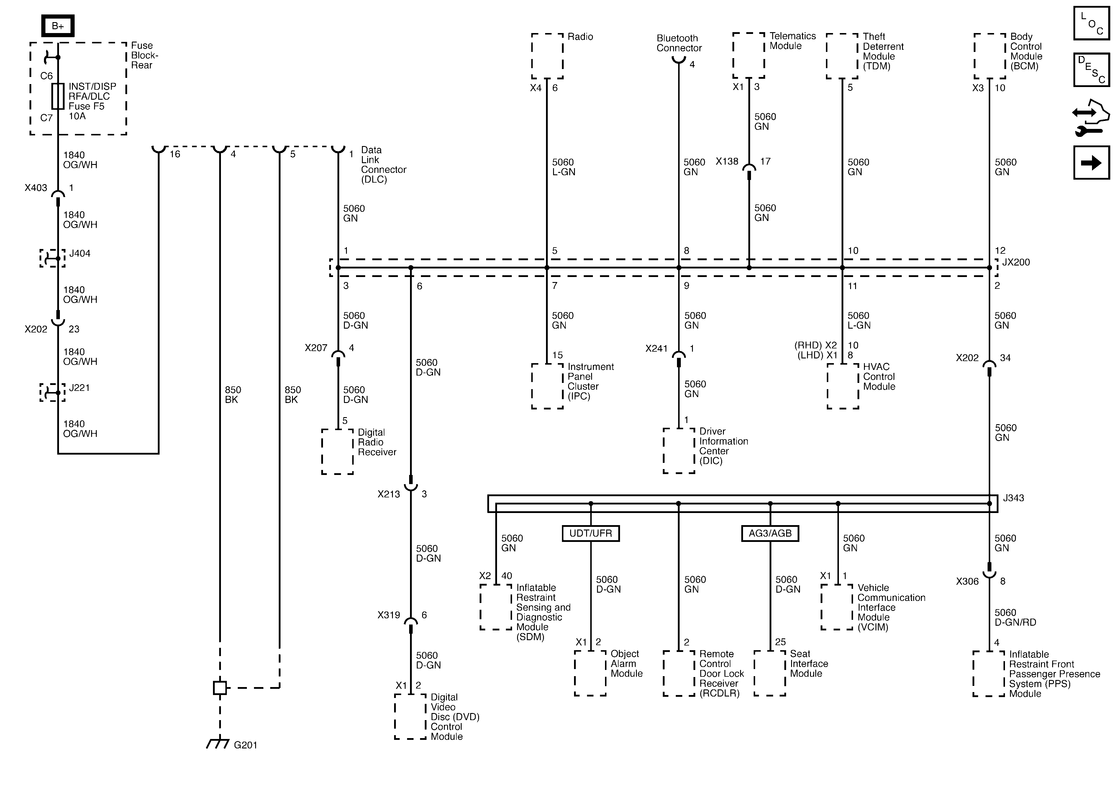
Figure
1:
Low Speed
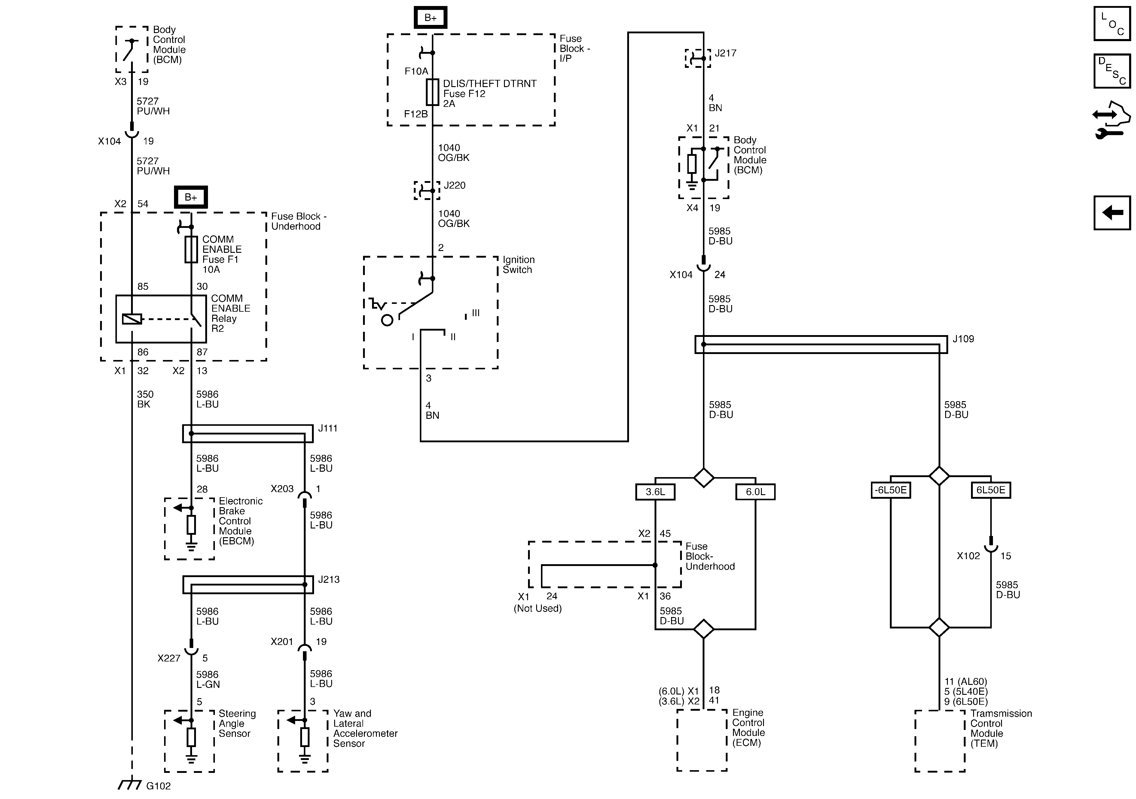
Figure
2:
High Speed
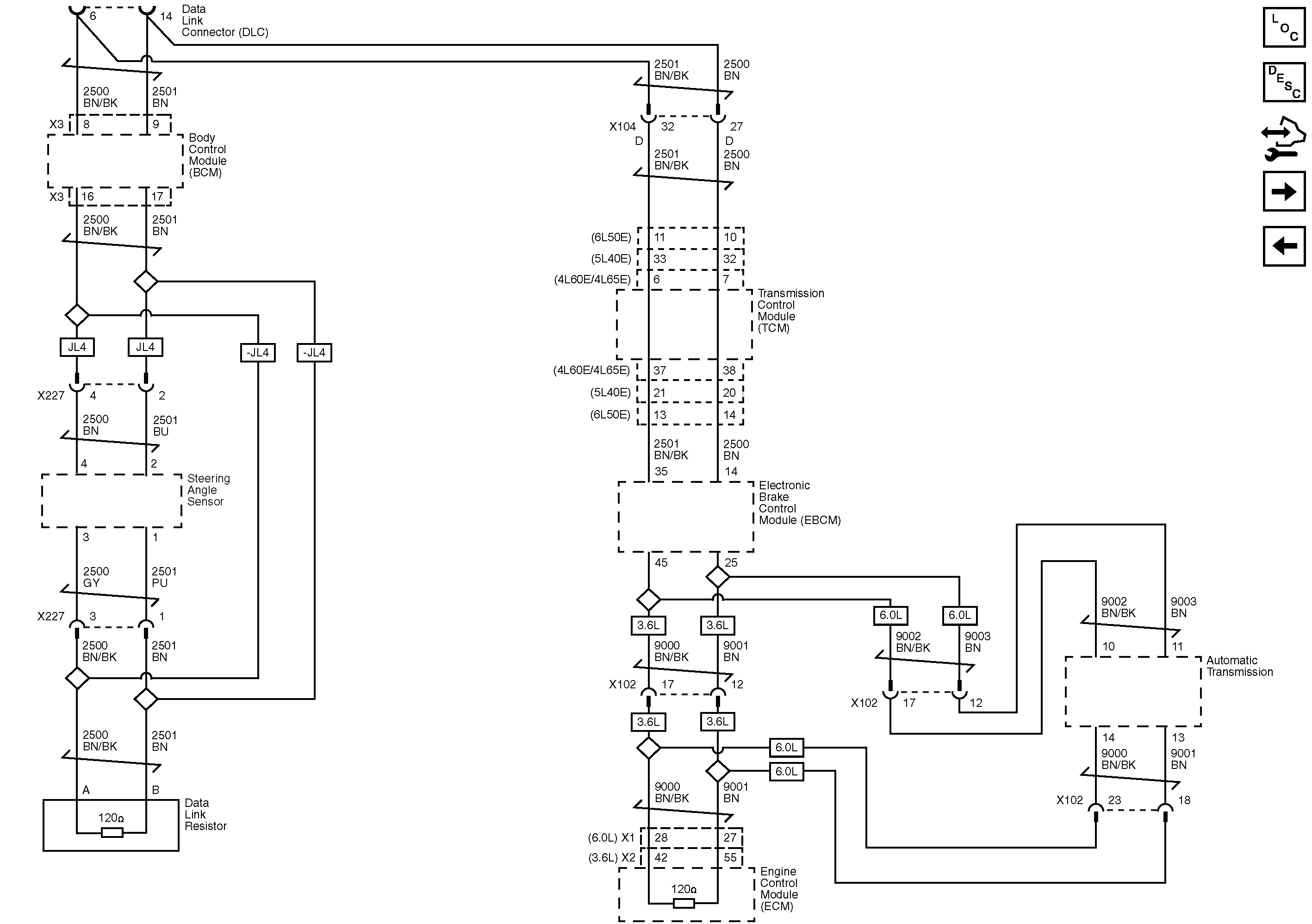
Figure
3:
Accessory Wakeup Serial Data