GM Service Manual Online
For 1990-2009 cars only
Makes
🢒
Holden
🢒
2008
🢒
VE Sedan
🢒
Power and Signal Distribution
🢒
Power Outlets
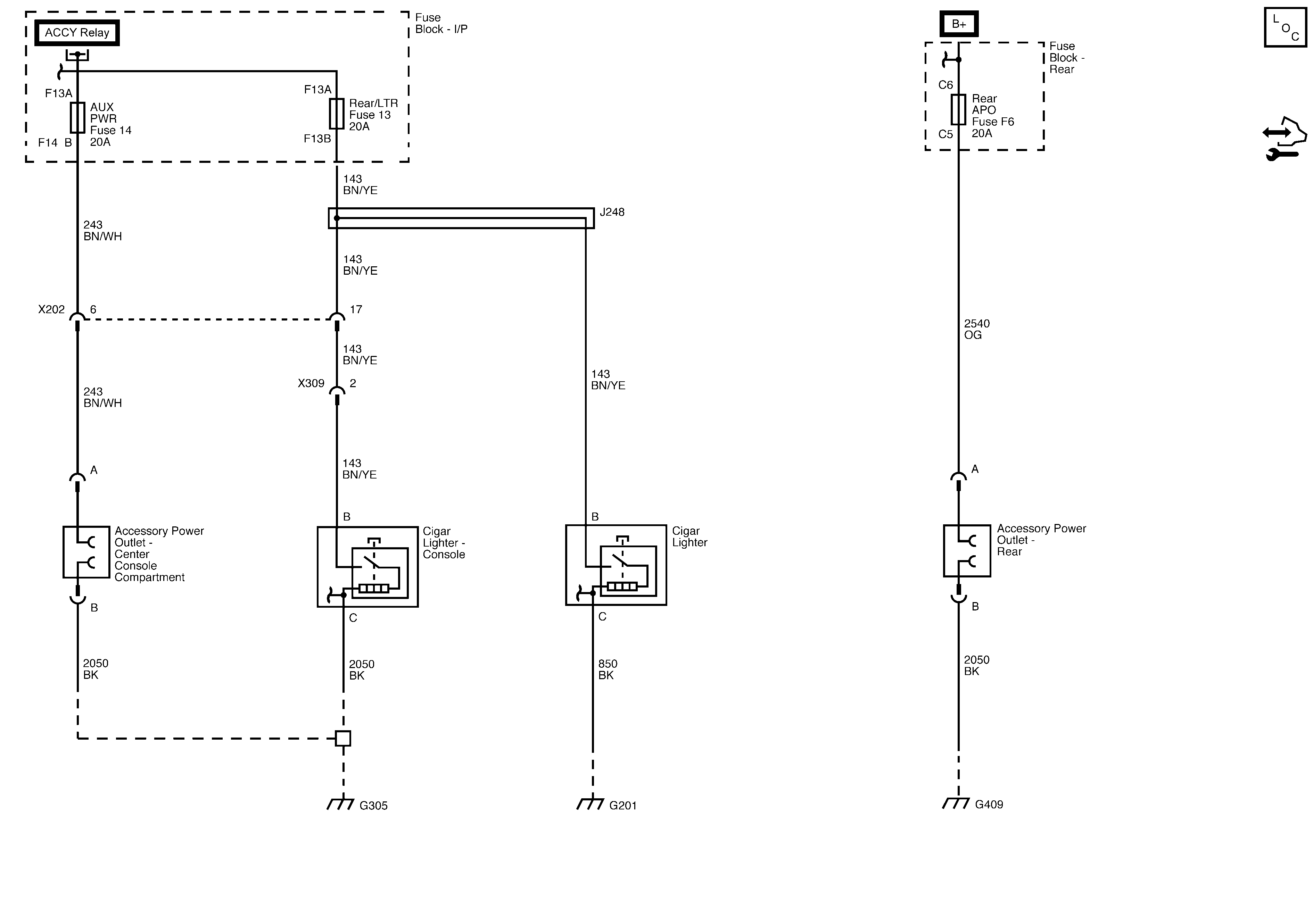
🢒 Cigar Lighter/Power Outlet Schematics