GM Service Manual Online
For 1990-2009 cars only
Makes
🢒
Holden
🢒
2008
🢒
VE Sedan
🢒
Safety and Security
🢒
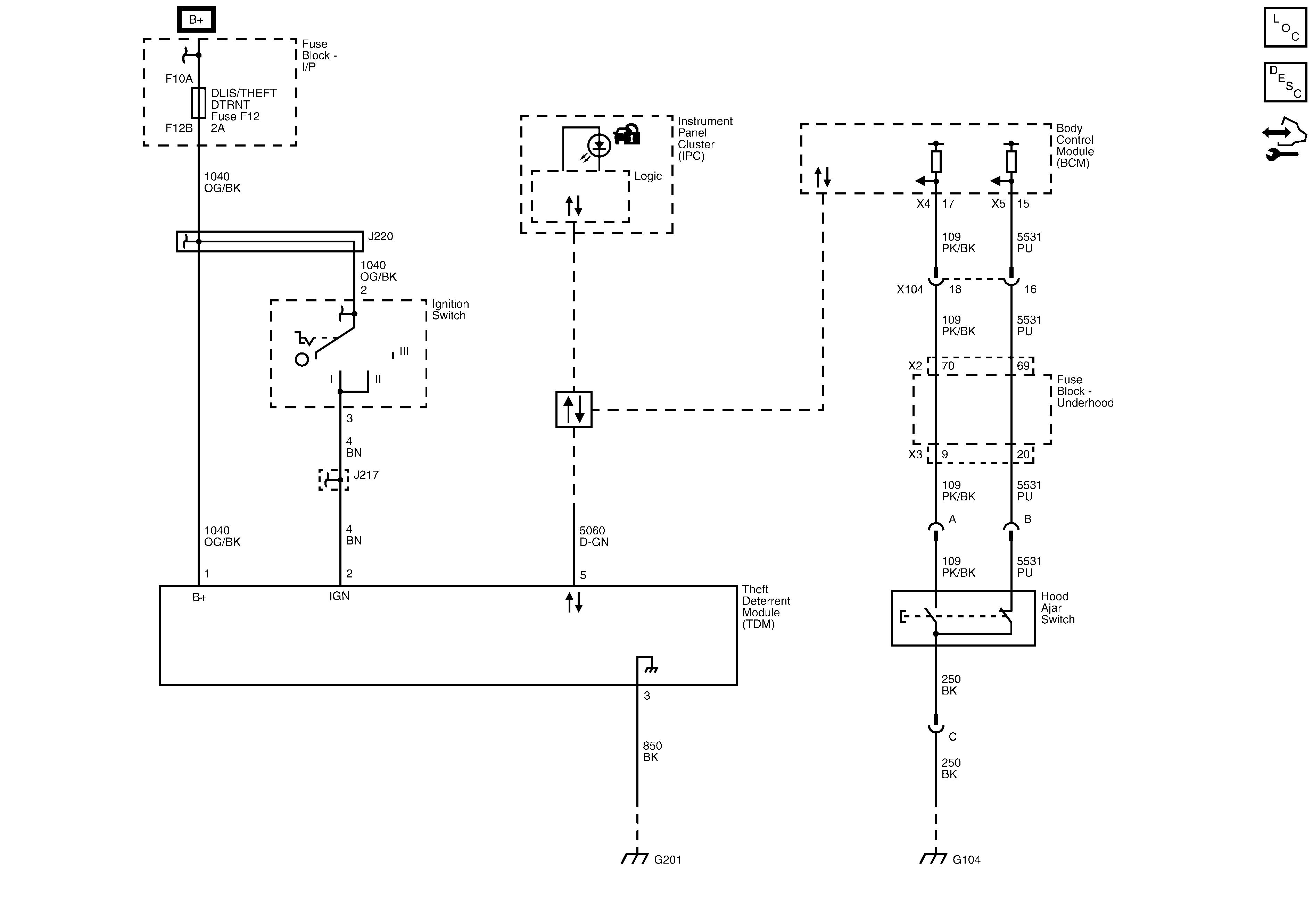
Immobilizer
🢒 Immobilizer Schematics