GM Service Manual Online
For 1990-2009 cars only
Makes
🢒
Holden
🢒
2008
🢒
VE Sedan
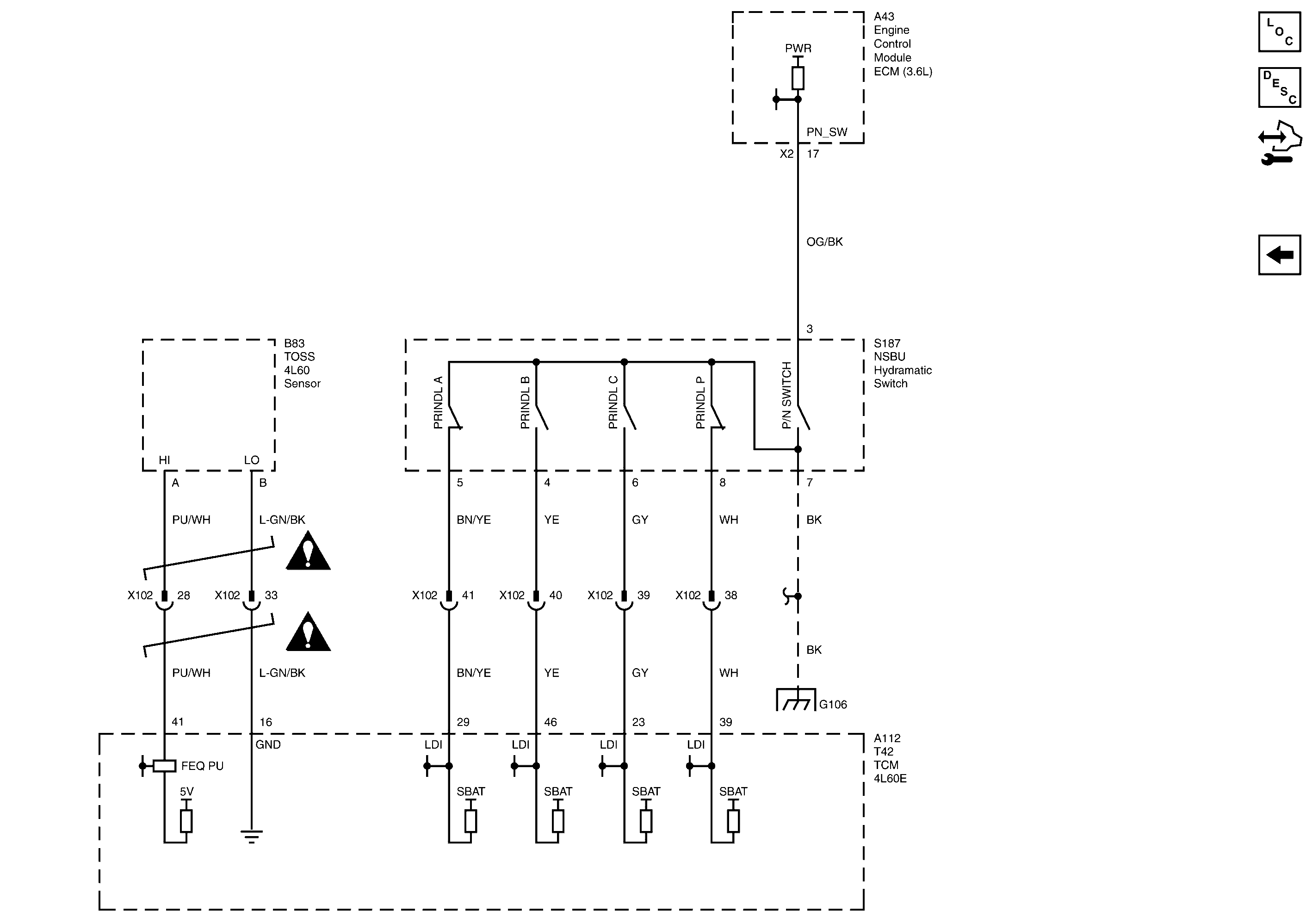
🢒 NSBU Switch and TOSS Sensor
NSBU Switch and TOSS Sensor
NSBU Switch and TOSS Sensor
Master Electrical Component List
Transmission General Information
Control Module References
TCM and Transmission, Power, Ground, Serial Data, Inputs and Outputs
TCM and Transmission, Power, Ground, Serial Data, Inputs and Outputs
Automatic Transmission Schematic Icons
G103, G106, G107, G108 and G109 (3.6L)