GM Service Manual Online
For 1990-2009 cars only
Makes
🢒
Holden
🢒
2008
🢒
VE Sedan
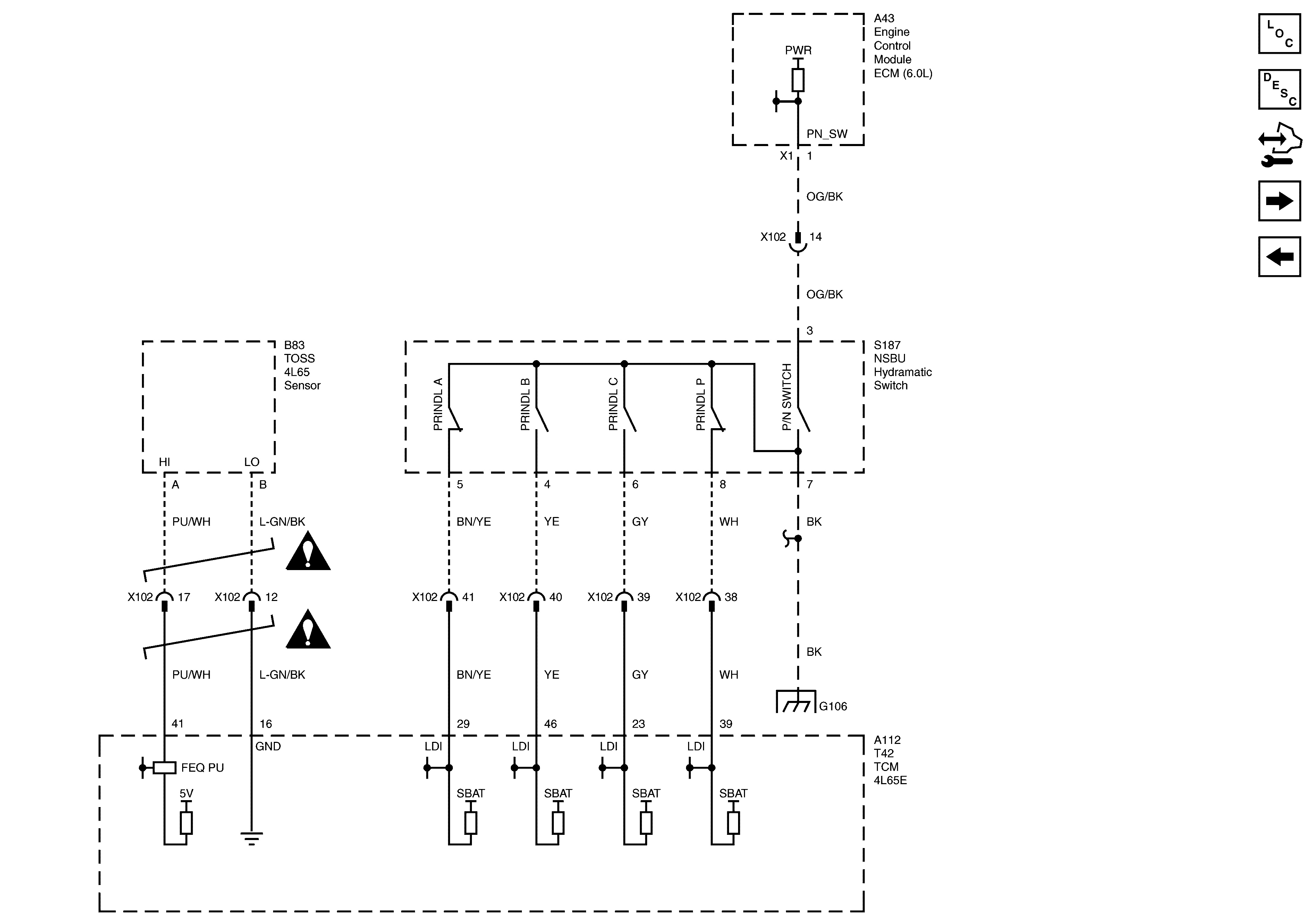
🢒 NSBU Switch and TOSS Sensor
NSBU Switch and TOSS Sensor
NSBU Switch and TOSS Sensor
Master Electrical Component List
Transmission General Information
Control Module References
Shifter Assembly, Power/Economy Switch and Cruise Control Switch
TCM and Transmission, Power, Ground, Serial Data, Inputs and Outputs
G103, G106, G107, G108 and G109 (3.6L)