GM Service Manual Online
For 1990-2009 cars only
Makes
🢒
Holden
🢒
2009
🢒
VE Sedan
🢒
Engine
🢒
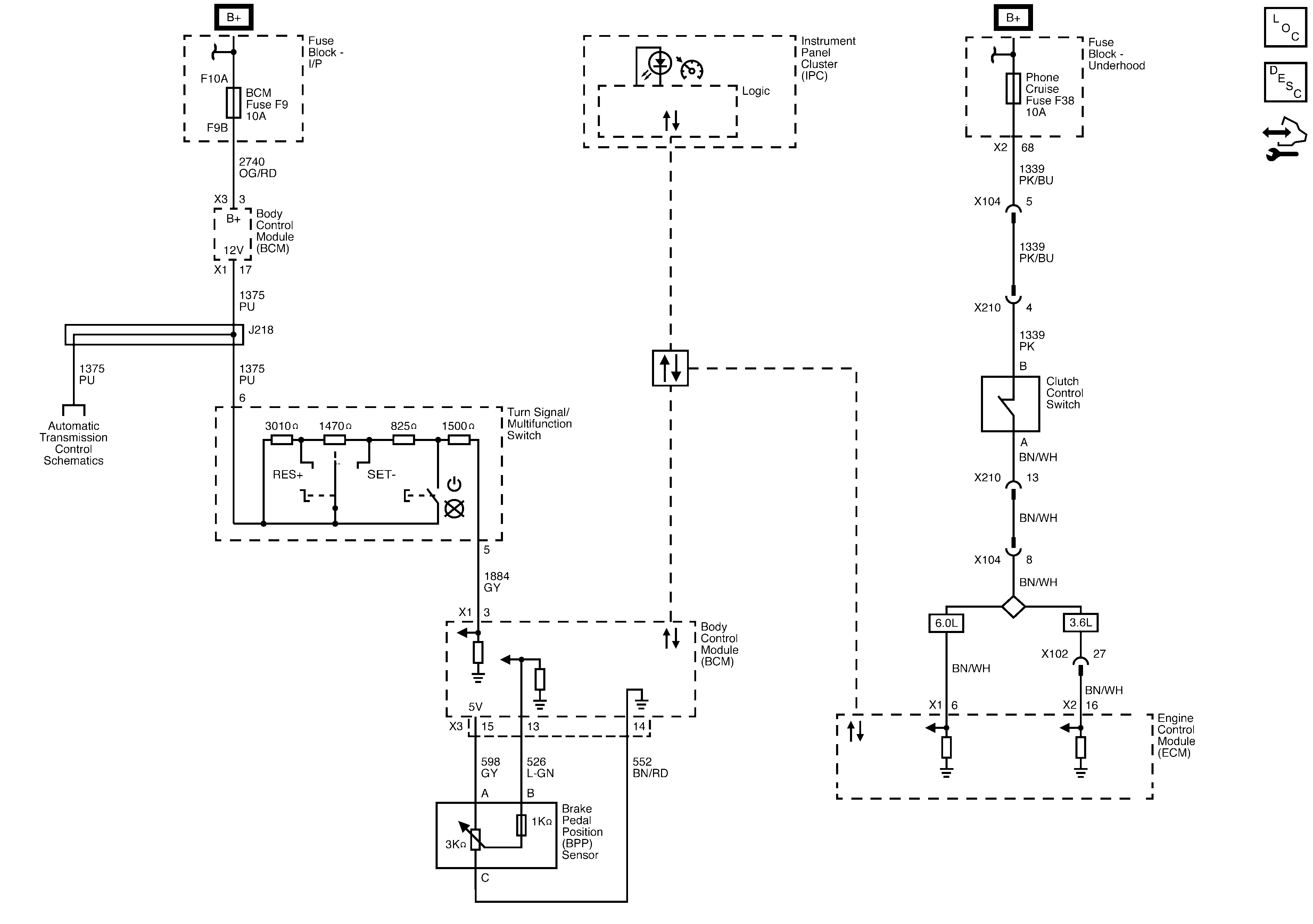
Cruise Control
🢒 Cruise Control Schematics