| Figure 1: |
Module Power, Ground and Serial Data
|
| Figure 2: |
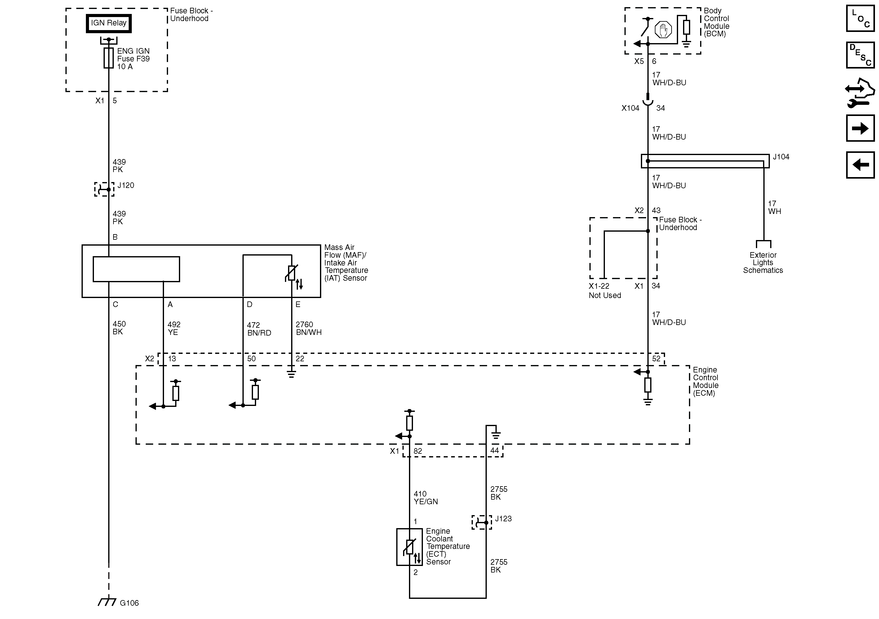
Engine Data Sensors - 5-Volt and Low Reference 1 of 2
|
| Figure 3: |
Engine Data Sensors - 5-Volt and Low Reference 2 of 2
|
| Figure 4: |
Engine Data Sensors - Pressure and Temperature
|
| Figure 5: |
Engine Data Sensors - Oxygen Sensors
|
| Figure 6: |
Engine Data Sensors - Throttle Controls
|
| Figure 7: |
Ignition Controls - Ignition System Coils 1, 3, and 5
|
| Figure 8: |
Ignition Controls - Ignition System Coils 2, 4, and 6
|
| Figure 9: |
Ignition Controls - Sensors 1 of 2
|
| Figure 10: |
Ignition Controls - Sensors 2 of 2
|
| Figure 11: |
Fuel Controls - Fuel Pump and Injector Controls
|
| Figure 12: |
Fuel Controls - EVAP Controls
|
| Figure 13: |
Controlled/Monitored Subsystem References
|
| Figure 14: |
Fuel Controls - Fuel Pump and Injector Controls
|
| Figure 15: |
Fuel Controls - Fuel Pump and Injector Controls
|
| Figure 16: |
Fuel Controls - Fuel Pump and Injector Controls
|