GM Service Manual Online
For 1990-2009 cars only
Makes
🢒
Holden
🢒
2009
🢒
VE Sedan
🢒
Engine
🢒
Engine Electrical
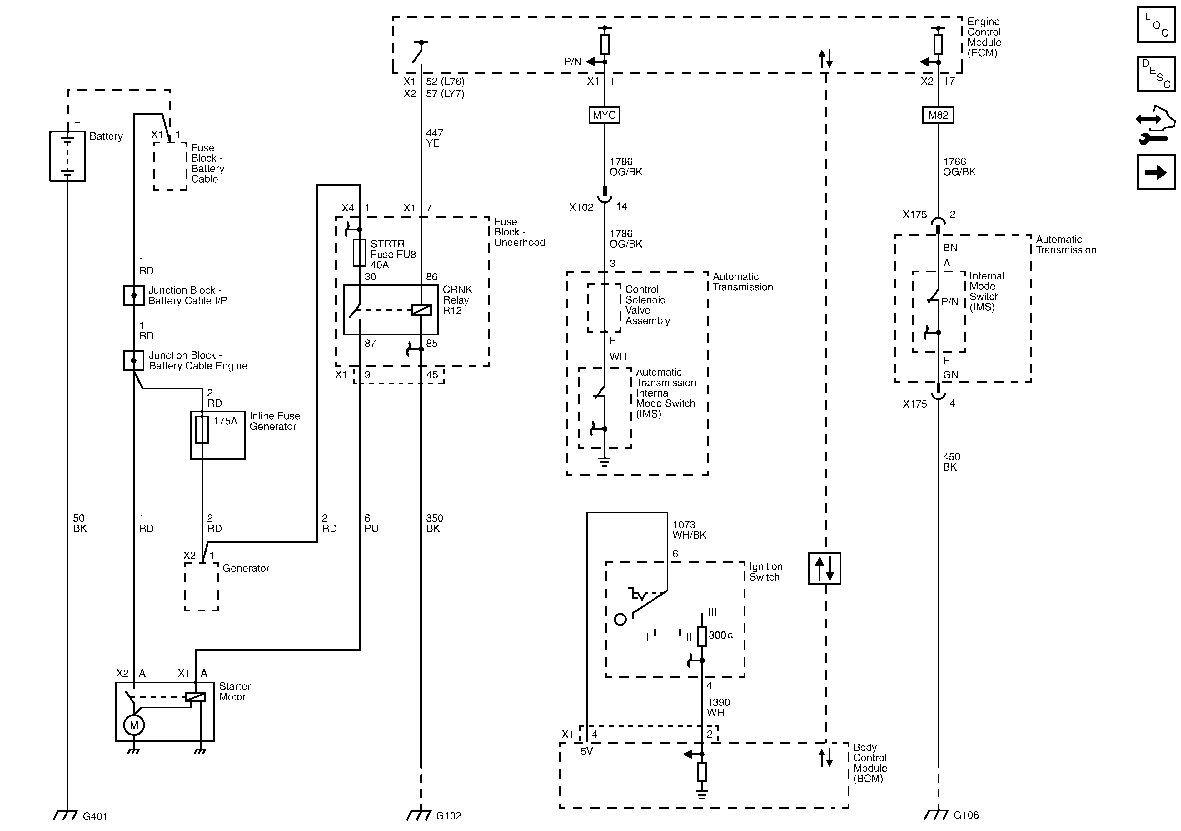
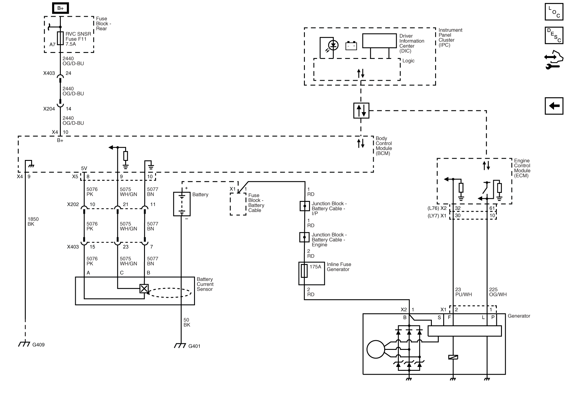
🢒 Starting and Charging Schematics
Figure
1:
Starting
Figure
2:
Charging