GM Service Manual Online
For 1990-2009 cars only
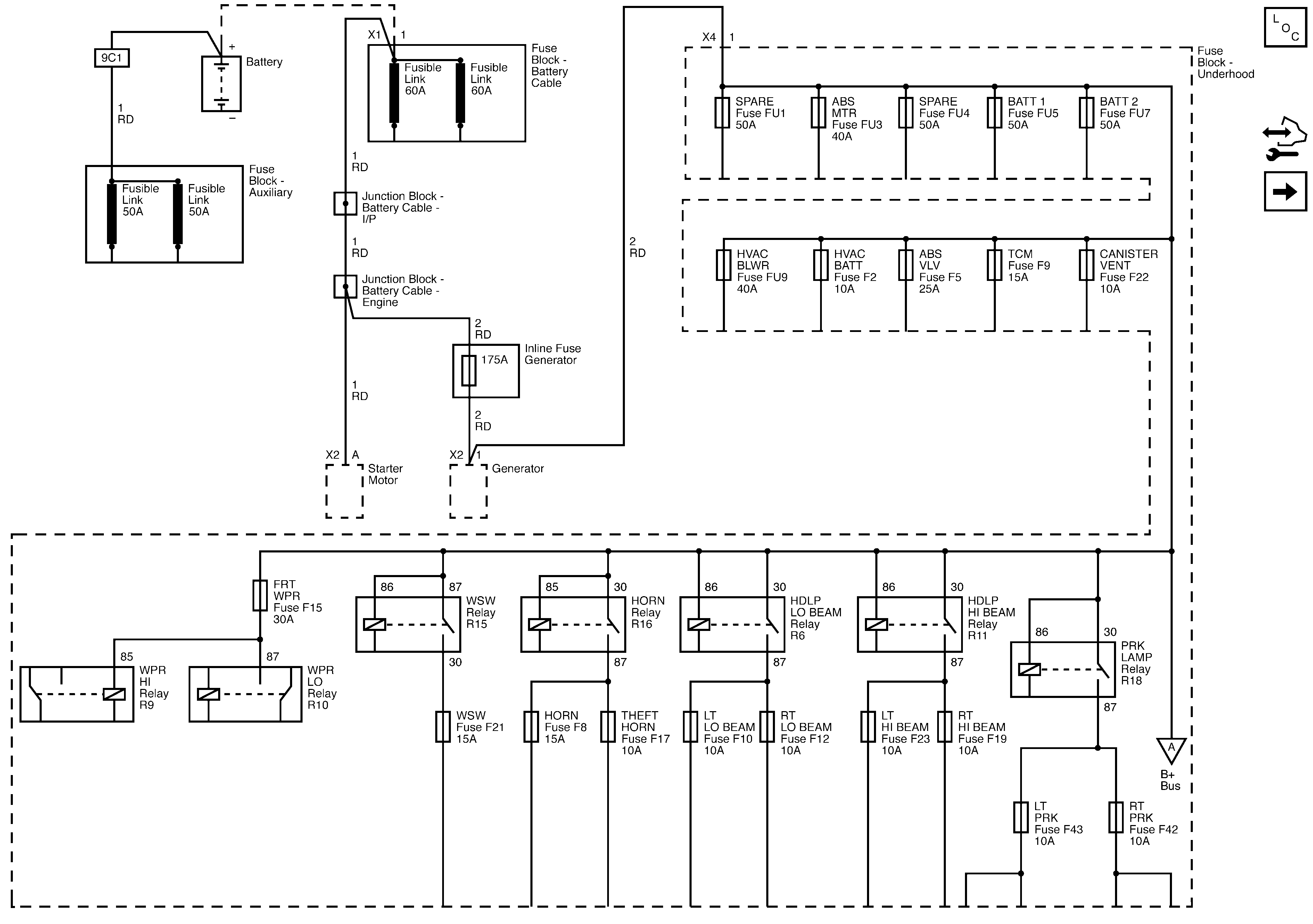
Figure 1:

B+ Bus - 1 of 2


Object Number: 2153483  Size: FS
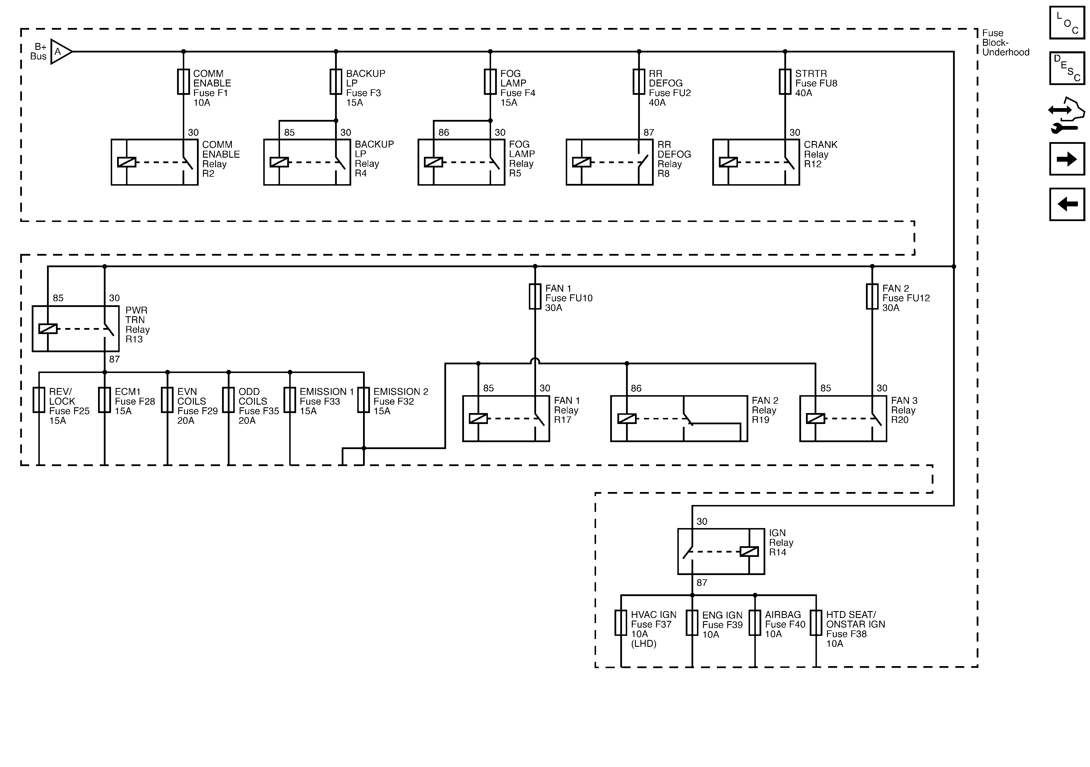
Figure 2:

B+ Bus - 2 of 2


Object Number: 2153484  Size: FS
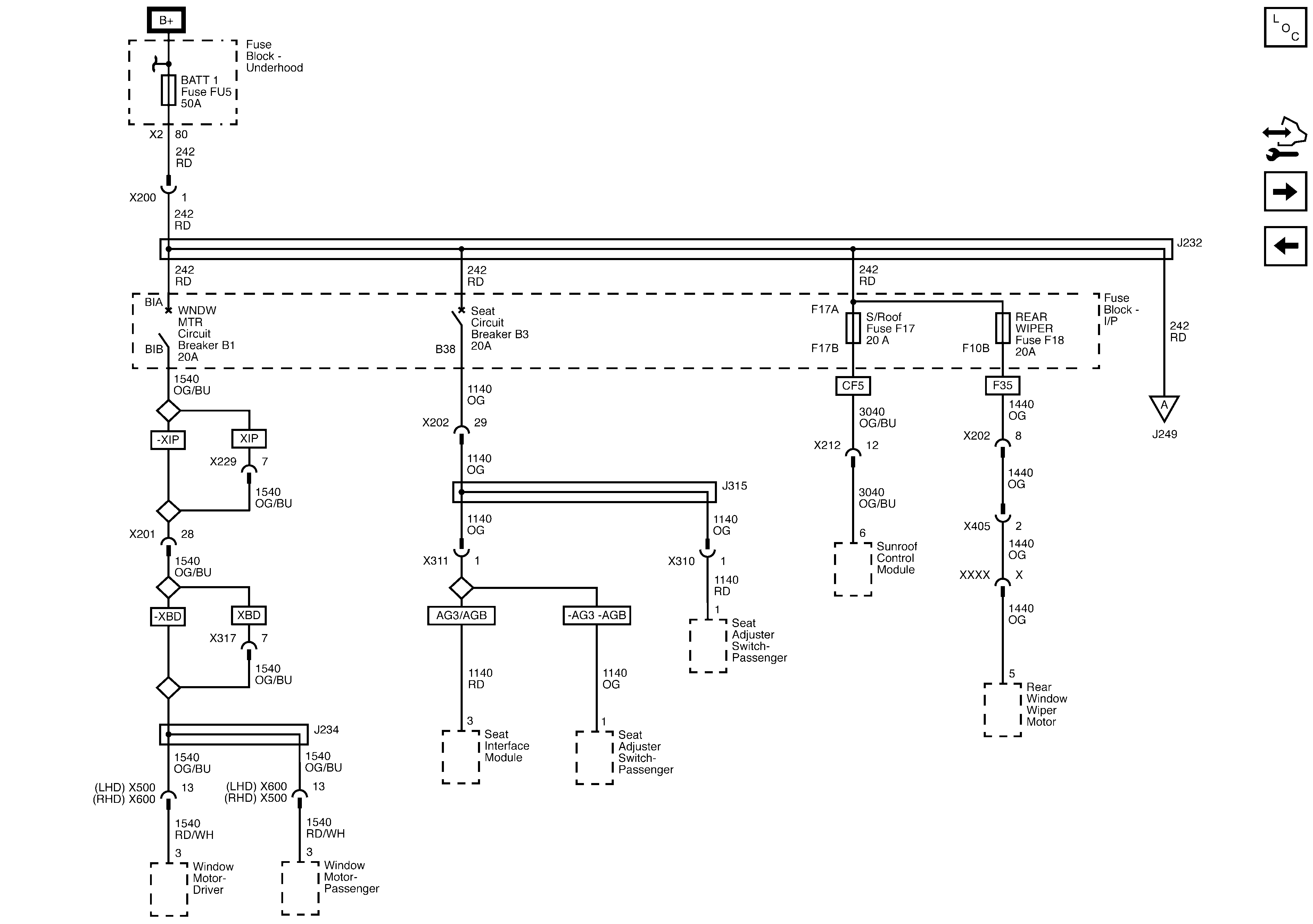
Figure 3:

BATT 1, REAR WIPER, and S/ROOF Fuses, and WNDW MTR and SEAT Circuit Breakers


Object Number: 2153485  Size: FS
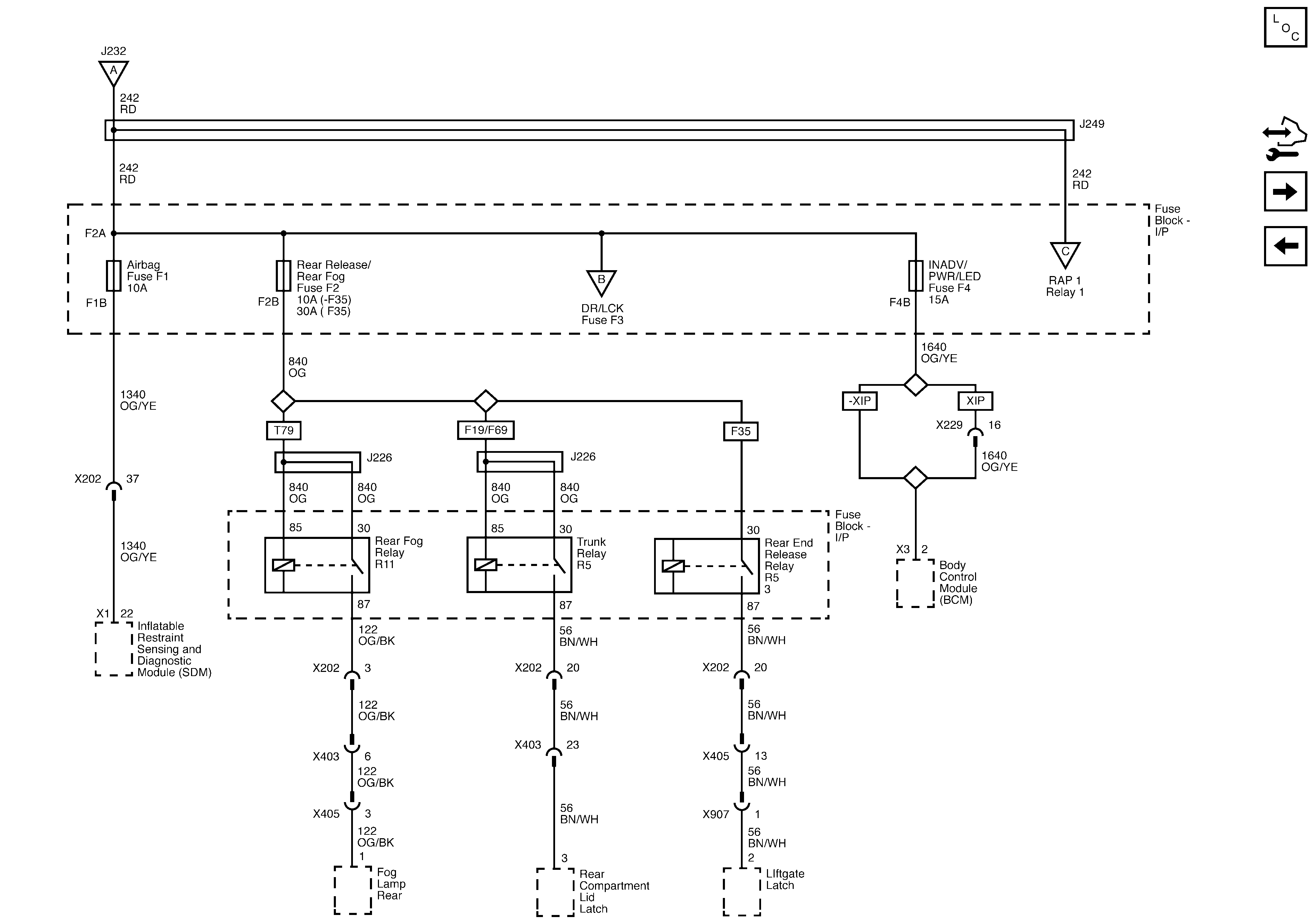
Figure 4:

AIRBAG, REAR RELEASE/REAR FOG, and INADV/PWR/LED Fuses


Object Number: 2153486  Size: FS
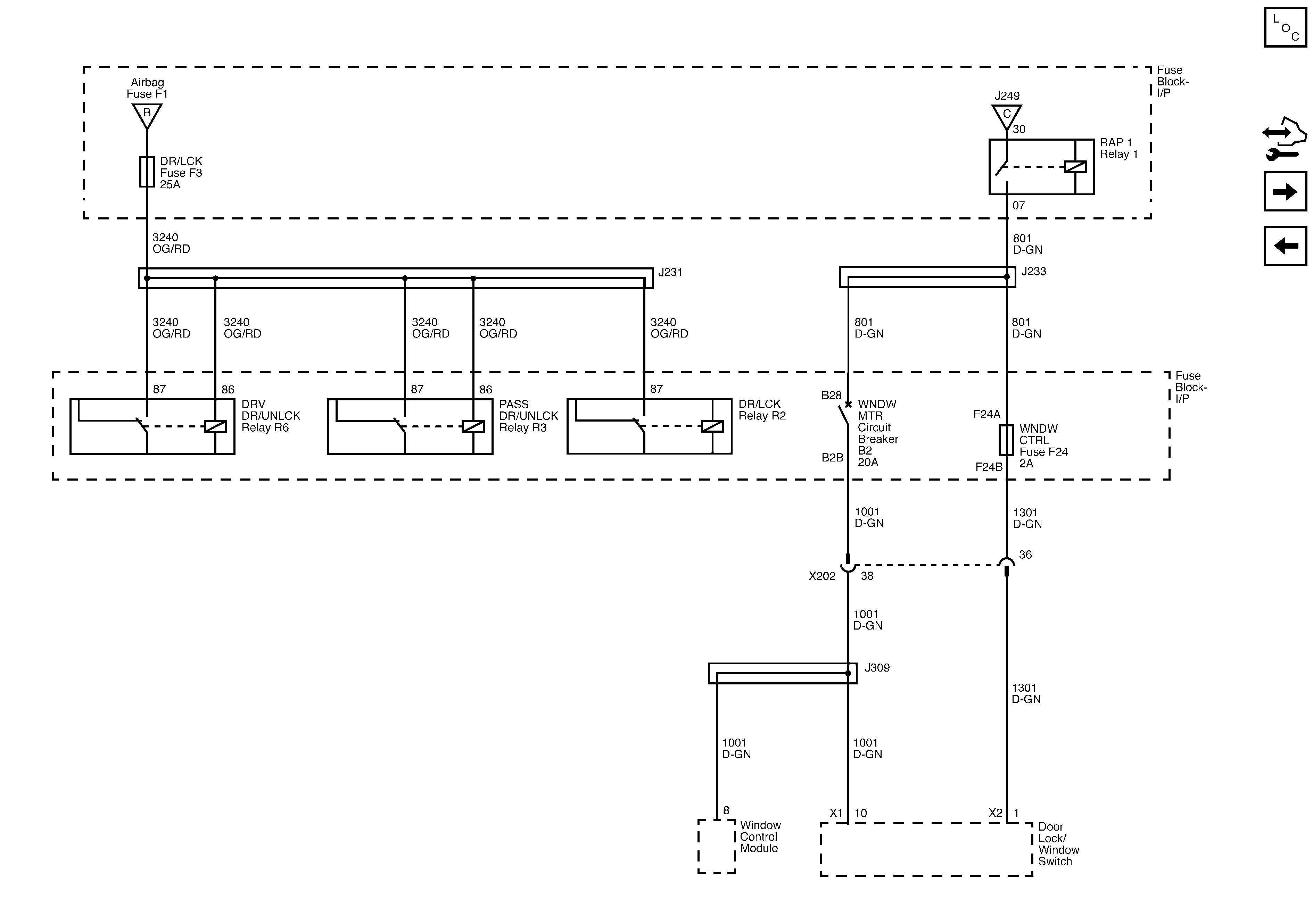
Figure 5:

DR/LCK AND WNDW CNTRL Fuses and WNDW MTR Circuit Breaker


Object Number: 2153487  Size: FS
Figure 6:

BATT 2, CTSY/TRN RT FRT, TRN/SIG RT, TRN SIG LT, BCM, STOP, INT LAMPS, and DLIS/THEFT DTRNT Fuses


Object Number: 2153489  Size: FS
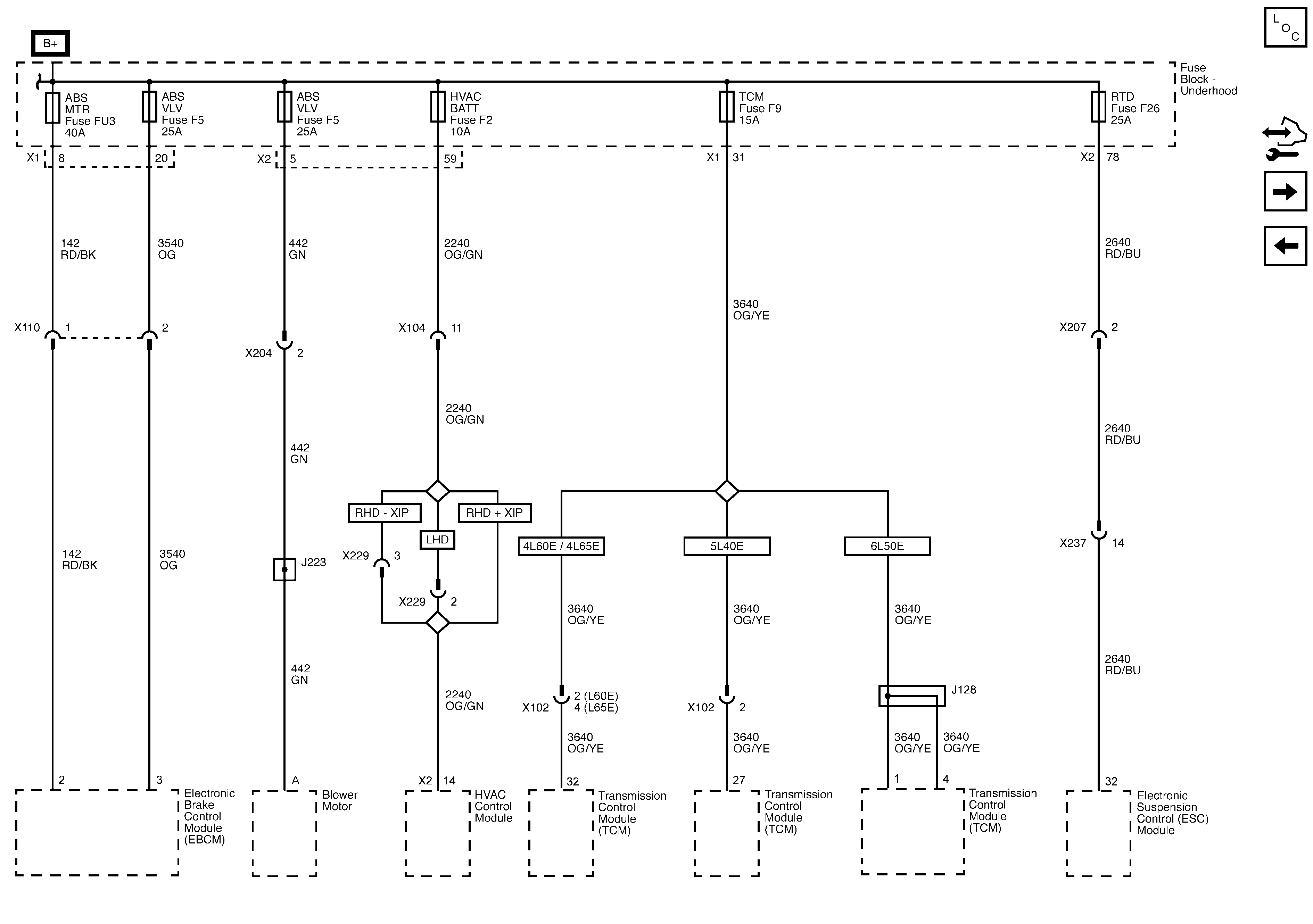
Figure 7:

ABS MTR, ABS VLV, HVAC BLWR, HVAC BATT, TCM, and RTD Fuses


Object Number: 2153490  Size: FS
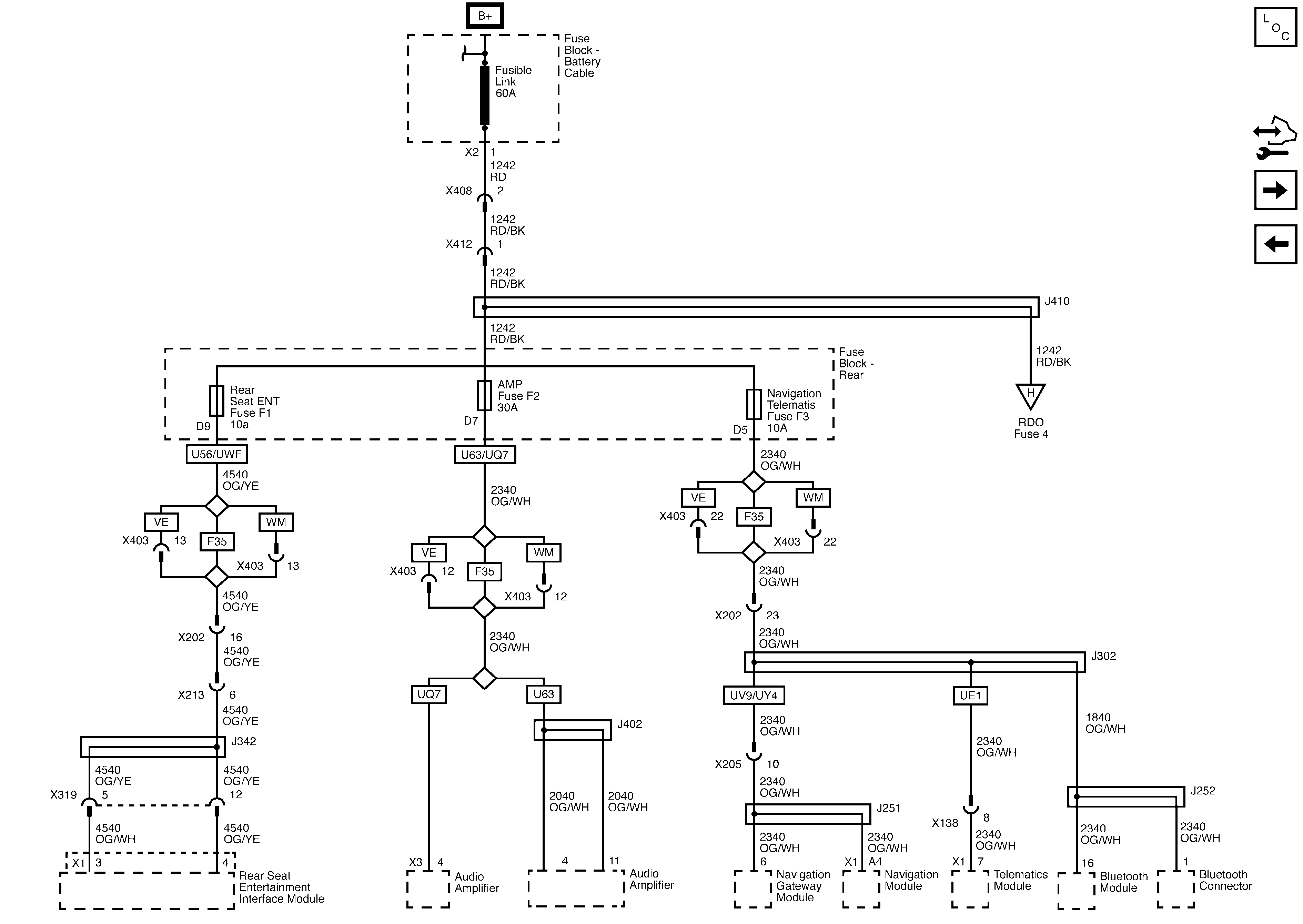
Figure 8:

REAR SEAT ENT, AMP, AND NAVIGATION TELEMATICS Fuses


Object Number: 2153492  Size: FS
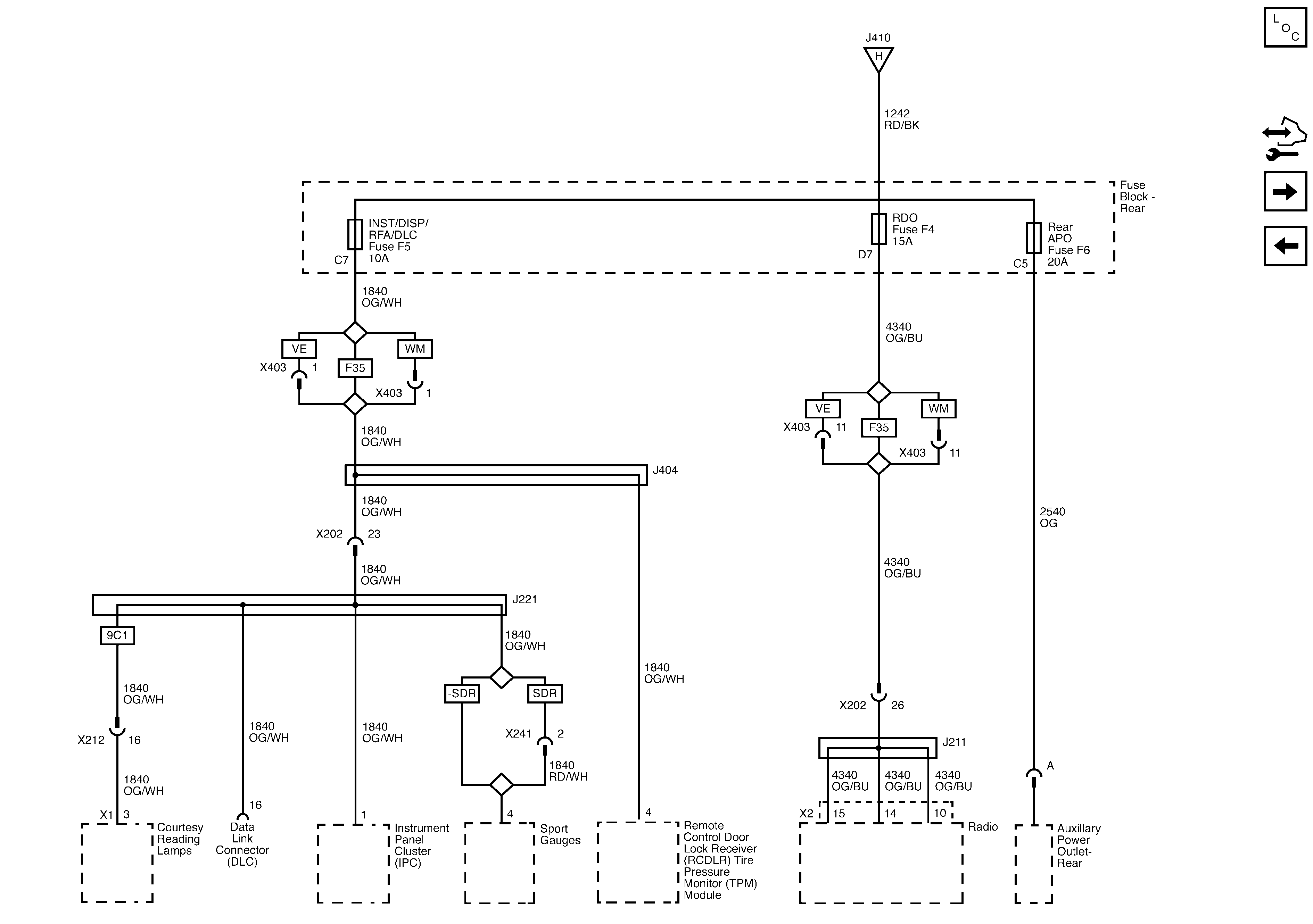
Figure 9:

INST/DISP/RFA/DLC, RDO, REAR APO Fuses


Object Number: 2153493  Size: FS
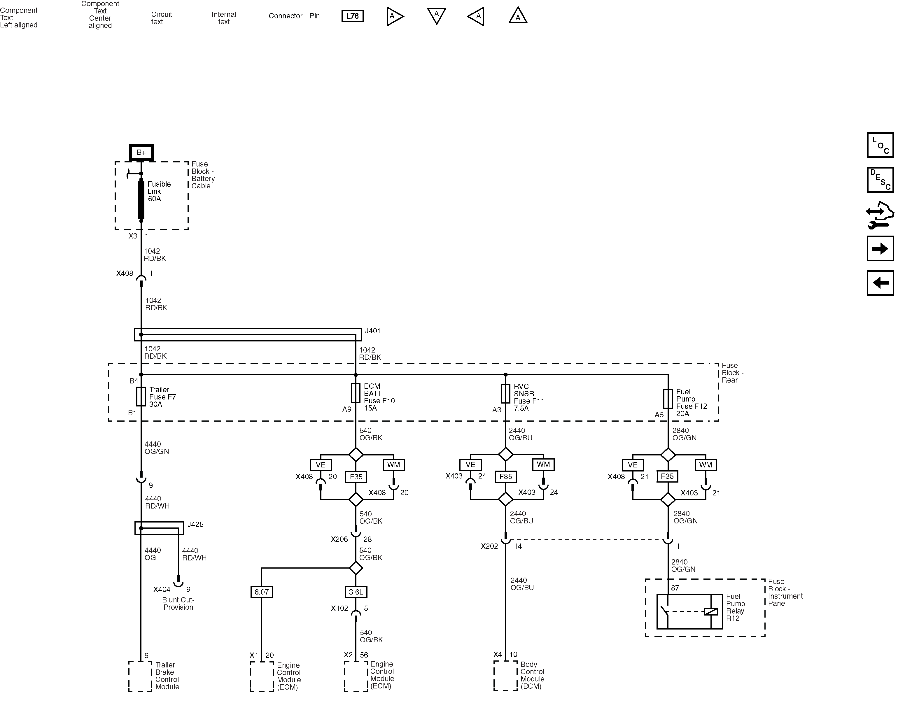
Figure 10:

TRAILER, ECM BATT, RVC SNSR, and FUEL PUMP


Object Number: 2153495  Size: FS
Figure 11:

PF1, PF2, PF3, PF4, PF5, PF6, PF7, PF8, PF9, and PF10 Fuses


Object Number: 2153496  Size: FS
Figure 12:

PF11, PF12, PF13, PF14, PF15, PF16, PF17, PF18, PF19, PF20 Fuses


Object Number: 2153497  Size: FS
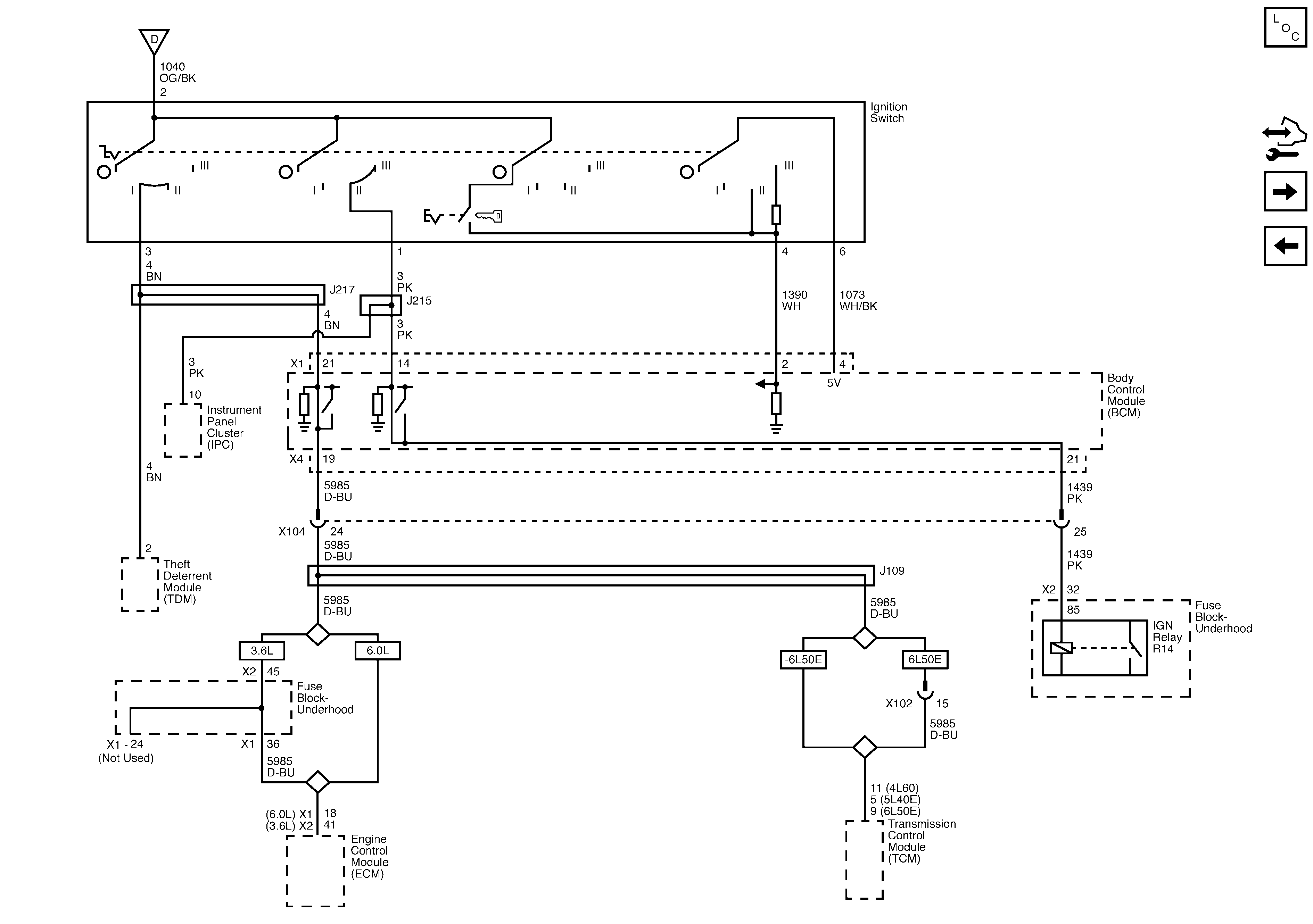
Figure 13:

Ignition Switch


Object Number: 2153498  Size: FS
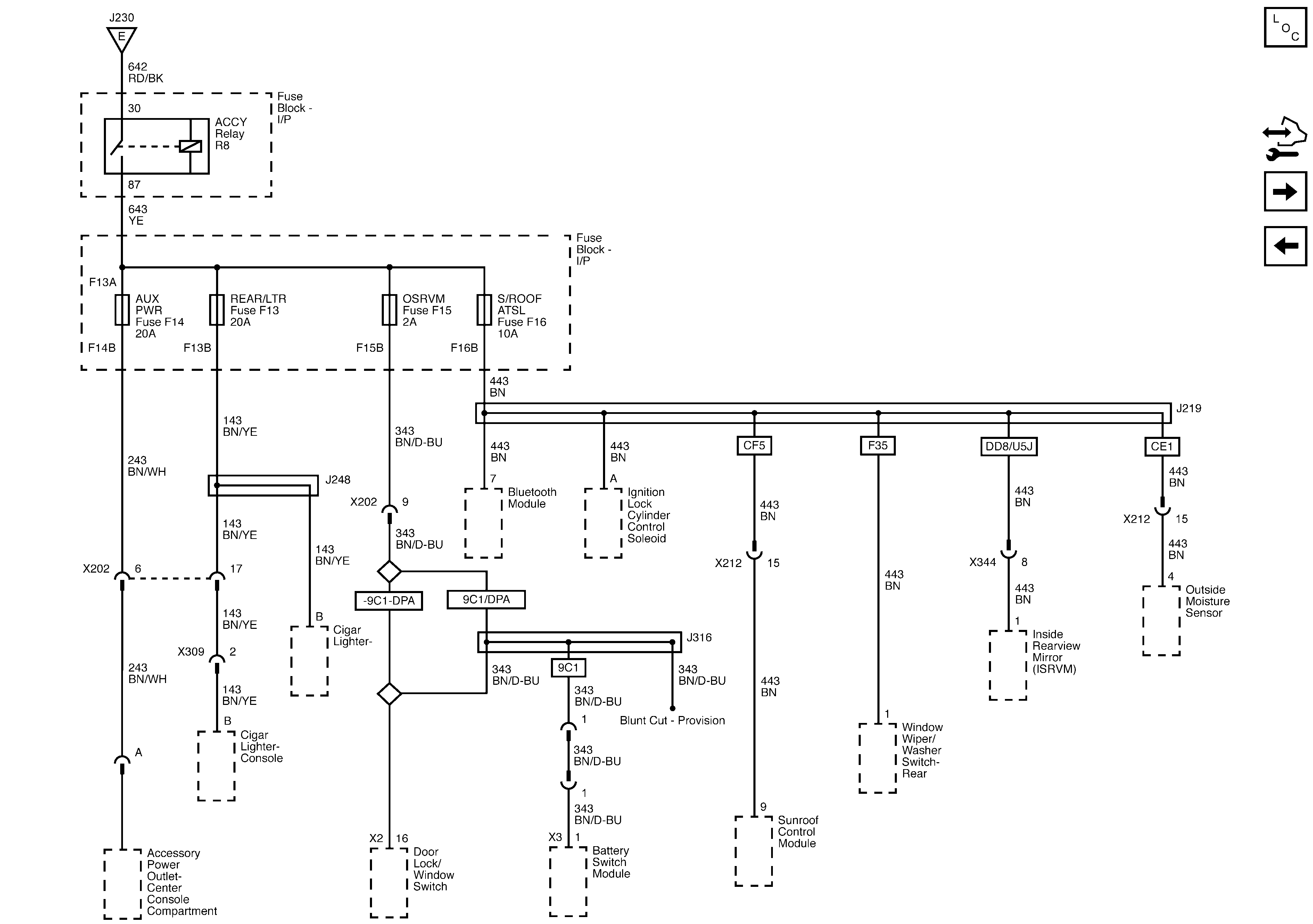
Figure 14:

AUX PWR, REAR/LTR, OSRVM, and S/ROOF ATSL Fuses


Object Number: 2153499  Size: FS
Figure 15:

ECM 1, REV/LOCK, EMISSION 1


Object Number: 2153500  Size: FS
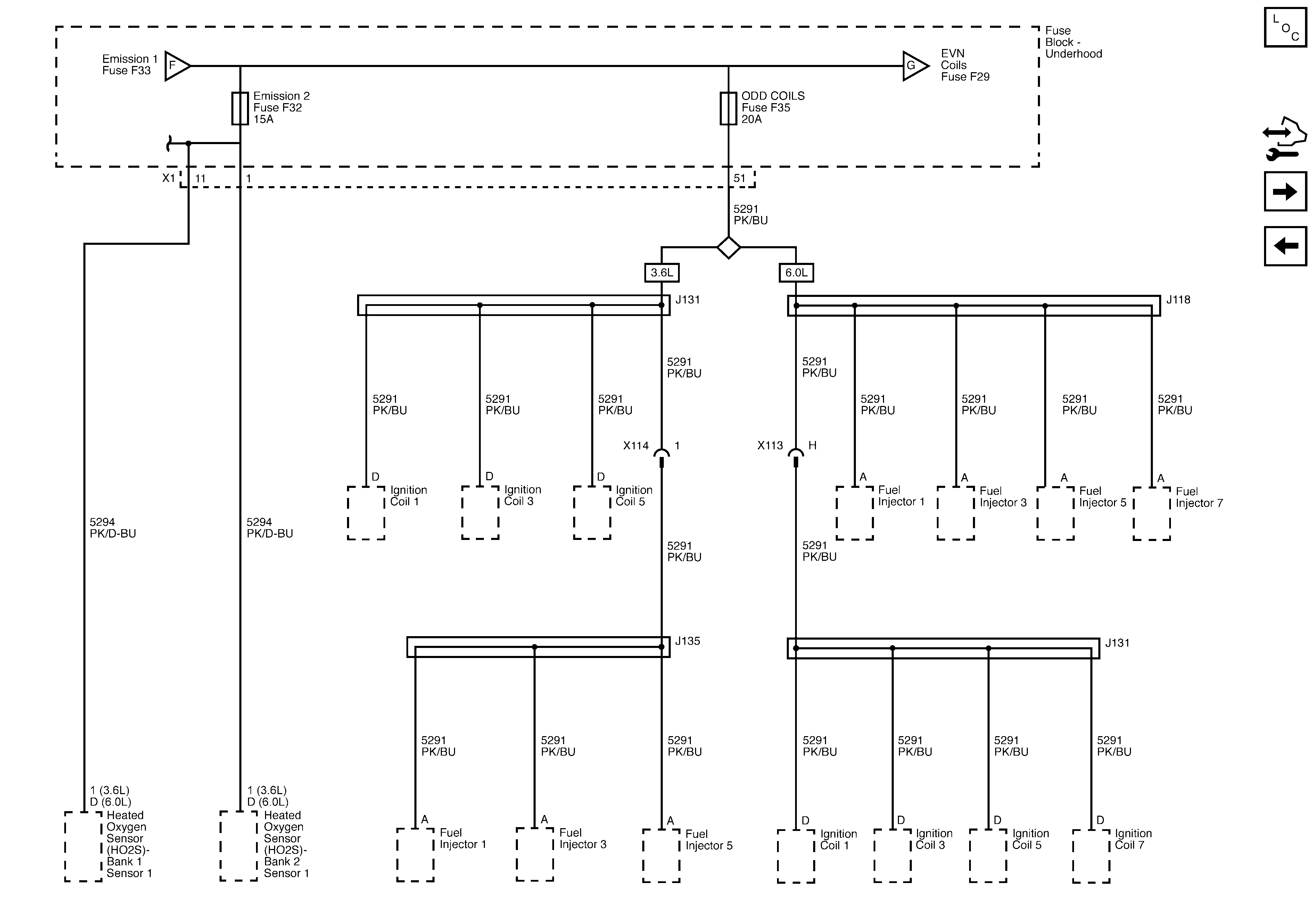
Figure 16:

EMISSION 2 and ODD COILS Fuses


Object Number: 2153501  Size: FS
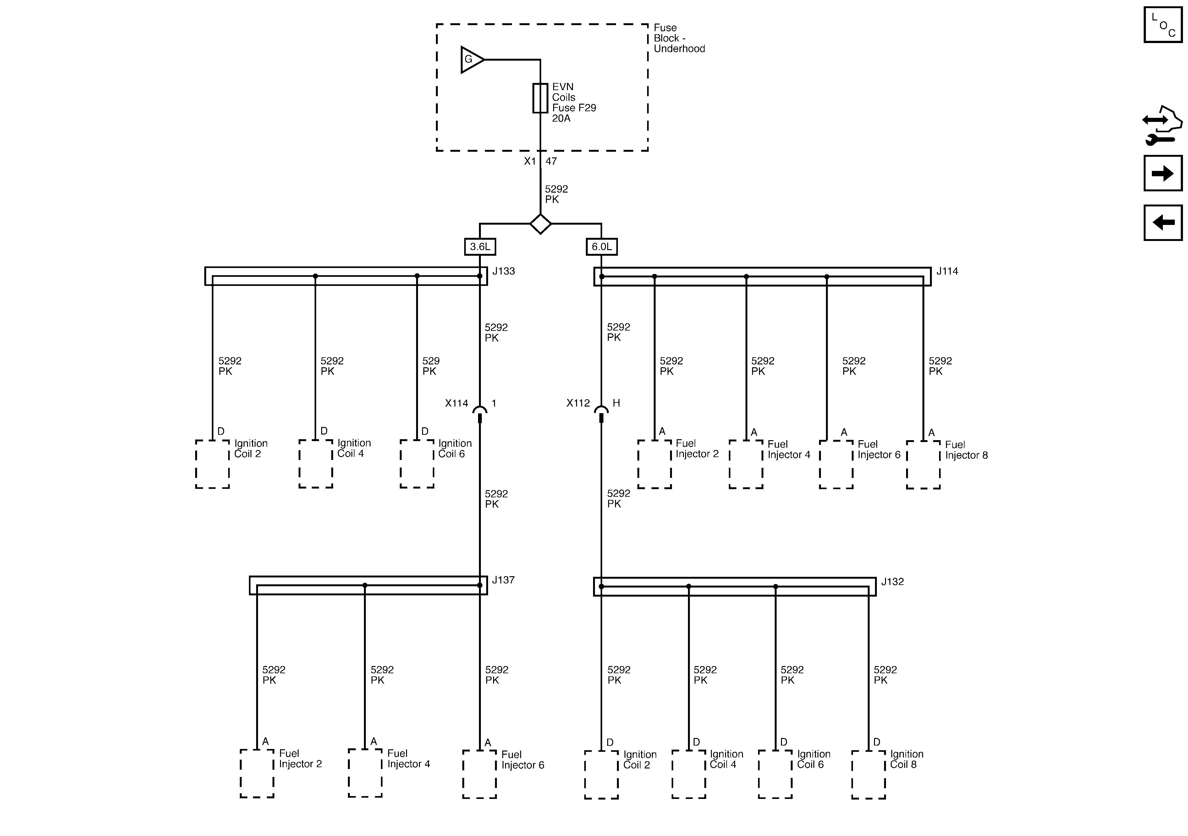
Figure 17:

EVEN COIL Fuse


Object Number: 2153502  Size: FS
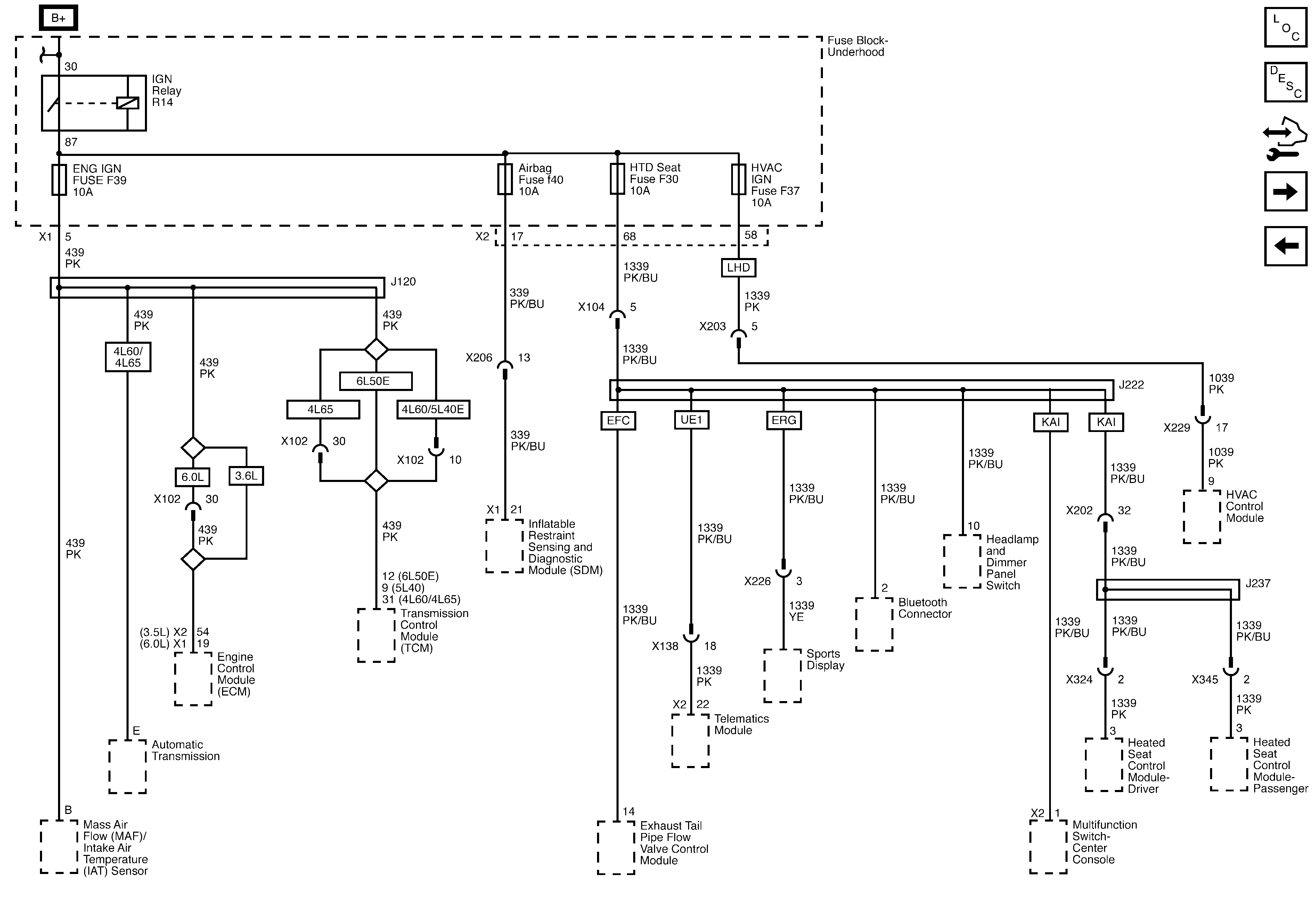
Figure 18:

ENG IGN, AIRBAG, HTD SEAT, HVAC IGN Fuses


Object Number: 2153503  Size: FS
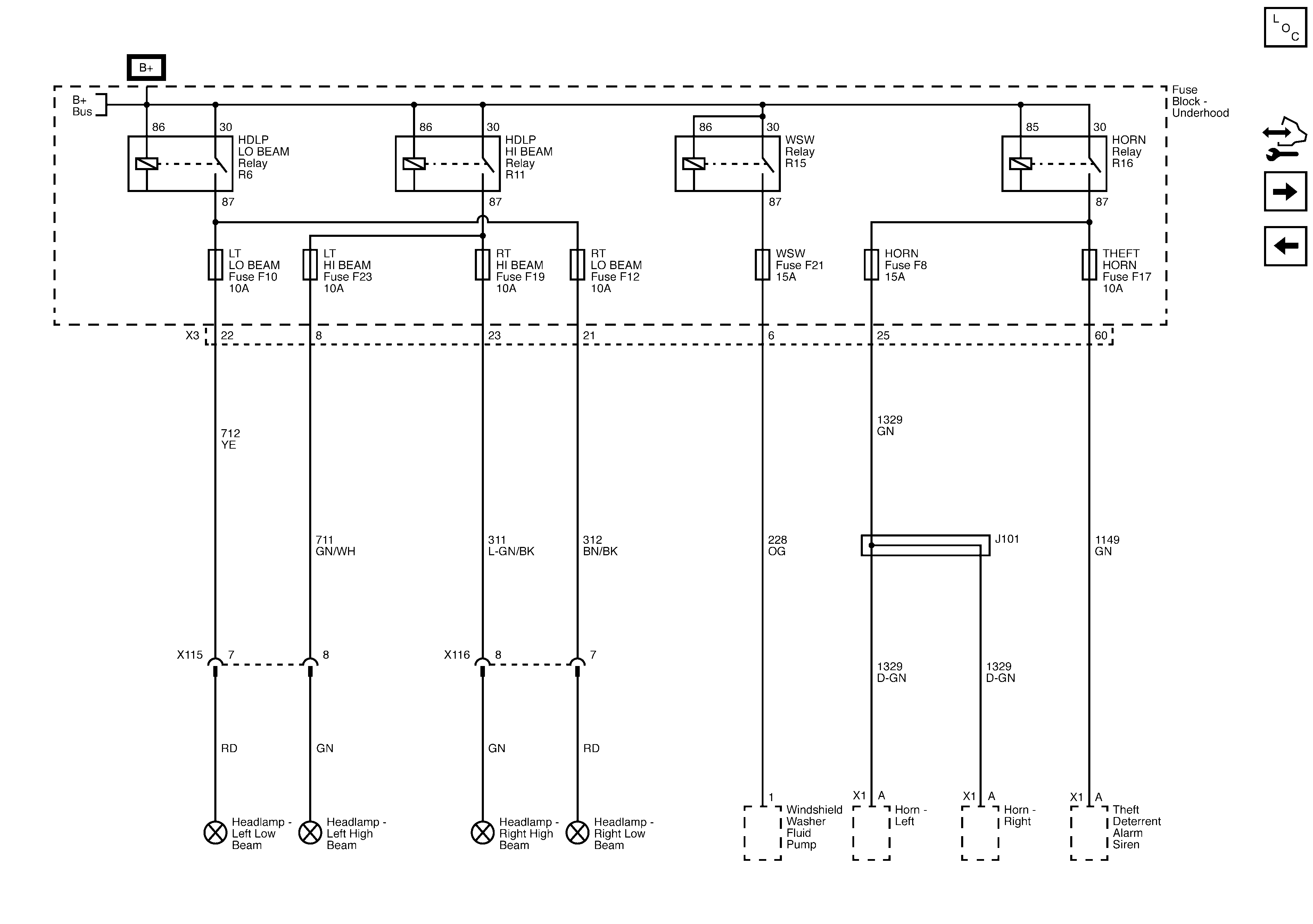
Figure 19:

LT LO BEAM, LT HI BEAM, RT HI BEAM, RT LO BEAM, WSW. HORN, THEFT HORN


Object Number: 2153504  Size: FS
Figure 20:

LT PRK and RT PRK Fuses


Object Number: 2153505  Size: FS