GM Service Manual Online
For 1990-2009 cars only
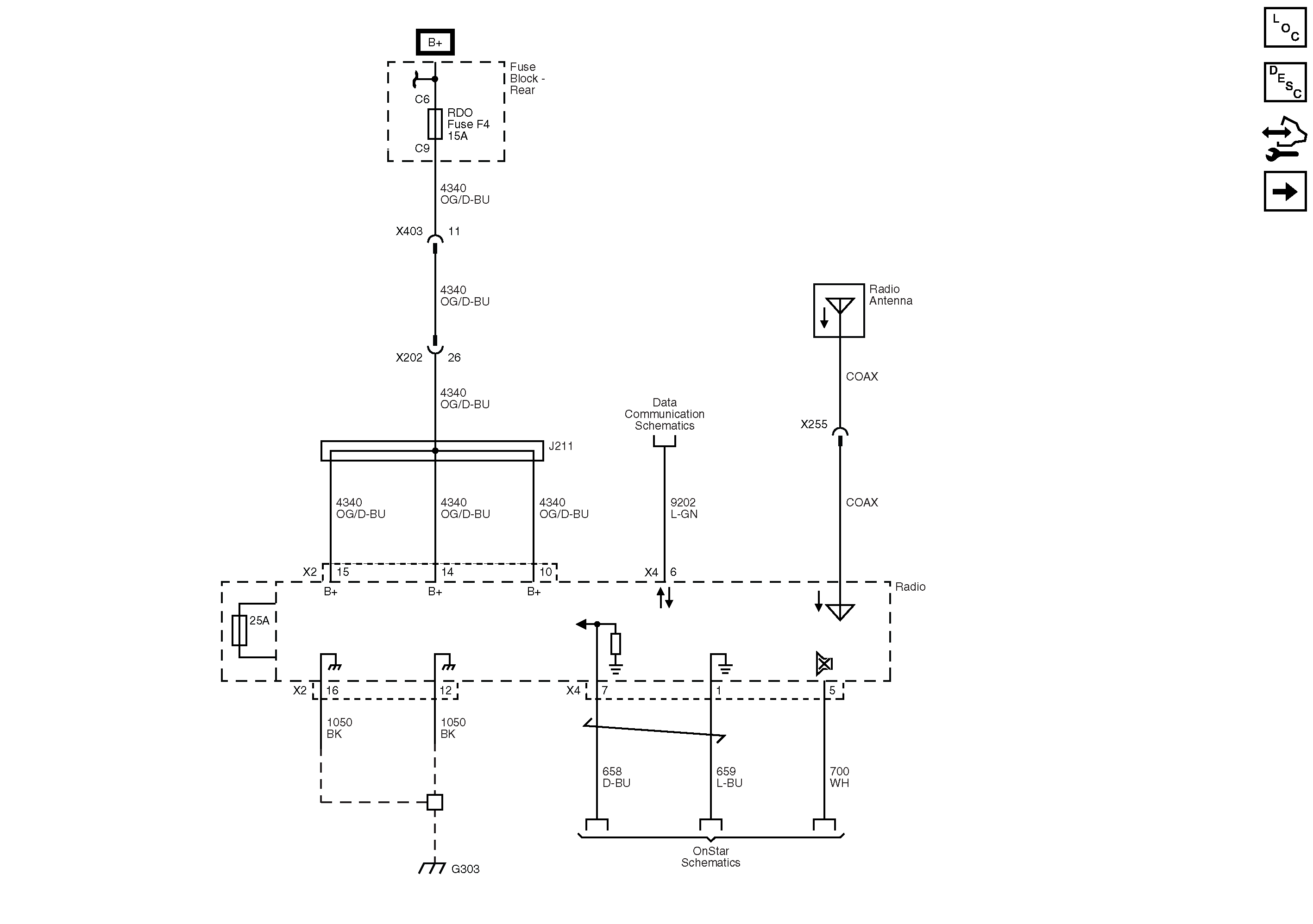
Figure 1:

Radio Power, Ground, and Serial Data


Object Number: 2153452  Size: FS
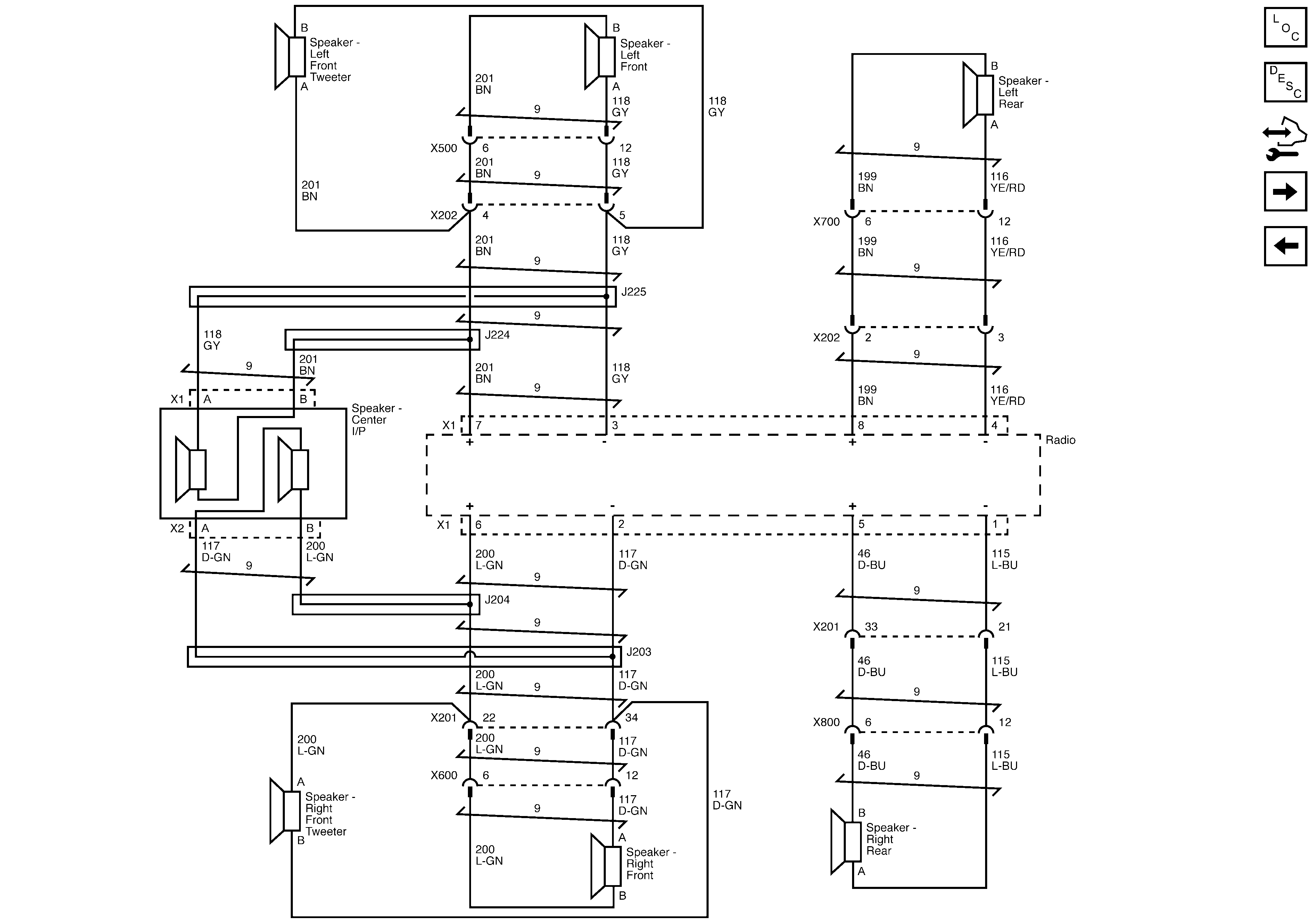
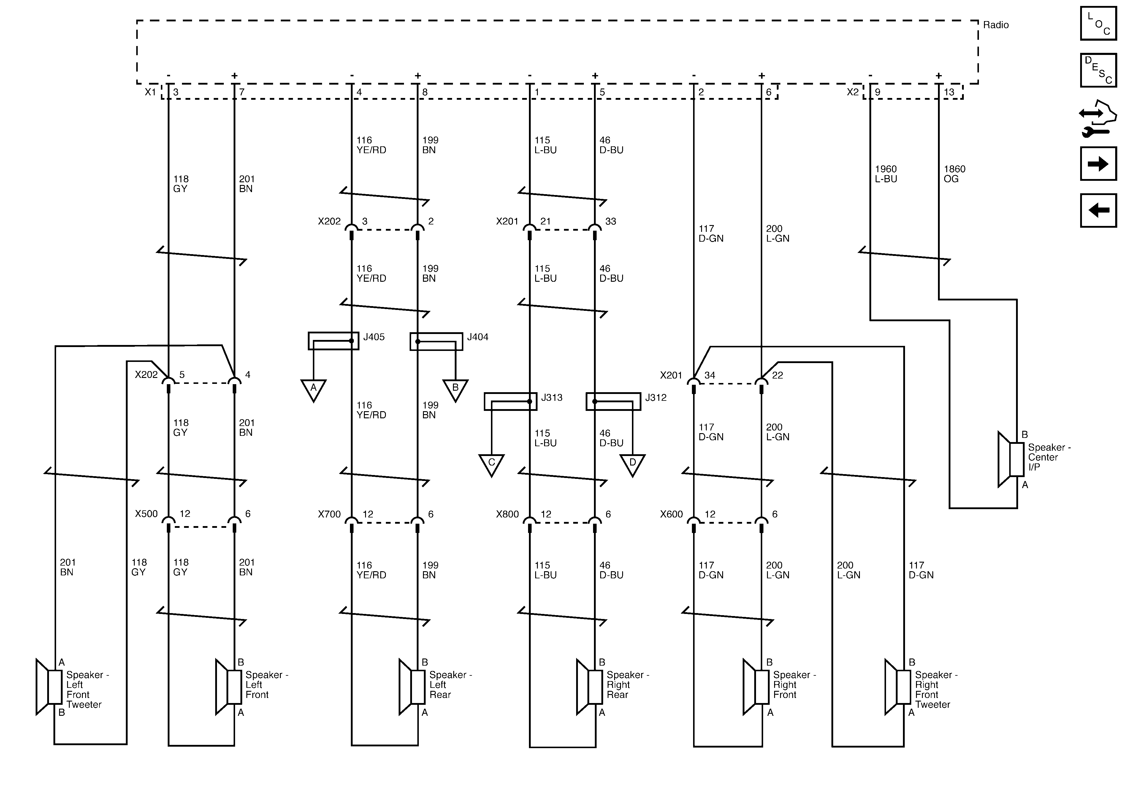
Figure 2:

Speakers (except UWP)


Object Number: 2153453  Size: FS
Figure 3:

Amplifier (UWP)


Object Number: 2153454  Size: FS
Figure 4:

Speakers (UWP)


Object Number: 2153455  Size: FS
Figure 5:

Amplifier (UQ7)


Object Number: 2137107  Size: FS
Figure 6:

Speakers (UQ7)


Object Number: 2137116  Size: FS