GM Service Manual Online
For 1990-2009 cars only
Makes
🢒
Holden
🢒
2009
🢒
VE Sedan
🢒
Diagnostic Navigation
🢒
Vehicle Diagnostic Information
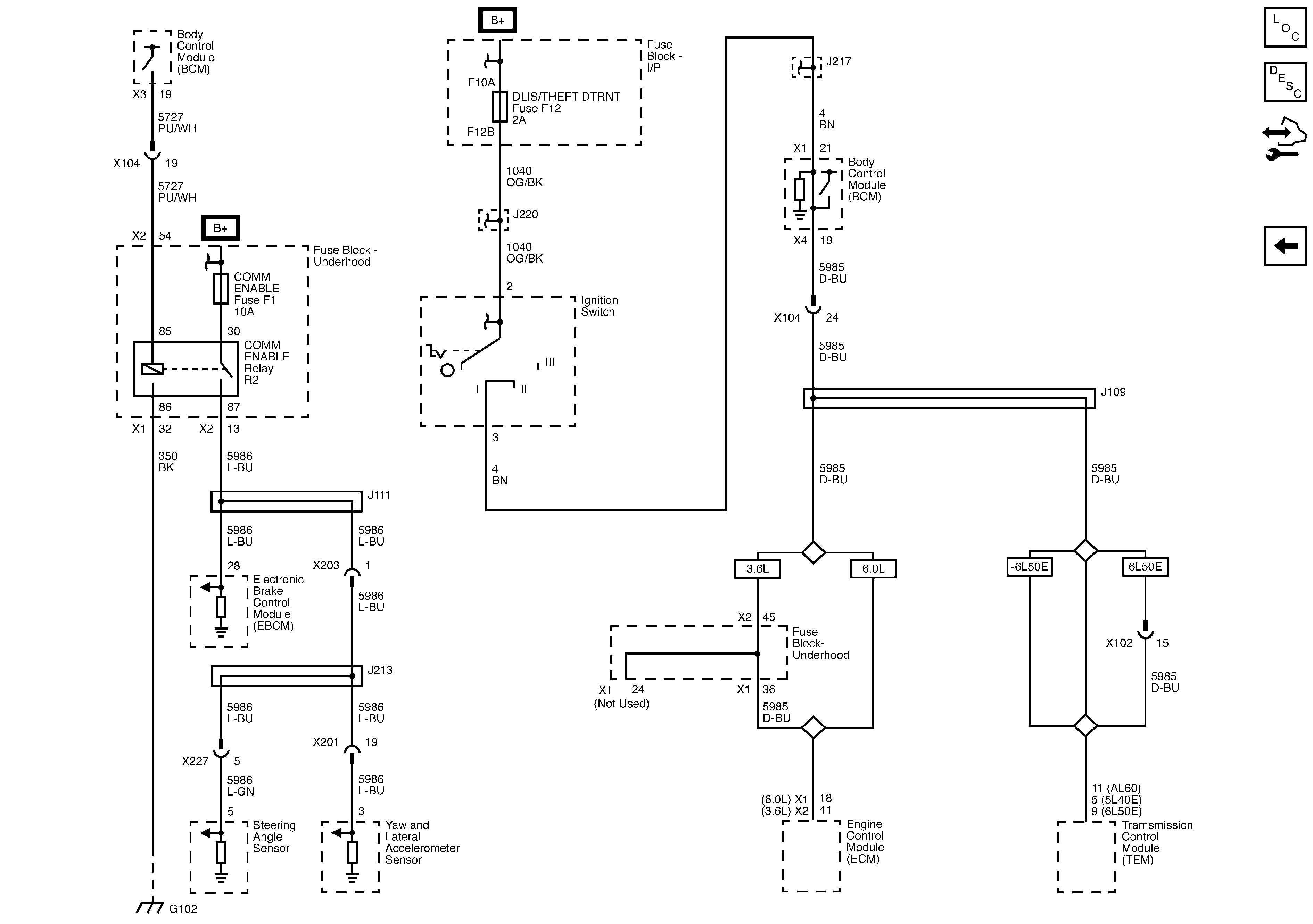
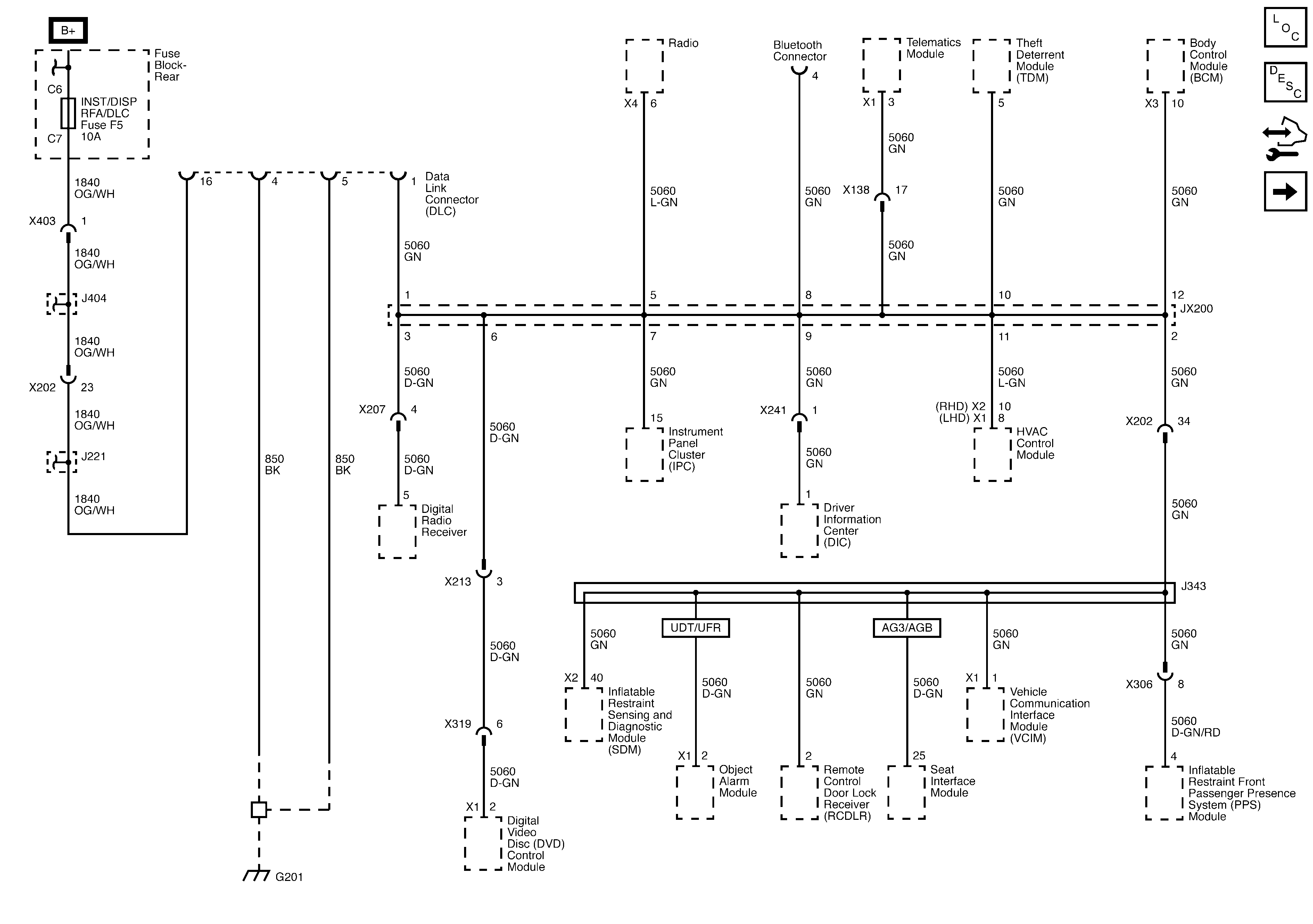
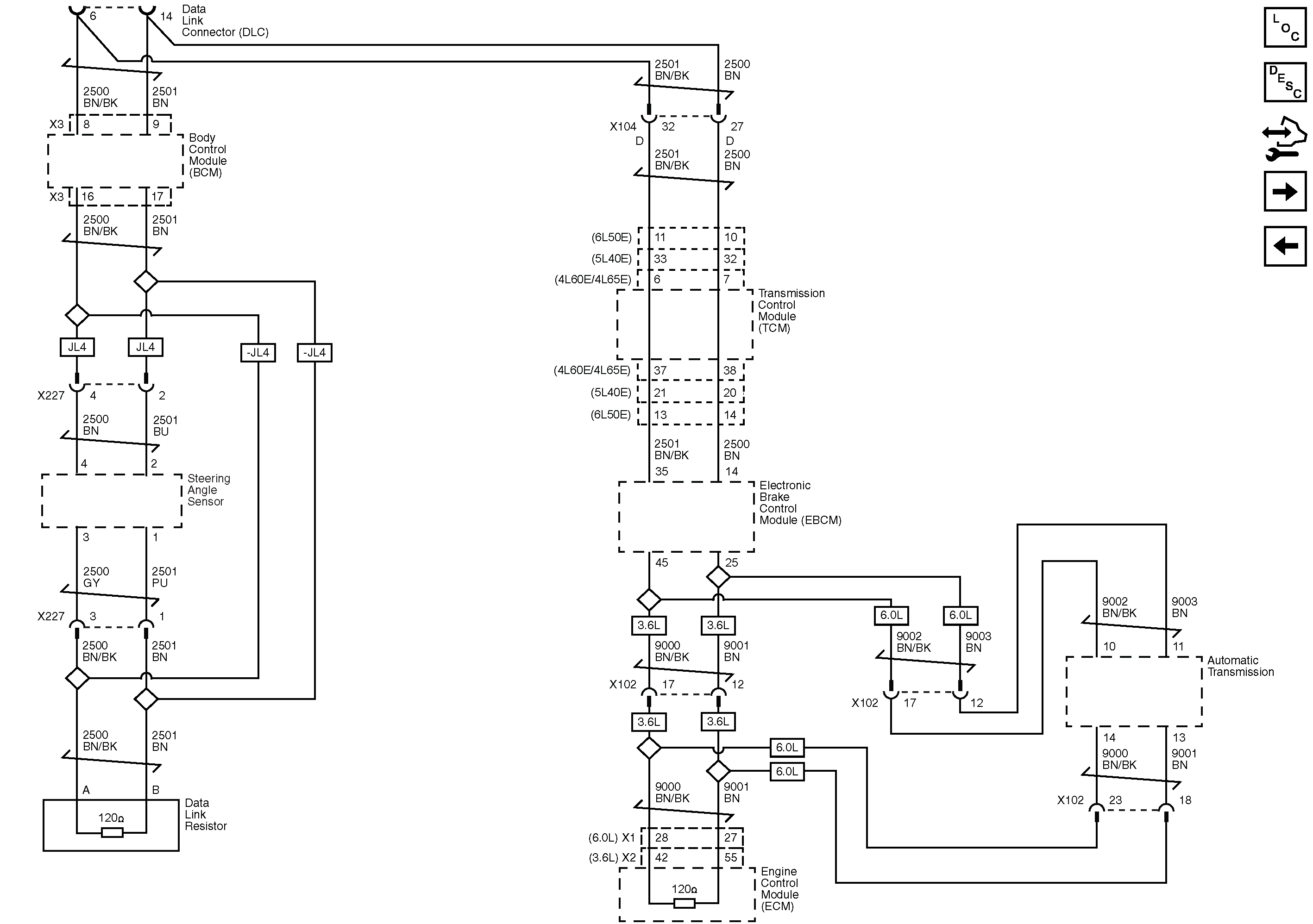
🢒 Data Communication Schematics
Figure
1:
Low Speed
Figure
2:
High Speed
Figure
3:
Accessory Wakeup Serial Data