GM Service Manual Online
For 1990-2009 cars only
Figure 1:

HVAC Module, Power, Ground, Serial Data, Temperature Sensors, and Blower Control


Object Number: 2153463  Size: FS
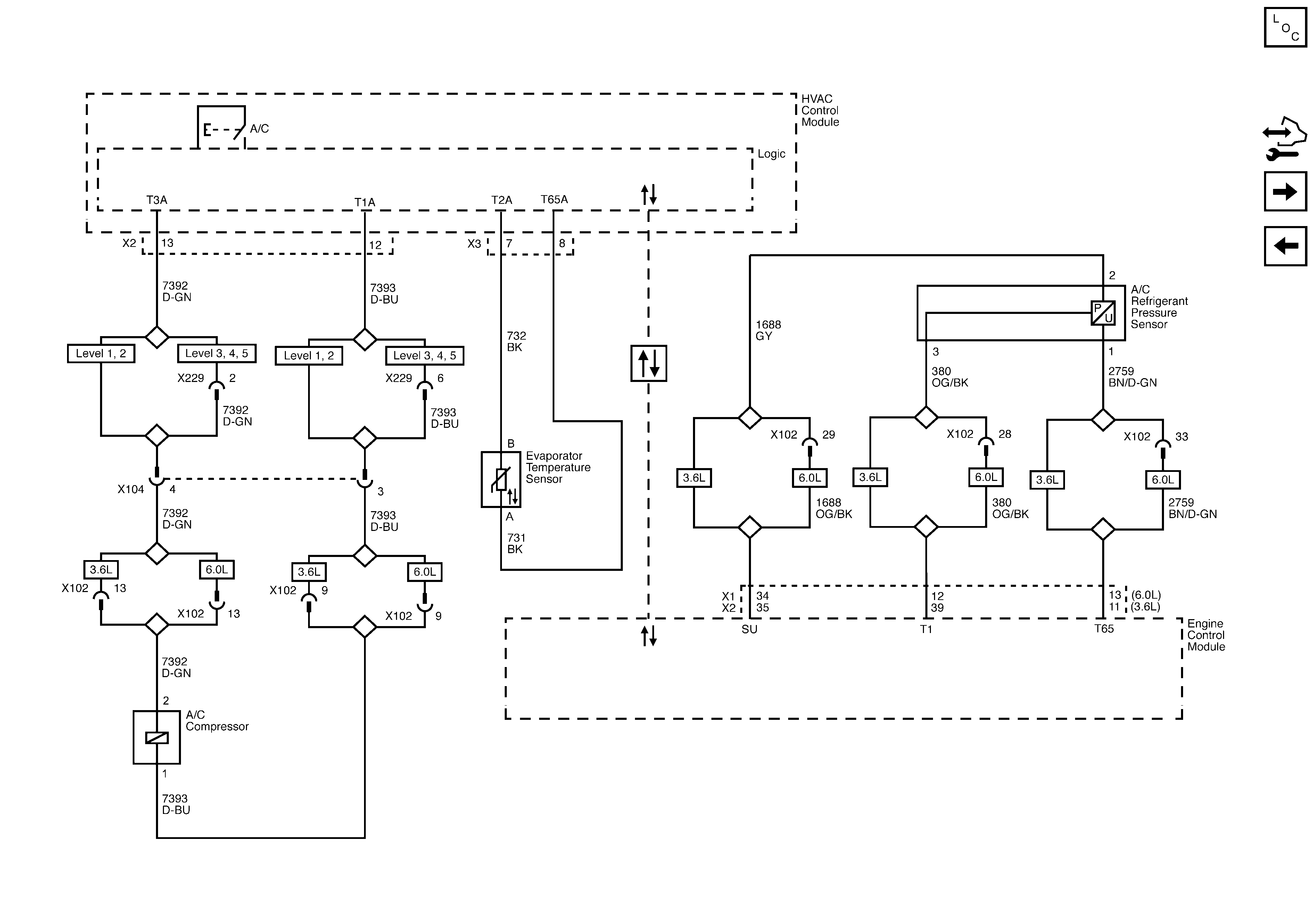
Figure 2:

Compressor Controls


Object Number: 2153464  Size: FS
Figure 3:

Air Delivery Controls - 1 of 2


Object Number: 2153465  Size: FS
Figure 4:

Air Delivery Controls - 2 of 2


Object Number: 2153466  Size: FS
Figure 5:

Rear Seat Controls


Object Number: 2153467  Size: FS