| Figure 1: |
HVAC Module, Power, Ground, Serial Data, and Blower Controls
|
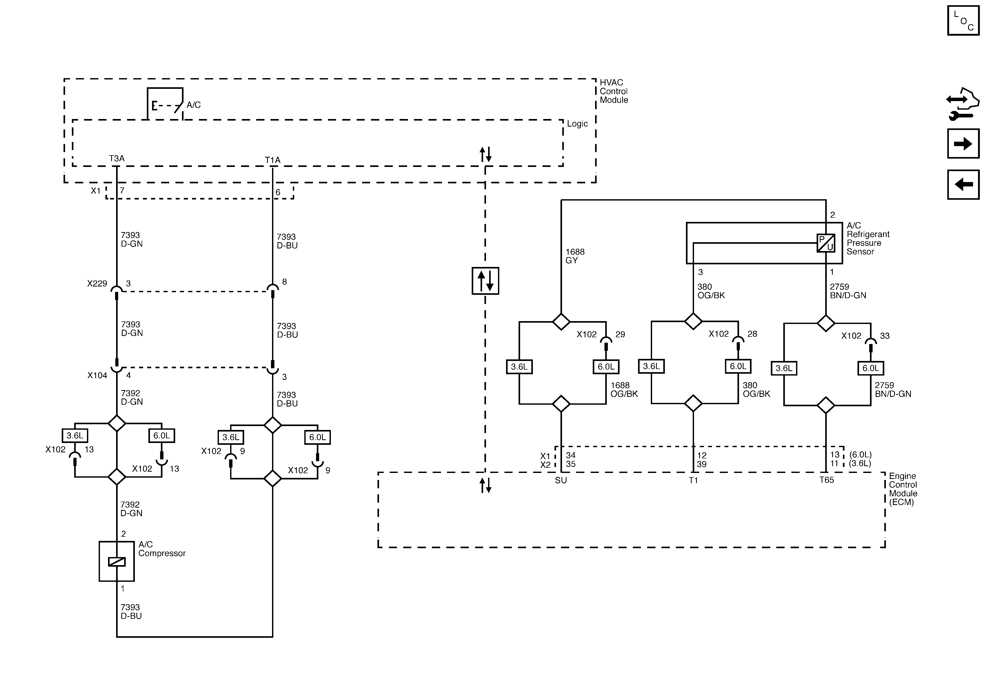
| Figure 2: |
Compressor Controls
|
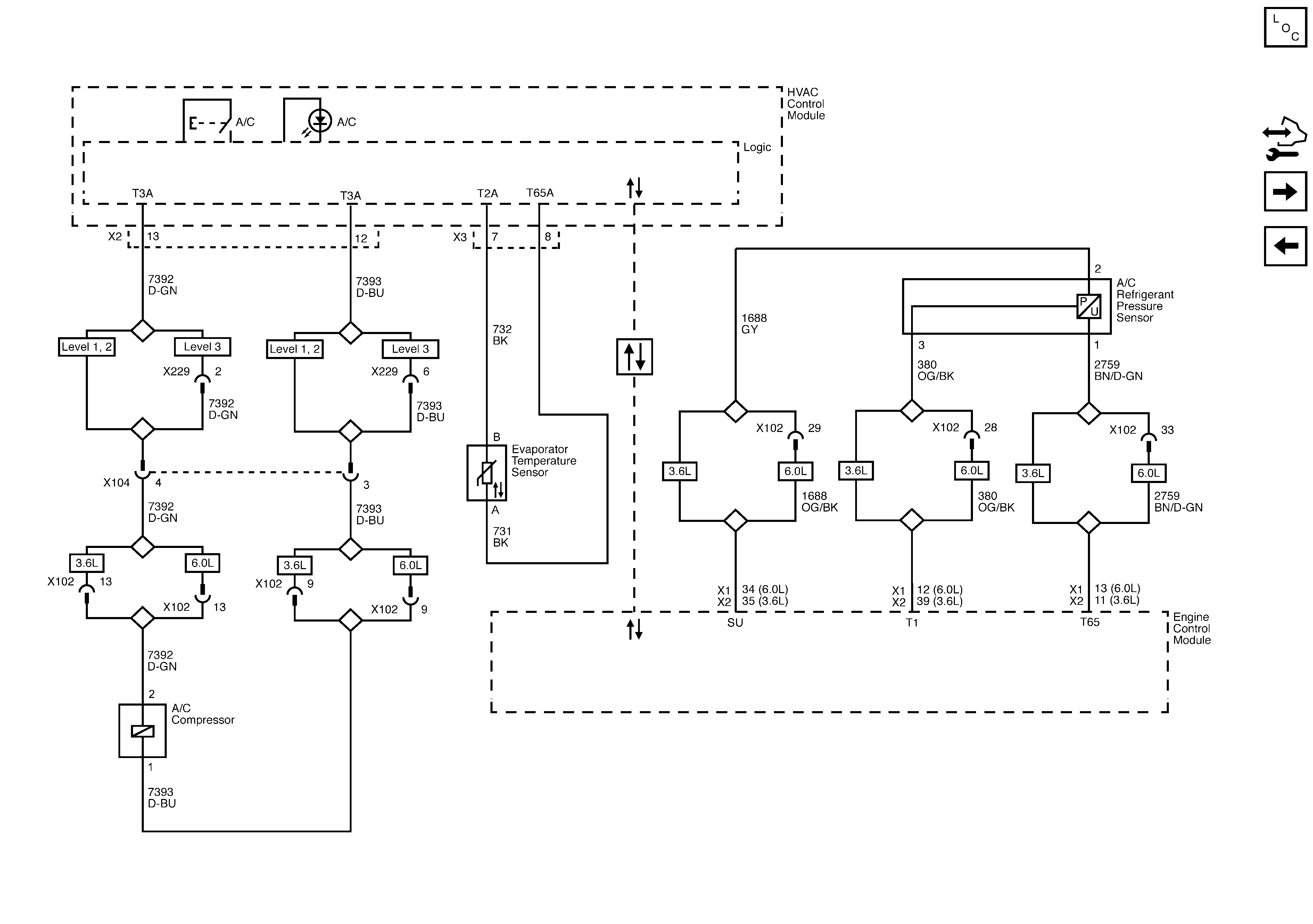
| Figure 3: |
Air Delivery and Temperature Controls
|
| Figure 1: |
HVAC Module, Power, Ground, Serial Data, and Blower Controls
|
| Figure 2: |
Compressor Controls
|
| Figure 3: |
Air Delivery and Temperature Controls
|