GM Service Manual Online
For 1990-2009 cars only
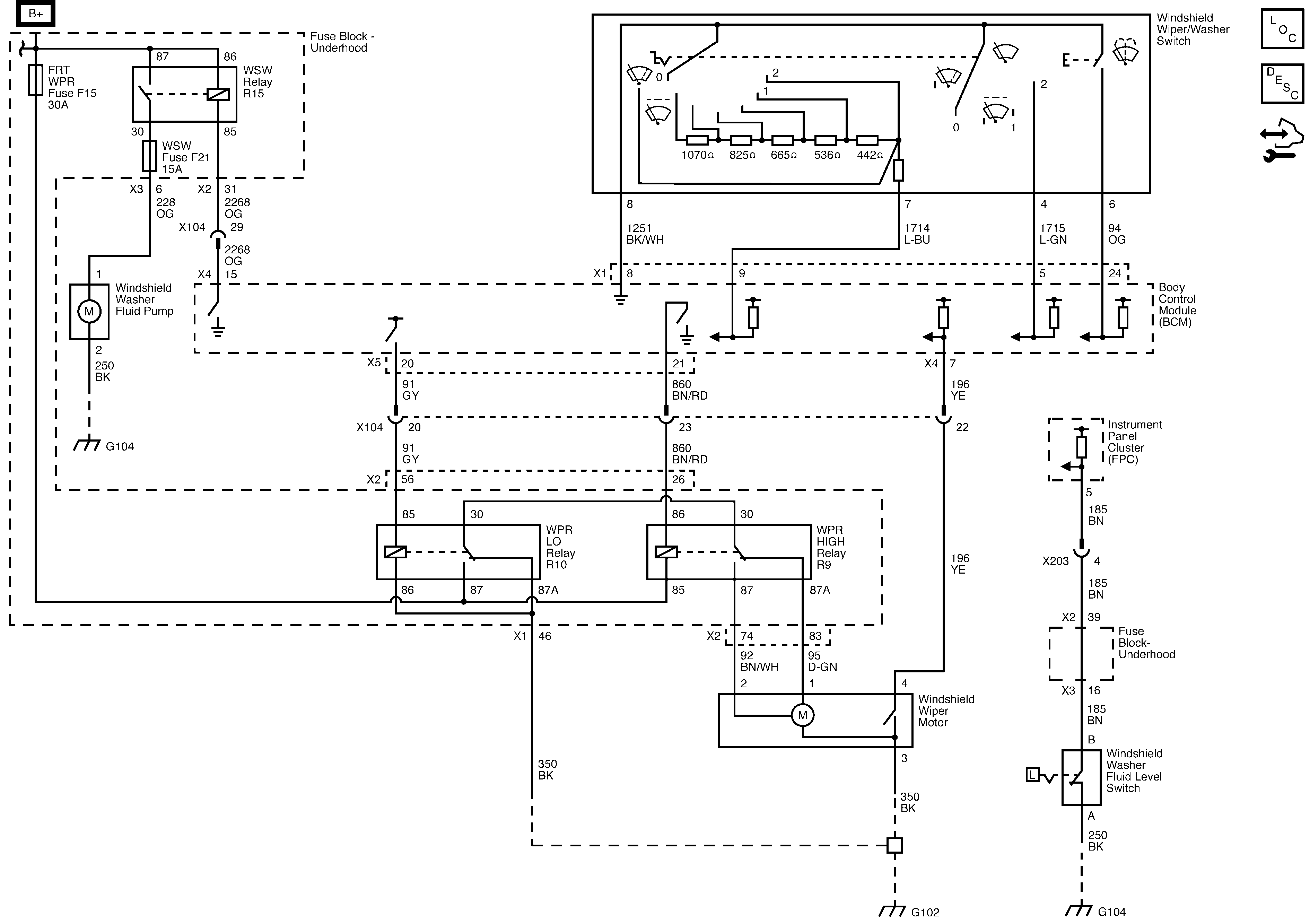
Figure 1:

Front Wiper/Washer Control


Object Number: 2139336  Size: FS
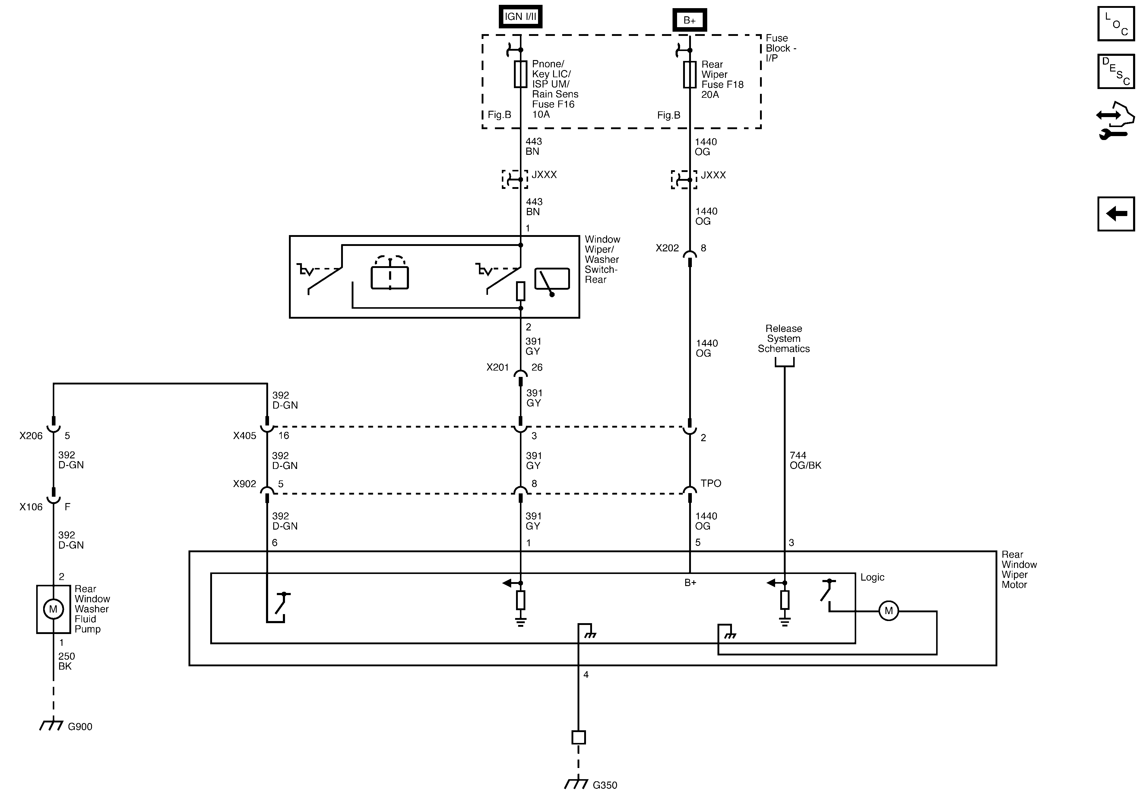
Figure 2:

Rear Wiper/Washer Control


Object Number: 2139341  Size: FS
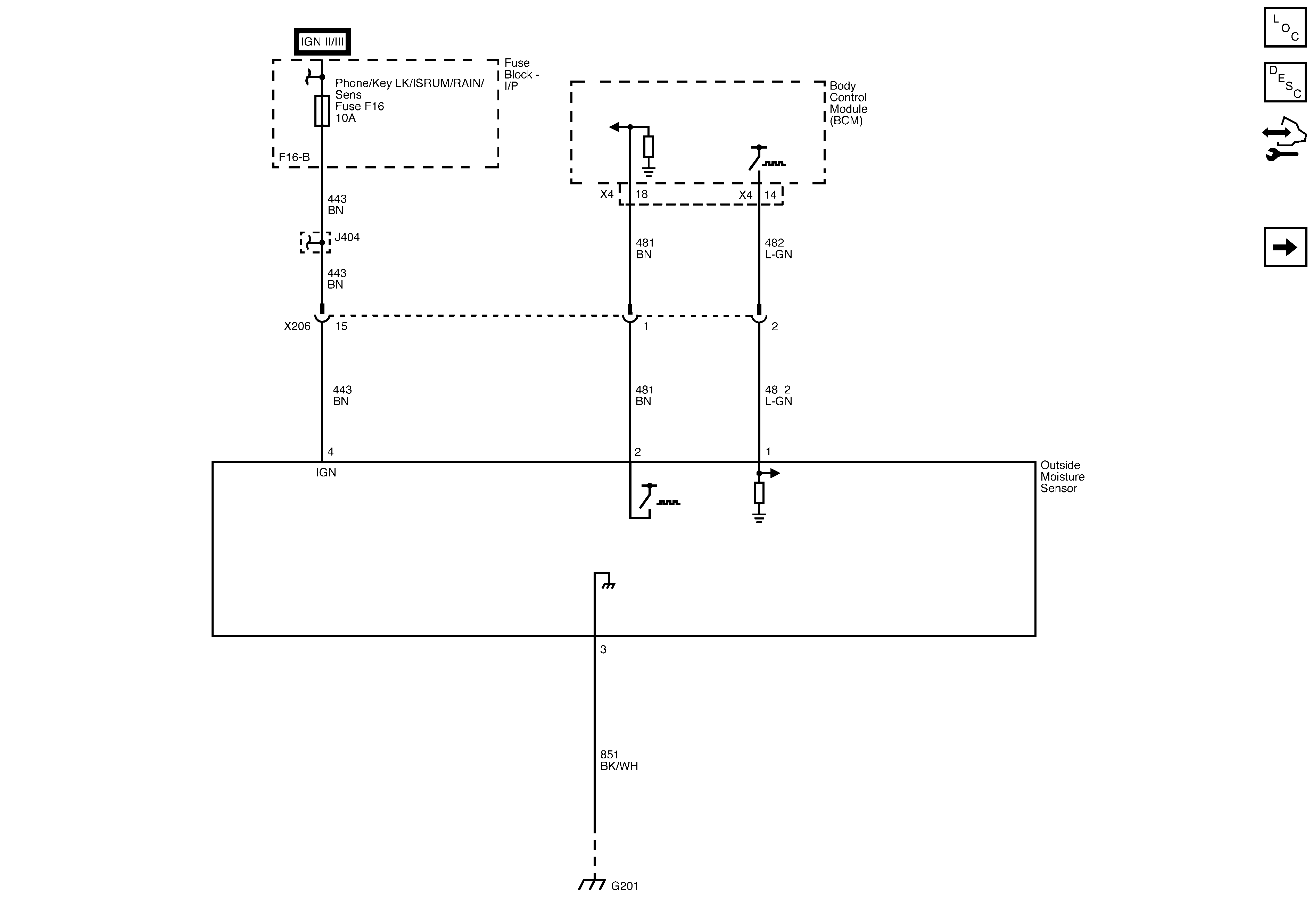
Figure 3:

Outside Moisture Sensing


Object Number: 2153390  Size: FS
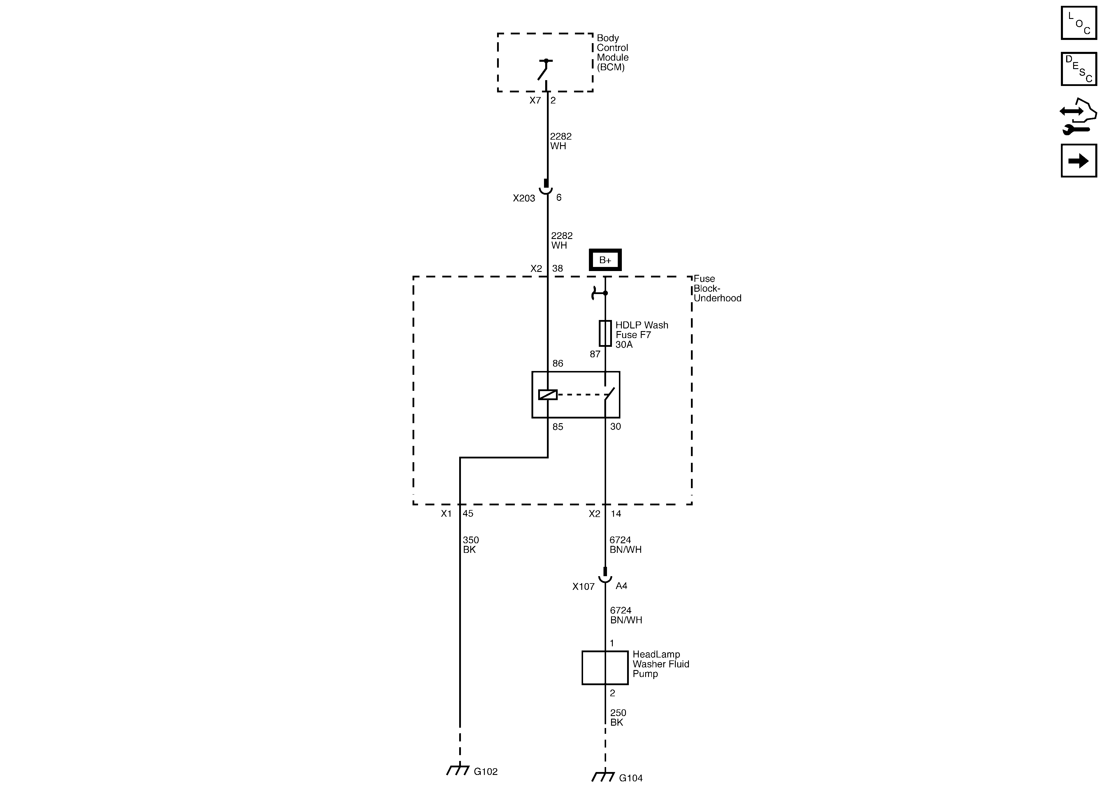
Figure 4:

Headlamp Washers


Object Number: 2153391  Size: FS