GM Service Manual Online
For 1990-2009 cars only
Makes
🢒
Holden
🢒
2009
🢒
VE Sedan
🢒
Suspension
🢒
Electronic Suspension Control
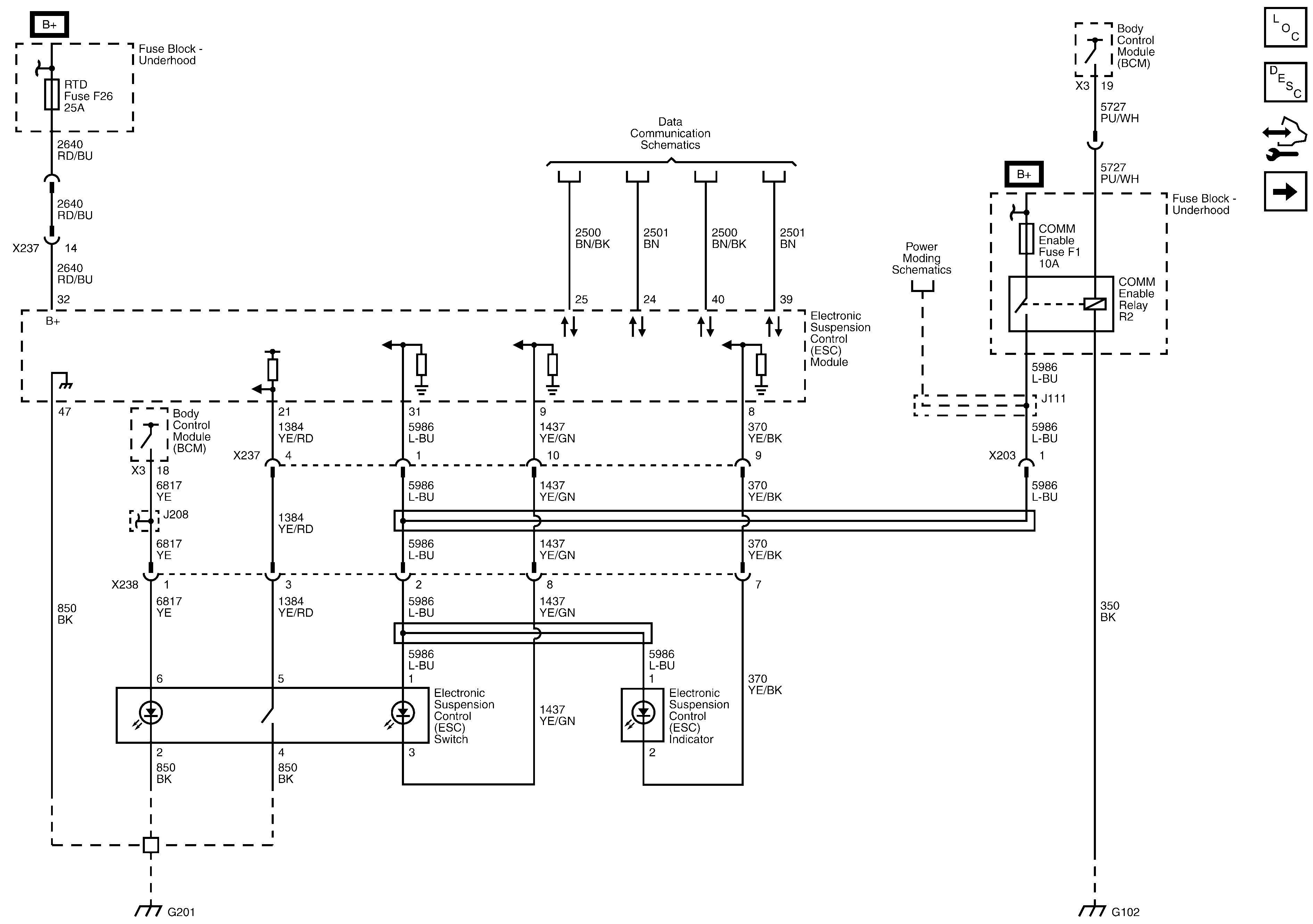
🢒 Electronic Suspension Control Schematics
Figure
1:
Power, Ground, Serial Data, and Suspension Controls
Figure
2:
Position Sensors and Solenoids