GM Service Manual Online
For 1990-2009 cars only
Makes
🢒
Holden
🢒
2009
🢒
VE Sedan
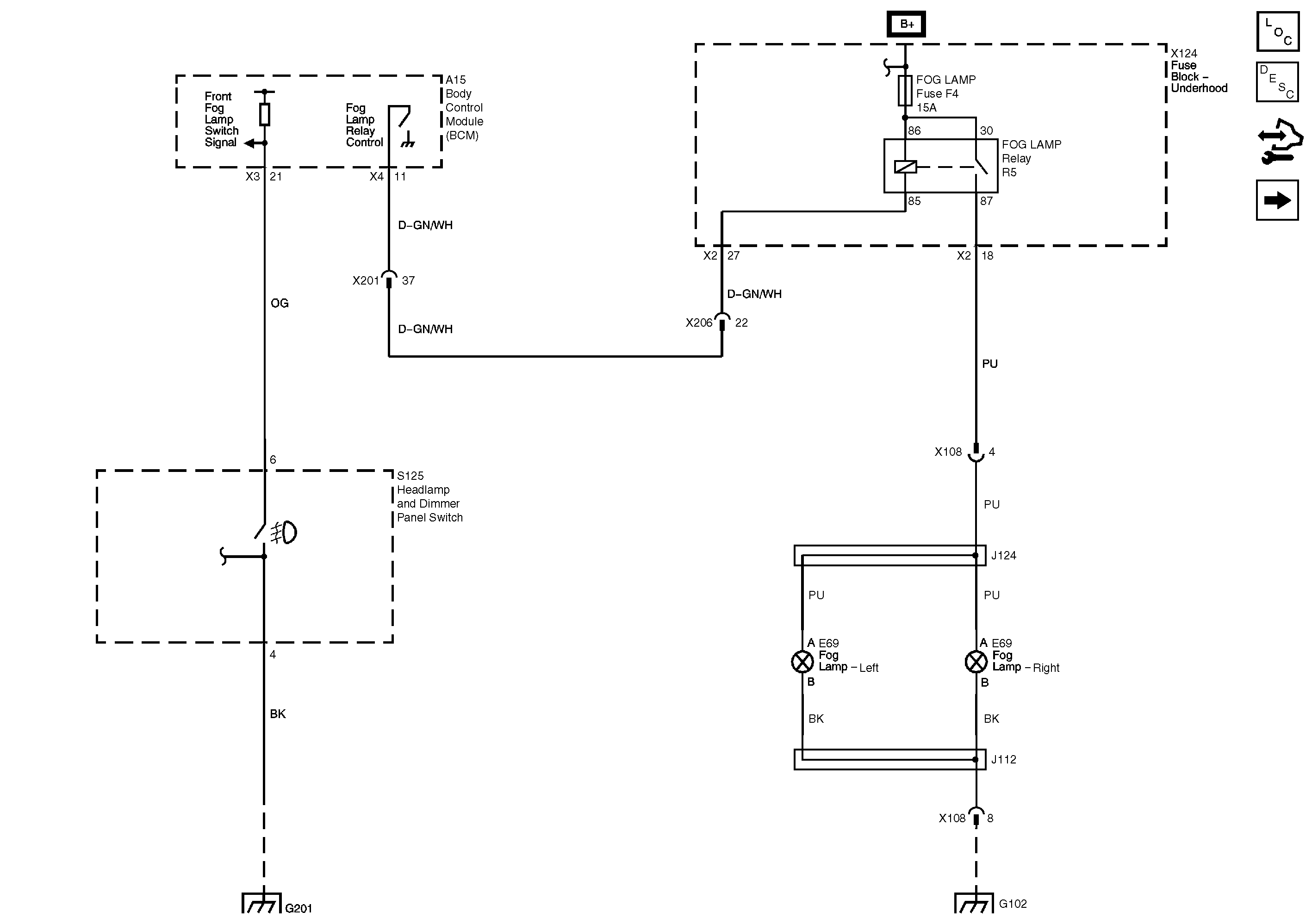
🢒 Fog Lights and Fog Lights Switch Power and Ground
Fog Lights and Fog Lights Switch Power and Ground
Fog Lights and Fog Lights Switch Power and Ground
Master Electrical Component List
Exterior Lighting Systems Description and Operation
Control Module References
Headlamps and Turn Signal Multifuction Switcher and Ambient Light Sensors
B+ Bus - 2 of 2
G201
G102 and G310