GM Service Manual Online
For 1990-2009 cars only
Makes
🢒
Holden
🢒
2009
🢒
VE Sedan
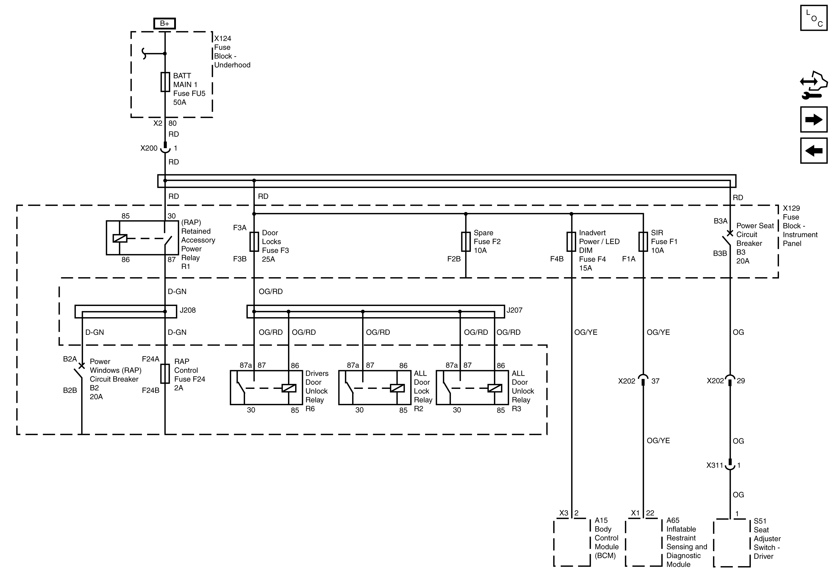
🢒 Batt Main 1, Door Locks, Inadvert Power/LED DIM and SIR Fuses and Power Seat Circuit Breaker
Batt Main 1, Door Locks, Inadvert Power/LED DIM and SIR Fuses and Power Seat Circuit Breaker
Batt Main 1, Door Locks, Inadvert Power/LED DIM and SIR Fuses and Power Seat Circuit Breaker
Master Electrical Component List
Control Module References
Batt Main 2, Console Lighting, BCM Logic, Stop Lamps/Park Assist and IGNSW/Theft Fuses and Ignition Switch
B+ Bus - 2 of 2
B+ Bus - 1 of 2