GM Service Manual Online
For 1990-2009 cars only
Makes
🢒
Holden
🢒
2009
🢒
VE Sedan
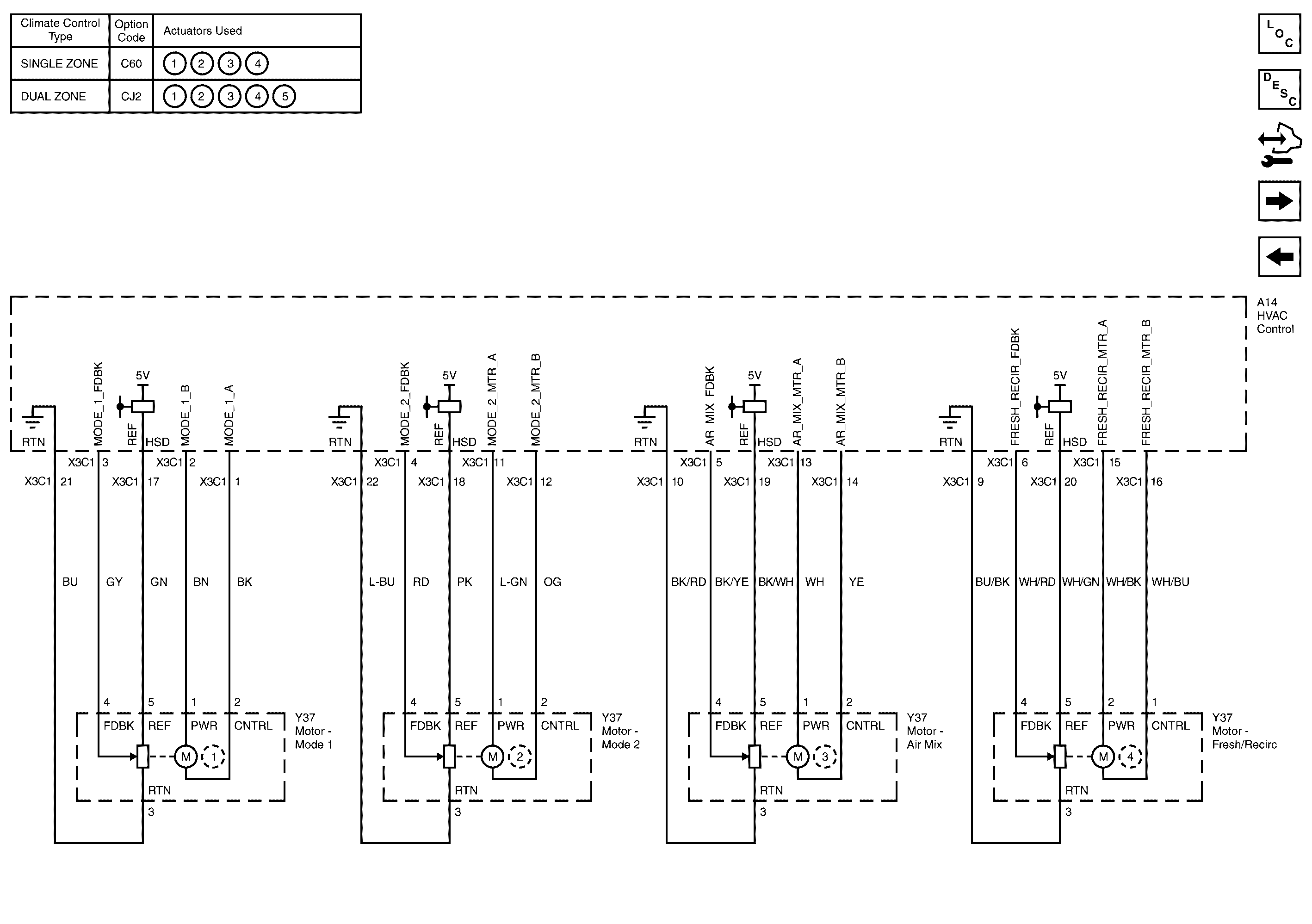
🢒 HVAC Actuators
HVAC Actuators
HVAC Actuators
Master Electrical Component List
Automatic HVAC Description and Operation
Control Module References
HVAC Actuators and Evap Sensor
HVAC Module, Power, Ground, Serial Data, Inputs and Outputs