GM Service Manual Online
For 1990-2009 cars only
Makes
🢒
Holden
🢒
2009
🢒
VE Sedan
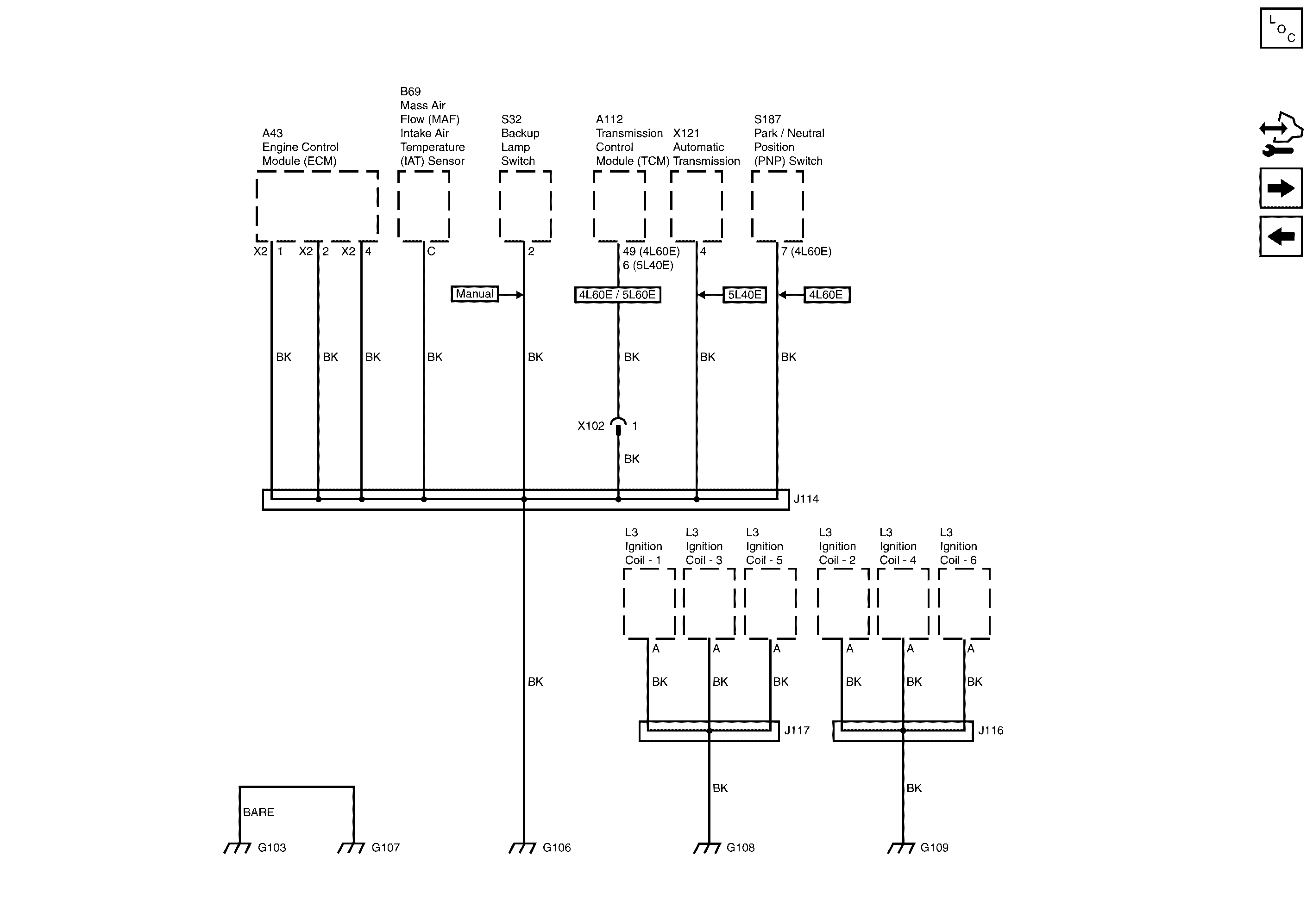
🢒 G103, G106, G107, G108 and G109 (3.6L)
G103, G106, G107, G108 and G109 (3.6L)
G103, G106, G107, G108 and G109 (3.6L)
Master Electrical Component List
Control Module References
G103, G110, G111 and G112 (6.0L)
G102 and G310