GM Service Manual Online
For 1990-2009 cars only
Makes
🢒
Holden
🢒
2009
🢒
VE Sedan
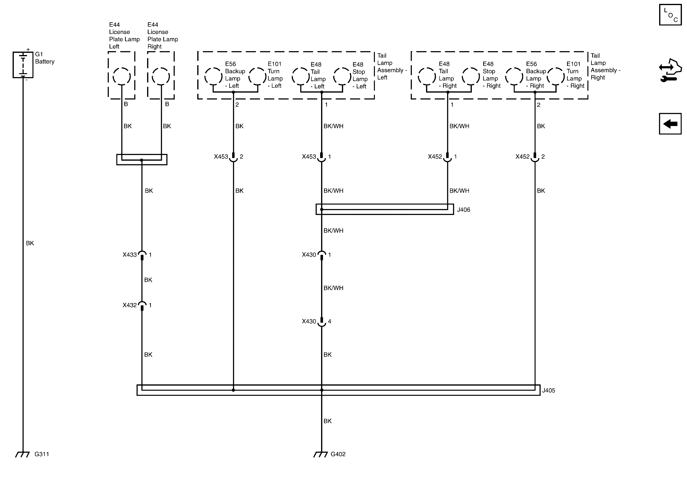
🢒 G311 and G402
G311 and G402
G311 and G402
Master Electrical Component List
Control Module References
G305