GM Service Manual Online
For 1990-2009 cars only
Makes
🢒
Holden
🢒
2009
🢒
VE Sedan
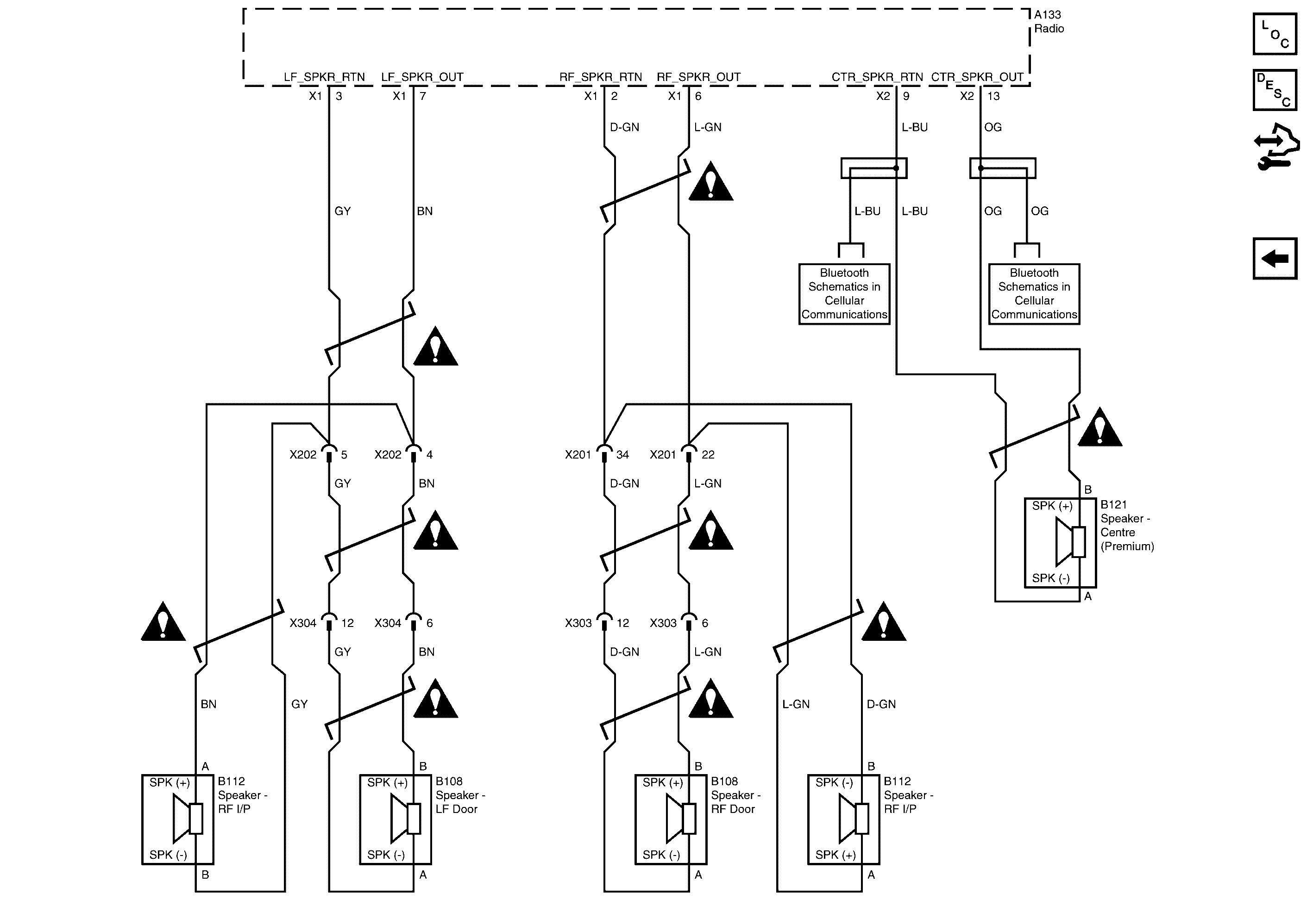
🢒 Speaker Inputs and Outputs
Speaker Inputs and Outputs
Speaker Inputs and Outputs
Master Electrical Component List
Radio/Audio System Description and Operation
Control Module References
Speaker Inputs and Outputs
Bluetooth System
Bluetooth System
Entertainment/Communication Schematic Icons
Entertainment/Communication Schematic Icons
Entertainment/Communication Schematic Icons
Entertainment/Communication Schematic Icons
Entertainment/Communication Schematic Icons
Entertainment/Communication Schematic Icons
Entertainment/Communication Schematic Icons
Entertainment/Communication Schematic Icons
Entertainment/Communication Schematic Icons