GM Service Manual Online
For 1990-2009 cars only
Figure 1:

ECM Power, Ground and Serial Data


Object Number: 2012530  Size: FS
Master Electrical Component List
Engine Control Module Description
Control Module References
Camshaft Position Sensors and Solenoids
B+ Bus - 2 of 2
B+ Bus - 2 of 2
Batt Main 2, Console Lighting, BCM Logic, Stop Lamps/Park Assist and IGNSW/Theft Fuses and Ignition Switch
ECM, Fuel Pump, Rear Main, RVC Sense and Trailer Fuses
Batt Main 2, Console Lighting, BCM Logic, Stop Lamps/Park Assist and IGNSW/Theft Fuses and Ignition Switch
PWR/TRN Bus - ECM 1, Emission 1 and REV/LOCK Fuses
IGN II/III Bus - Airbag, IGN Engine and Phone/Cruise
Batt Main 2, Console Lighting, BCM Logic, Stop Lamps/Park Assist and IGNSW/Theft Fuses and Ignition Switch
IGN II/III Bus - Airbag, IGN Engine and Phone/Cruise
ECM, Fuel Pump, Rear Main, RVC Sense and Trailer Fuses
Batt Main 2, Console Lighting, BCM Logic, Stop Lamps/Park Assist and IGNSW/Theft Fuses and Ignition Switch
G102 and G310
G102 and G310
Cooling Fans and Relays
VIM, EVAP Canister Purge Solenoid Coolant Temp Sensor, MAF Sensor, Oil Level and Temp Sensor and Backup Lamp Switch
TCM and Transmission, Power, Ground, Serial Data, Inputs and Outputs
Pin Allocation
G102 and G310
G103, G110, G111 and G112 (6.0L)
G103, G106, G107, G108 and G109 (3.6L)
Engine Controls Schematic Icons
Figure 2:

Camshaft Position Sensors and Solenoids


Object Number: 1962299  Size: FS
Master Electrical Component List
Camshaft Actuator System Description
Control Module References
5 Volt Reference
ECM Power, Ground and Serial Data
PWR/TRN Bus - ECM 1, Emission 1 and REV/LOCK Fuses
Heated Oxygen Outputs
Figure 3:

5 Volt Reference


Object Number: 2022213  Size: FS
Master Electrical Component List
Engine Control Module Description
Control Module References
Low Reference
Camshaft Position Sensors and Solenoids
Figure 4:

Low Reference


Object Number: 2022210  Size: FS
Master Electrical Component List
Engine Control Module Description
Control Module References
Fuel Injectors
5 Volt Reference
Figure 5:

Fuel Injectors


Object Number: 1962303  Size: FS
Master Electrical Component List
Fuel System Description
Control Module References
Odd Ignition Coils
Low Reference
PWR/TRN BUS - EVCOIL/INJ Fuses
Odd Ignition Coils
Even Ignition Coils
Figure 6:

Odd Ignition Coils


Object Number: 1962304  Size: FS
Master Electrical Component List
Electronic Ignition (EI) System Description
Control Module References
Even Ignition Coils
Fuel Injectors
PWR/TRN Bus - Emission 2 and ODCOIL/INJ Fuses
Fuel Injectors
G103, G106, G107, G108 and G109 (3.6L)
Figure 7:

Even Ignition Coils


Object Number: 1962305  Size: FS
Master Electrical Component List
Electronic Ignition (EI) System Description
Control Module References
Crankshaft Position and Knock Sensors
Odd Ignition Coils
PWR/TRN BUS - EVCOIL/INJ Fuses
Fuel Injectors
G103, G106, G107, G108 and G109 (3.6L)
Figure 8:

Crankshaft Position and Knock Sensors


Object Number: 1962306  Size: FS
Master Electrical Component List
Knock Sensor (KS) System Description
Control Module References
Heated Oxygen Outputs
Even Ignition Coils
Engine Controls Schematic Icons
Engine Controls Schematic Icons
Figure 9:

Heated Oxygen Sensors


Object Number: 2012529  Size: FS
Master Electrical Component List
Engine Control Module Description
Control Module References
VIM, EVAP Canister Purge Solenoid Coolant Temp Sensor, MAF Sensor, Oil Level and Temp Sensor and Backup Lamp Switch
Crankshaft Position and Knock Sensors
PWR/TRN Bus - ECM 1, Emission 1 and REV/LOCK Fuses
Camshaft Position Sensors and Solenoids
Engine Controls Schematic Icons
Engine Controls Schematic Icons
Engine Controls Schematic Icons
Engine Controls Schematic Icons
Figure 10:

VIM, EVAP Canister Purge Solenoid Coolant Temp Sensor, MAF Sensor, Oil Level and Temp Sensor and Backup Lamp Switch


Object Number: 2012528  Size: FS
Master Electrical Component List
Engine Control Module Description
Control Module References
Throttle Body and APP Sensor
Heated Oxygen Outputs
B+ Bus - 2 of 2
Batt Main 2, Console Lighting, BCM Logic, Stop Lamps/Park Assist and IGNSW/Theft Fuses and Ignition Switch
PWR/TRN Bus - ECM 1, Emission 1 and REV/LOCK Fuses
Batt Main 2, Console Lighting, BCM Logic, Stop Lamps/Park Assist and IGNSW/Theft Fuses and Ignition Switch
IGN II/III Bus - Airbag, IGN Engine and Phone/Cruise
IGN II/III Bus - Airbag, IGN Engine and Phone/Cruise
Heated Oxygen Outputs
ECM Power, Ground and Serial Data
G102 and G310
G103, G106, G107, G108 and G109 (3.6L)
G103, G106, G107, G108 and G109 (3.6L)
Figure 11:

Throttle Body and APP Sensor


Object Number: 1962310  Size: FS
Master Electrical Component List
Throttle Actuator Control (TAC) System Description
Control Module References
ECM Inputs and Outputs
VIM, EVAP Canister Purge Solenoid Coolant Temp Sensor, MAF Sensor, Oil Level and Temp Sensor and Backup Lamp Switch
Engine Controls Schematic Icons
Figure 12:

ECM Inputs and Outputs


Object Number: 2021923  Size: FS
Master Electrical Component List
Control Module References
Fuel Pump and Fuel Level Sensor
Throttle Body and APP Sensor
Battery, Starter and Ignition Switch, Inputs and Outputs
Battery Current Sensor and Generator, Inputs and Outputs
Module Power, Ground and Serial Data
Cooling Fans and Relays
Instrument Cluster Power, Ground, Serial Data, Inputs and Outputs
Body Control Module and Ignition Switch, Power, Ground, Inputs and Outputs
HVAC Module, Power, Ground, Serial Data, Inputs and Outputs
Stop Lamps Power and Ground
NSBU Switch and Toss Sensor
Figure 13:

Fuel Pump and Fuel Level Sensor


Object Number: 2012527  Size: FS
Master Electrical Component List
Fuel System Description
Control Module References
ECM Inputs and Outputs
ECM, Fuel Pump, Rear Main, RVC Sense and Trailer Fuses
G202
Cruise Control Switch, Automatic Transmission Shift Lever, Multifunction Centre Console Switch and Clutch Position Sensors
G303, G304 and G308
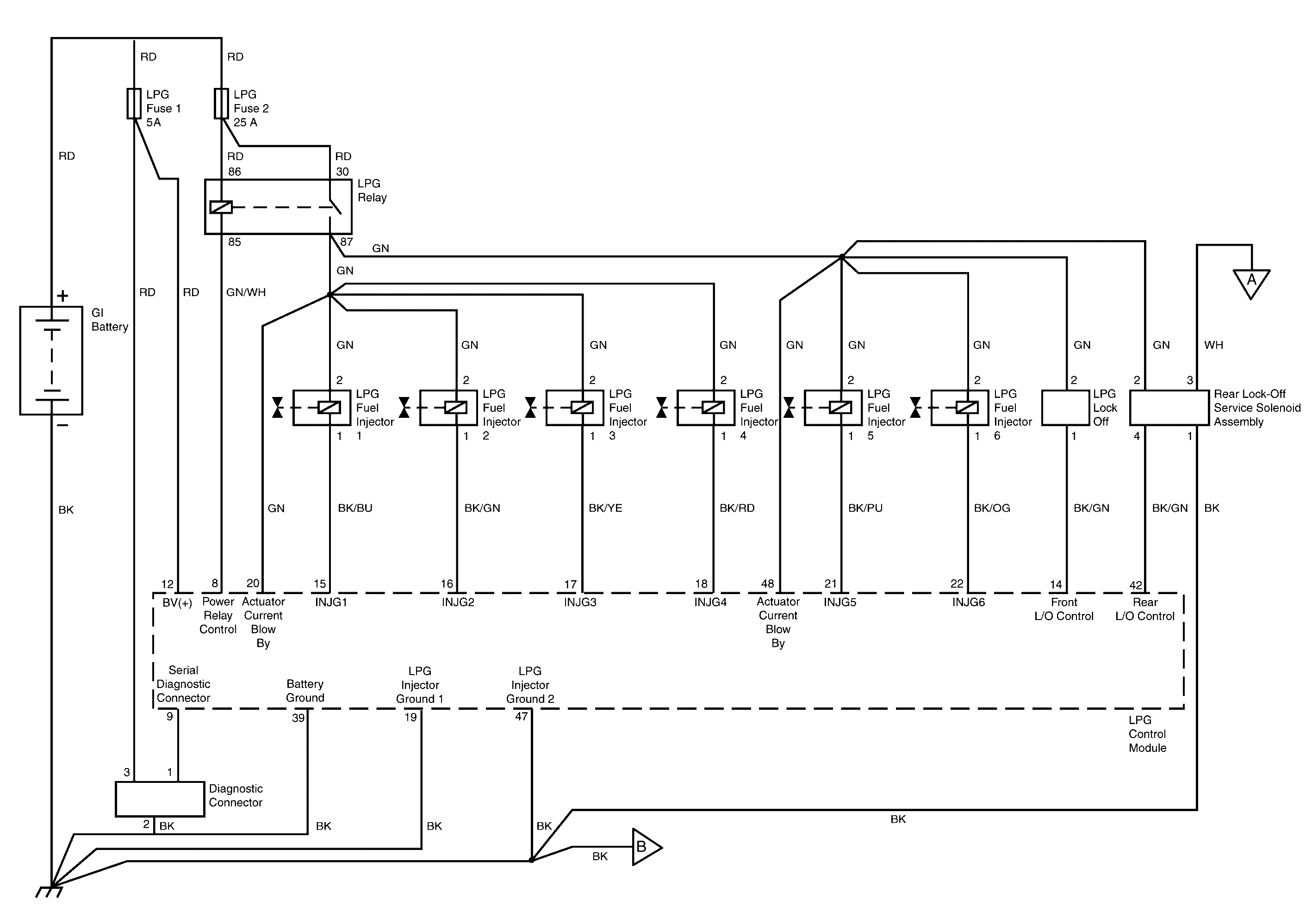
Figure 14:

ECM/LPG Injectors Power and Ground, Diagnostic Connector, LPG Lock-Off and Rear Lock-Off/Service Solenoid Assembly


Object Number: 2082584  Size: FS
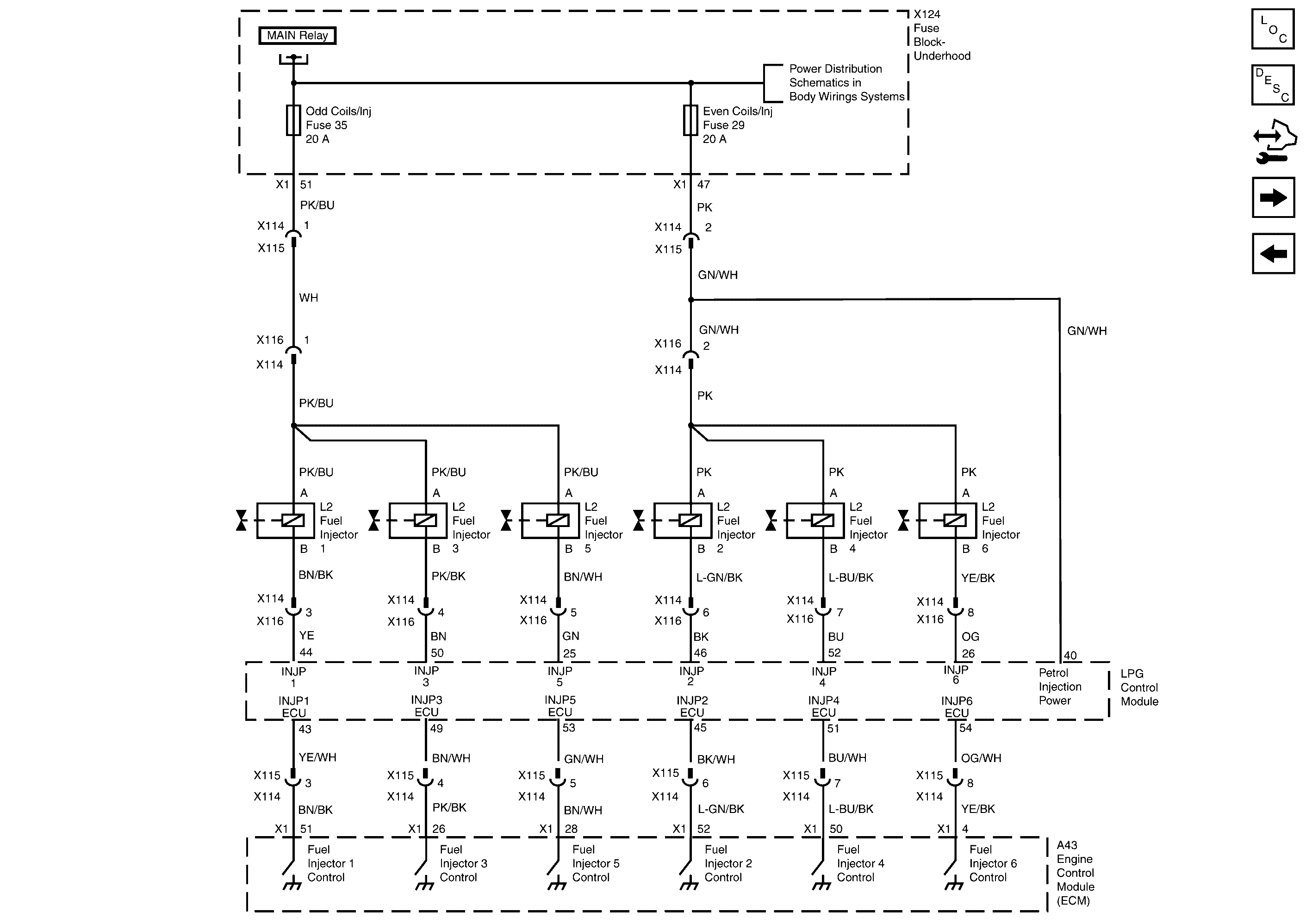
Figure 15:

Petrol Fuel Injectors Power and Ground, LPG Control Module Petrol Fuel Injector Recognition


Object Number: 2082585  Size: FS
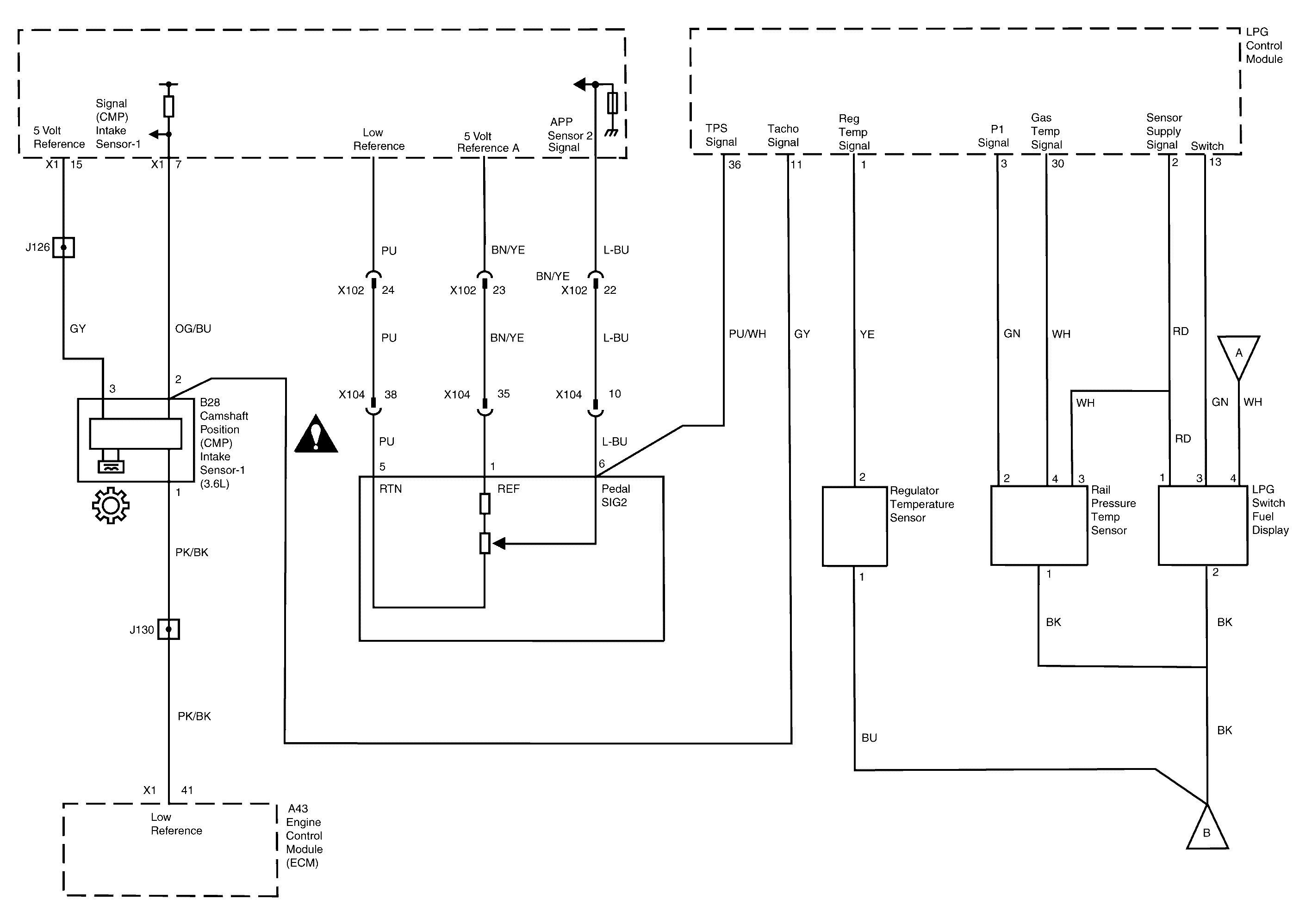
Figure 16:

Camshaft Position Sensor, Accelerator Pedal Position (APP) Sensor, Regulator Temperature Sensor, Rail Pressure/Temp Sensor, LPG Switch/Fuel Display


Object Number: 2082586  Size: FS