GM Service Manual Online
For 1990-2009 cars only
Makes
🢒
Holden
🢒
2008
🢒
VE Ute
🢒
Diagnostic Navigation
🢒
Vehicle Diagnostic Information
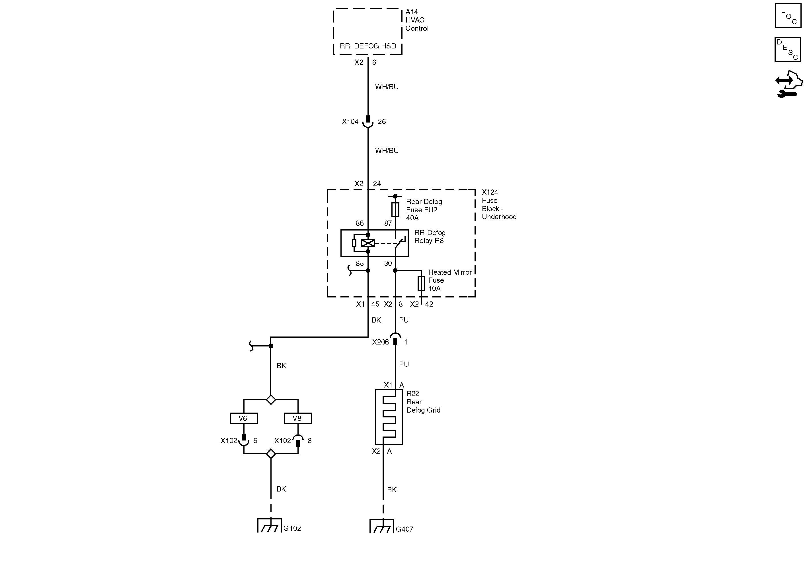
🢒 Defogger Schematics
Rear Window Defog Grid Power and Ground
Master Electrical Component List
Rear Window Defogger Description and Operation
Control Module References
G102 and G310
G102 and G310