GM Service Manual Online
For 1990-2009 cars only
Makes
🢒
Holden
🢒
2008
🢒
VE Ute
🢒
Diagnostic Navigation
🢒
Vehicle Diagnostic Information
🢒 Moveable Window Schematics
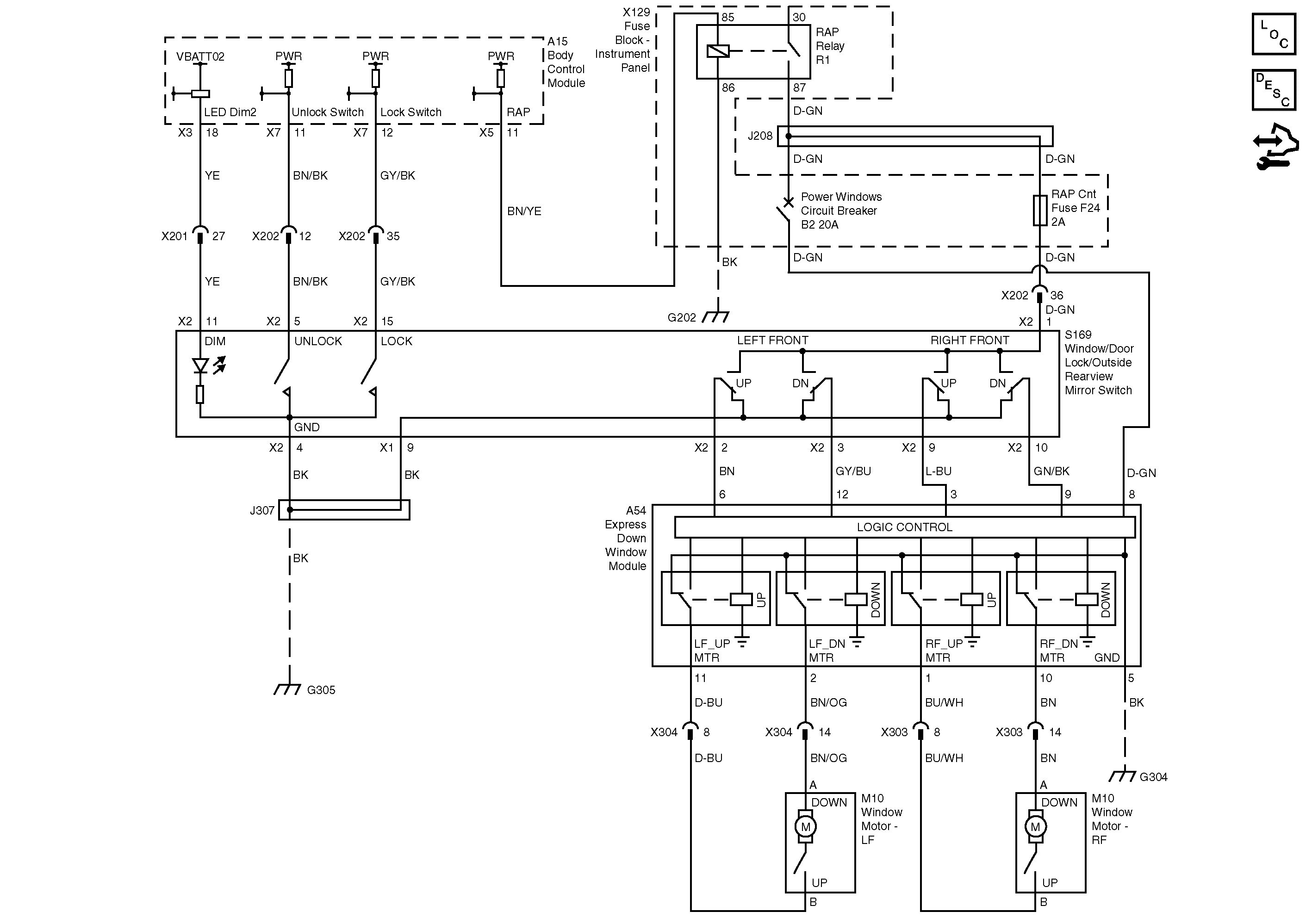
Power Window Switches and Motors - Express Down
Master Electrical Component List
Power Windows Description and Operation
Control Module References
G305
G202
G303, G304 and G308