GM Service Manual Online
For 1990-2009 cars only
Makes
🢒
Holden
🢒
2008
🢒
VE Ute
🢒
Diagnostic Navigation
🢒
Vehicle Diagnostic Information
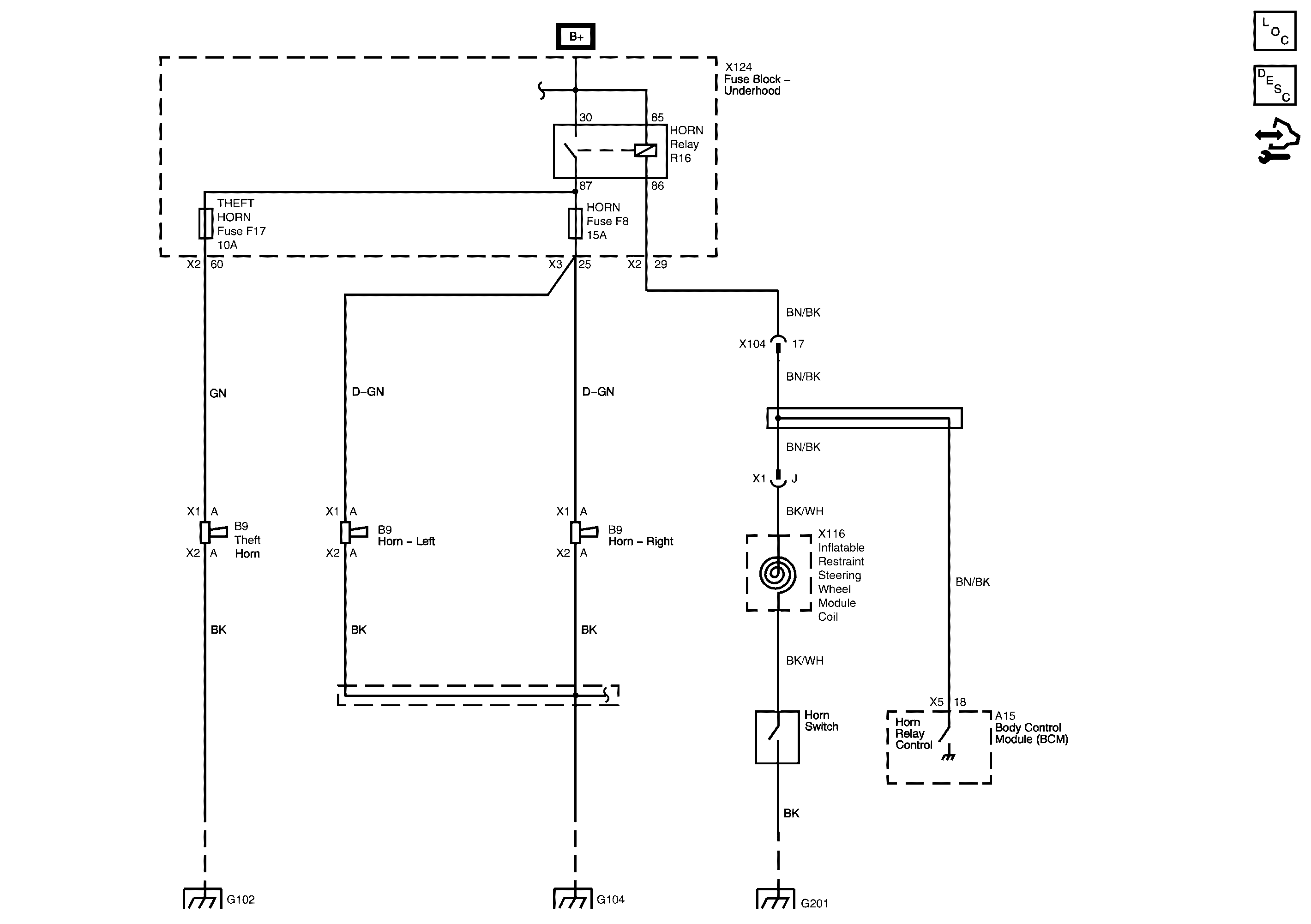
🢒 Horn Schematics
Horns, Theft Horn, and Horn Switch
Master Electrical Component List
Horns System Description and Operation
Control Module References
B+ Bus - 1 of 2
G102 and G310
G104
G201