GM Service Manual Online
For 1990-2009 cars only
Makes
🢒
Holden
🢒
2008
🢒
VE Ute
🢒
Body Systems
🢒
Mirrors
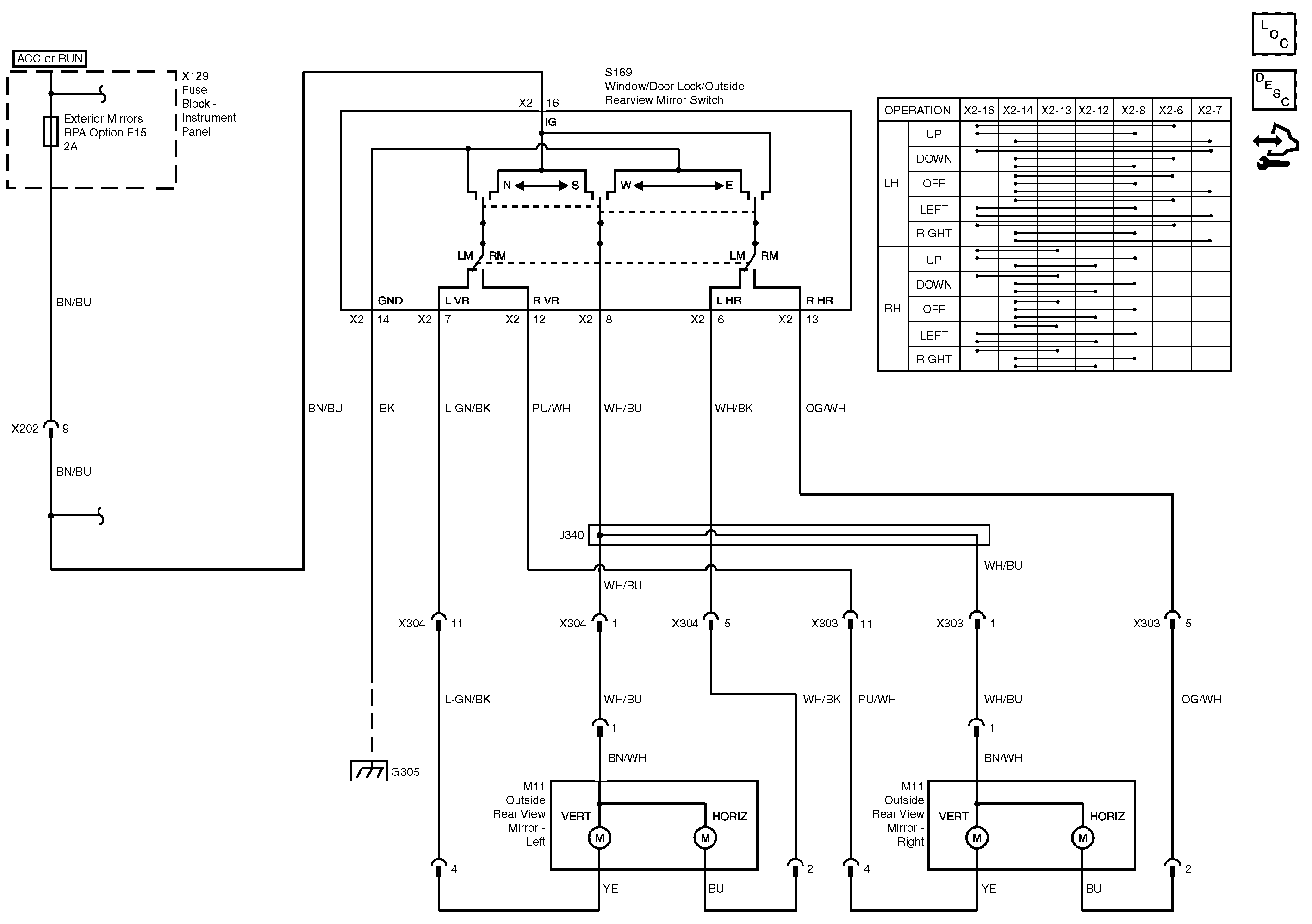
🢒 Outside Rearview Mirror Schematics
Mirrors Switches and Motors
Master Electrical Component List
Outside Mirror Description and Operation
Control Module References
IGN II/III Bus, Cigar Lighters, Front APO, Outside Mirrors and Phone Fuses
G305